IM IS Vitocal 200-G instalacja elektryczna

Transkrypt

IM IS Vitocal 200-G instalacja elektryczna
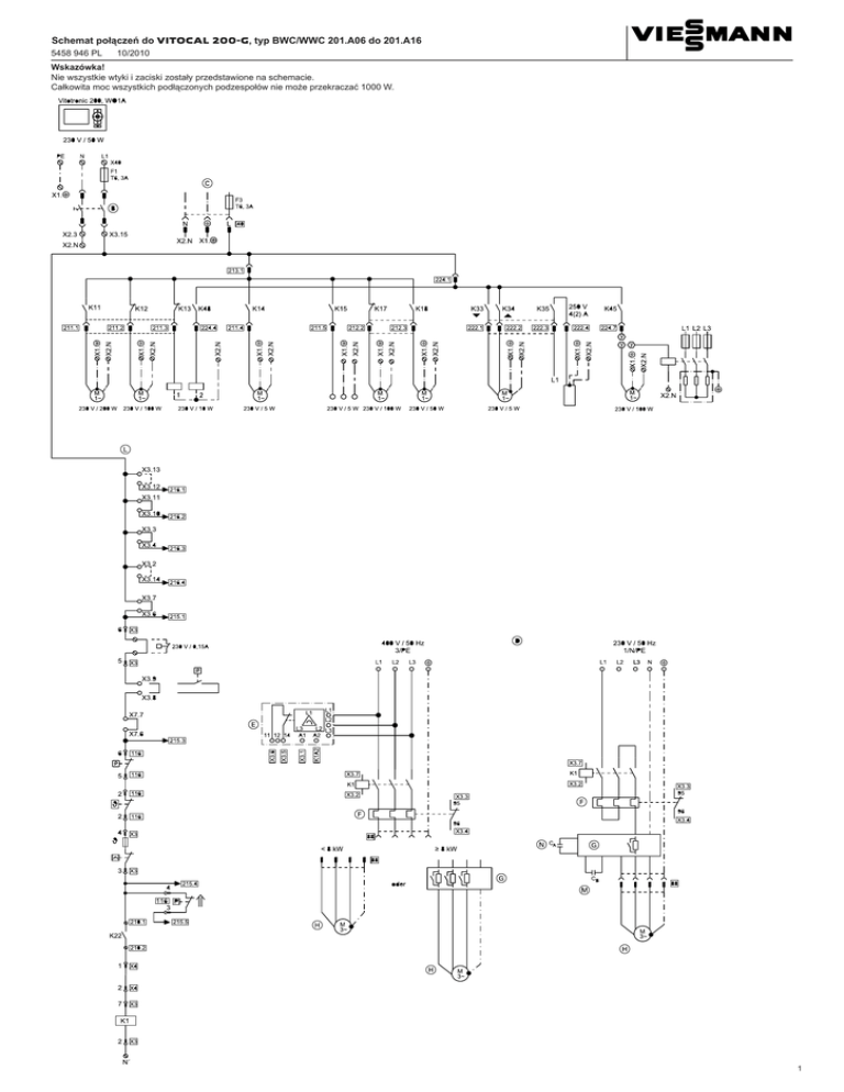
Schemat połączeń do VITOCAL 200-G, typ BWC/WWC 201.A06 do 201.A16
5458 946 PL
10/2010
Wskazówka!
Nie wszystkie wtyki i zaciski zostały przedstawione na schemacie.
Całkowita moc wszystkich podłączonych podzespołów nie może przekraczać 1000 W.
1
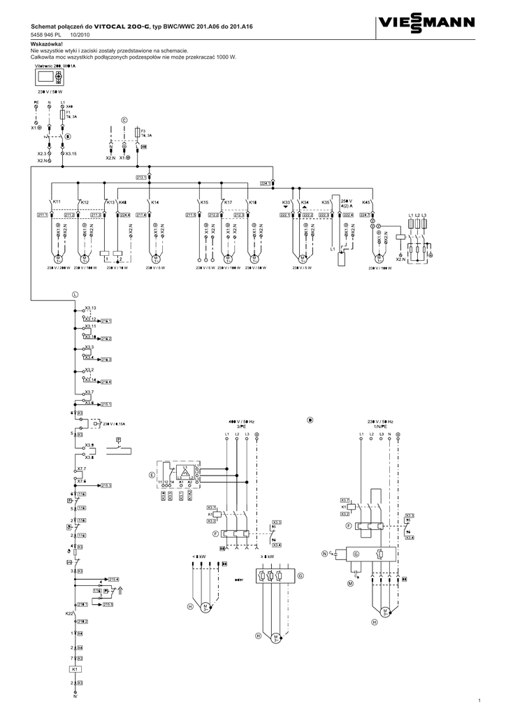
Schemat połączeń do VITOCAL 200-G, typ BWC/WWC 201.A06 do 201.A16 (ciąg dalszy)
5458 946 PL
10/2010
AZaciski sieciowe (listwy zaciskowe)
BWyłącznik zasilania
CZasilanie elektryczne płytek instalacyjnych i regulatora
DPrzyłącze elektryczne sprężarki
ETylko 400 V~: czujnik prądu trójfazowego (opcja)
FPrzekaźnik ochronny silnika
GRozrusznik
HSprężarka, 400 V~ i 230 V~
LŁańcuch zabezpieczeń
MTylko 230 V~: kondensator roboczy
NTylko 230 V~: kondensator rozruchu
40 88 116.1 / 116.2 116.3 / 116.4 116.5 / 116.6 210.1 / 210.2 211.1
211.2
211.3
211.4
211.5
212.2
212.3
213.1
215.1
215.3
215.4
215.5
216.1
216.2
216.3
216.4
222.1
222.2
222.3 / 222.4 224.1
224.4
224.7
2
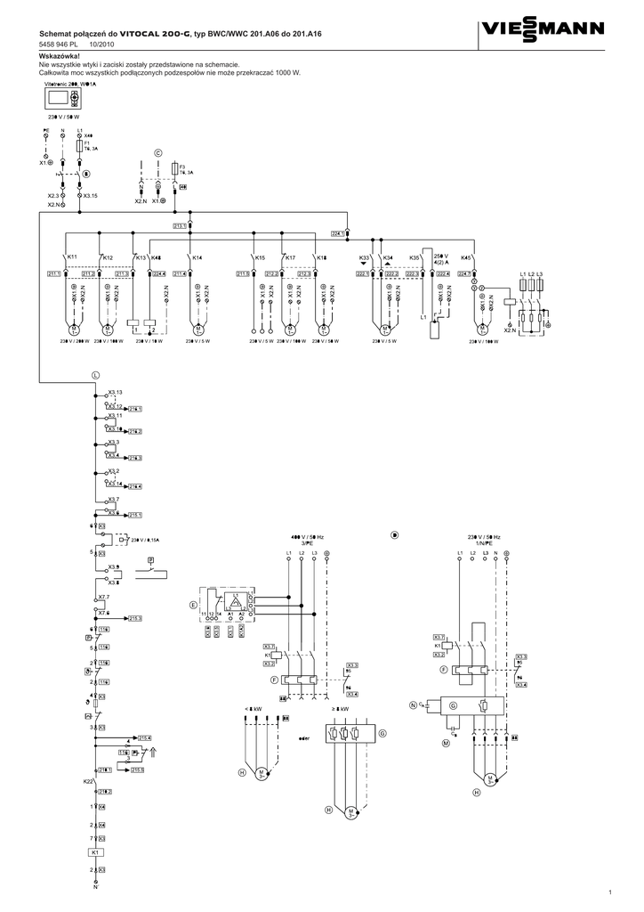
Zasilanie płytek instalacyjnych
Tylko 230 V~ i typ BWC/WWC 201.A06: wtyk do sprężarki
X3.3 / X3.4 Pełna ochrona silnika sprężarki
X3.5 / X3.6 Tylko 400 V~: czujnik prądu trójfazowego (opcja)
Temperatura gazu gorącego (Klixon)
Niskie ciśnienie
Zabezpieczające, wysokie ciśnienie
Sterowanie sprężarką, przekaźnik sprężarki
Pompa pierwotna, sterowanie pompą studni
Pompa wtórna
Sterowanie przepływowym podgrzewaczem wody grzewczej, stopień 1
Pompa obiegowa podgrzewacza lub 3-drogowy zawór przełączny
„Ogrzewania/podgrzewu wody użytkowej“
Jeżeli dostępny jest system zasilania podgrzewacza: dodatkowo pompa ładująca podgrzewacza i zawór 2-drogowy z napędem elektrycznym
Sterowanie funkcją NC („natural cooling“)
Pompa obiegu grzewczego bez mieszacza (A1)
Pompa cyrkulacyjna wody użytkowej
Zasilanie elektryczne do przekaźnika grupy 1
Blokada dostawy prądu przez ZE, komunikat do regulatora
Czujnik prądu trójfazowego, komunikat do regulatora
Urządzenia zabezpieczające po stronie pierwotnej pompy ciepła
(przyłącza do X3.8/X3.9, X7.6/X7.7), czujnik prądu trójfazowego
(opcja), komunikat do regulatora
Zabezpieczające, wysokie ciśnienie, komunikat do regulatora
Niskie ciśnienie, komunikat do regulatora
Zapotrzebowanie z zewnątrz, komunikat do regulatora
Usterka nadążnej pompy ciepła w układzie kaskadowym, komunikat do
regulatora
Czujnik przepływu, komunikat do regulatora
Blokowanie z zewnątrz, komunikat do regulatora
Sterowanie silnika mieszacza zewnętrznej wytwornicy ciepła
Sygnał Mieszacz ZAMK. ~
Sterowanie silnika mieszacza zewnętrznej wytwornicy ciepła
Sygnał Mieszacz OTW. |
Sterowanie zewnętrznej wytwornicy ciepła
Zasilanie elektryczne do przekaźnika grupy 2
Sterowanie przepływowym podgrzewaczem wody grzewczej, stopień 2
Pompa obiegowa do dogrzewu wody użytkowej
(zewnętrzna wytwornica ciepła)
lub
Elektryczna wkładka grzewcza w pojemnościowym podgrzewaczu
wody
K 1
Stycznik sprężarki
X1, X2, X3
Listwy zaciskowe
X1 Przyłącze wszystkich przewodów ochronnych
X2 Przyłącze wszystkich przewodów zerowych
X3.3/X3.4
X3.2/X3.14
Czujnik przepływu obiegu studni lub mostek
Blokowanie z zewnątrz, Mieszacz Zamk. (wymagany beznapięciowy
zestyk zwierny), przy podłączaniu usunąć mostek
Blokada dostawy prądu przez ZE
Mostek (jeśli brak podłączonego elementu zabezpieczającego) lub
Wyłącznik ciśnieniowy obiegu pierwotnego lub/i czujnik ochrony przed
zamarzaniem
Mostek
Zewnętrzne zapotrzebowanie na pompę ciepła, Mieszacz OTW.,
przełączenie statusu roboczego (wymagany beznapięciowy zestyk
zwierny), przy podłączaniu usunąć mostek
X3.6/X3.7
X3.8/X3.9
X3.10/X3.11
X3.12/X3.13
Przełączona faza L1:
X3.1, X3.2, X3.3, X3.7, X3.11, X3.13
X7.6/X7.7 Mostek lub ochrona termiczna pompy pierwotnej