pojedynczy blok monta owy CETOP 3 z TÜV

Transkrypt

pojedynczy blok monta owy CETOP 3 z TÜV
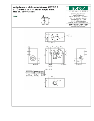
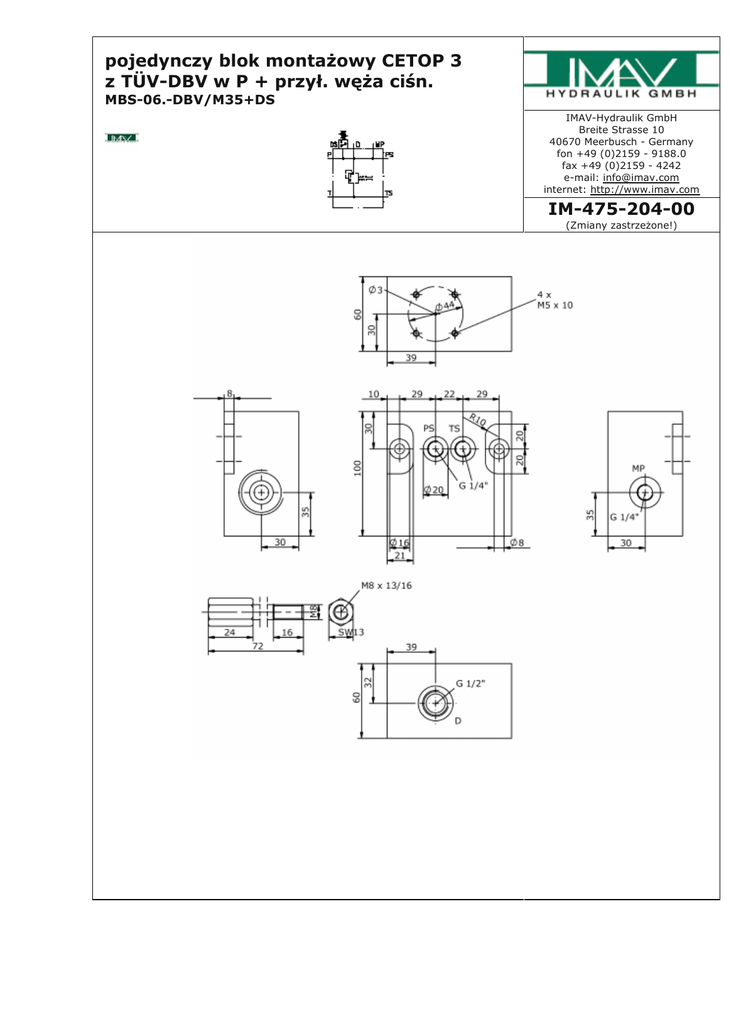
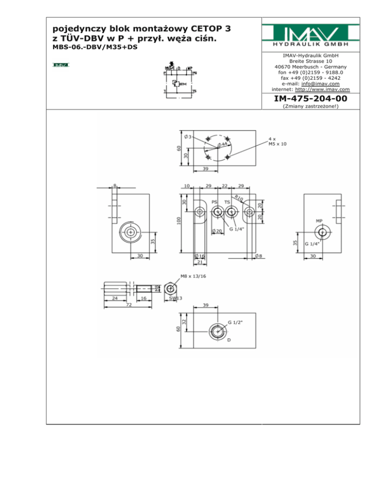
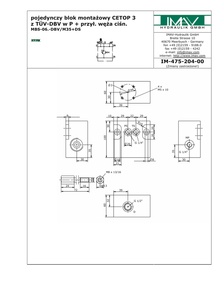
pojedynczy blok montażowy CETOP 3
z TÜV-DBV w P + przył. węża ciśn.
MBS-06.-DBV/M35+DS
IMAV-Hydraulik GmbH
Breite Strasse 10
40670 Meerbusch - Germany
fon +49 (0)2159 - 9188.0
fax +49 (0)2159 - 4242
e-mail: [email protected]
internet: http://www.imav.com
IM-475-204-00
(Zmiany zastrzeżone!)
pojedynczy blok montażowy CETOP 3
z TÜV-DBV w P + przył. węża ciśn.
MBS-06.-DBV/M35+DS
Przykład zamówienia:
MBS
- 06A - DBV/M35 + DS
IMAV-Hydraulik GmbH
Breite Strasse 10
40670 Meerbusch - Germany
fon +49 (0)2159 - 9188.0
fax +49 (0)2159 - 4242
e-mail: [email protected]
internet: http://www.imav.com
IM-475-204-00
(Zmiany zastrzeżone!)
Klucz typu:
wersja urządzenia
system sprzężeniowy IMAV
wielkość konstrukcyjna i materiał
06A = Alu (F37)
06S = stal (9SMnPb28K lub GGG-40)
otwór mocujący do Bosch-DBV (DBVTÜV)
otwór mocujący do BOSCH-DBV (DBV-TÜV)
DS = wyłącznik ciśnieniowy
wyłącznik ciśnieniowy
Dane techniczne
ciśnienie nominalne:
210 bar (A)
350 bar (S)
ciężar:
1,5 / 3,2 kg (A/S)
Do zakresu dostawy
należą:
do zakresu dostawy należą
2 szt. pierścieni uszczelniających 15,10 x 2,70
2 szt. ze śrubami wiążącymi