Wersja do druku

Transkrypt

Wersja do druku
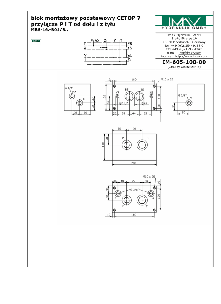
blok montażowy podstawowy CETOP 7
przyłącza P i T od dołu i z tyłu
MBS-16.-B01/B..
IMAV-Hydraulik GmbH
Breite Strasse 10
40670 Meerbusch - Germany
fon +49 (0)2159 - 9188.0
fax +49 (0)2159 - 4242
e-mail: [email protected]
internet: http://www.imav.com
IM-605-100-00
(Zmiany zastrzeżone!)
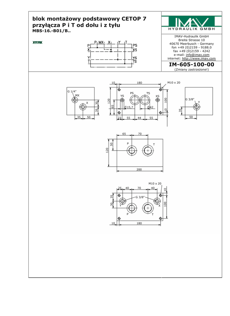
blok montażowy podstawowy CETOP 7
przyłącza P i T od dołu i z tyłu
MBS-16.-B01/B..
Przykład zamówienia:
MBS
- 16A - B01 / B08
IMAV-Hydraulik GmbH
Breite Strasse 10
40670 Meerbusch - Germany
fon +49 (0)2159 - 9188.0
fax +49 (0)2159 - 4242
e-mail: [email protected]
internet: http://www.imav.com
IM-605-100-00
(Zmiany zastrzeżone!)
Klucz typu:
wersja urządzenia
system sprzężeniowy IMAV
wielkość konstrukcyjna i materiał
16A = Alu (F37)
16S = stal (9SMnPb28K lub GGG-40)
przyłącza gwintowe P i T
B06 = P: G 3/4" i T: G 1"
B08 = P: G 1" i T: G 1 1/4"
B10 = P: G 1 1/4" i T: G 1 1/2"
blok podstawowy
blok podstawowy
Dane techniczne
ciśnienie nominalne:
210 bar (A)
350 bar (S)
ciężar:
7,5 / 15,5 kg (A/S)
Do zakresu dostawy
należą:
do zakresu dostawy należą
2 szt. pierścieni uszczelniających 12,42 x 1,78
2 szt. pierścieni uszczelniających 36,09 x 3,53