Wersja do druku

Transkrypt

Wersja do druku
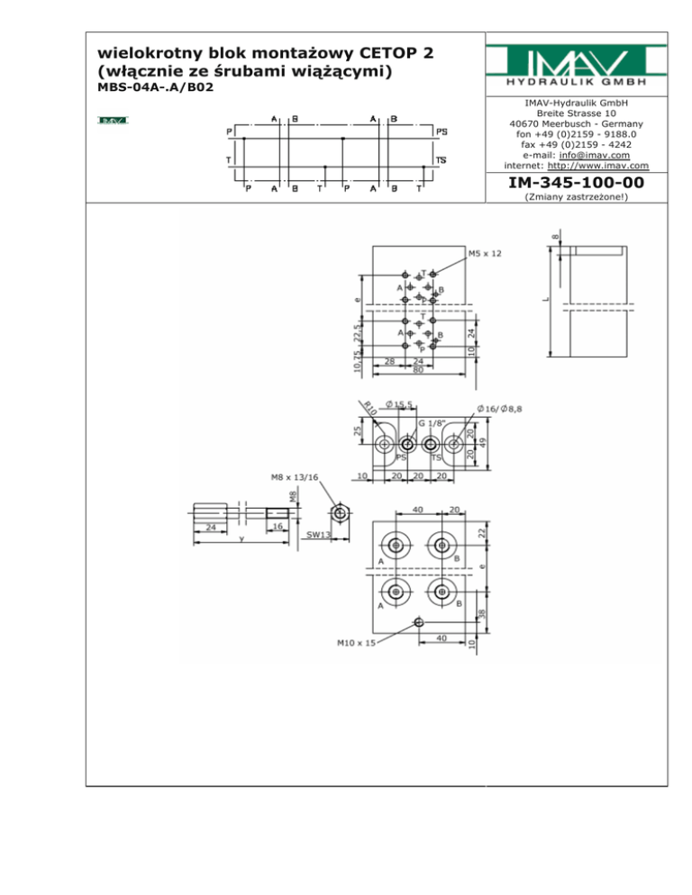
wielokrotny blok montażowy CETOP 2
(włącznie ze śrubami wiążącymi)
MBS-04A-.A/B02
IMAV-Hydraulik GmbH
Breite Strasse 10
40670 Meerbusch - Germany
fon +49 (0)2159 - 9188.0
fax +49 (0)2159 - 4242
e-mail: [email protected]
internet: http://www.imav.com
IM-345-100-00
(Zmiany zastrzeżone!)
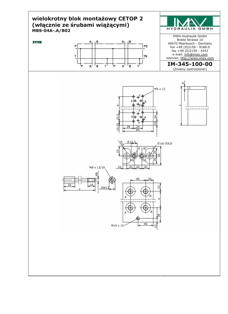
wielokrotny blok montażowy CETOP 2
(włącznie ze śrubami wiążącymi)
MBS-04A-.A/B02
Przykład zamówienia:
MBS
- 04A - 2A / B02
IMAV-Hydraulik GmbH
Breite Strasse 10
40670 Meerbusch - Germany
fon +49 (0)2159 - 9188.0
fax +49 (0)2159 - 4242
e-mail: [email protected]
internet: http://www.imav.com
IM-345-100-00
(Zmiany zastrzeżone!)
Klucz typu:
wersja urządzenia
system sprzężeniowy IMAV
ilość zaworów suwakowych sterując.
ilość zaworów suwakowych sterując.
wielkość konstrukcyjna i materiał
04A = Alu (F37)
przyłącza gwintowe A i B
B02 = G 1/4"
Dane techniczne
ciśnienie nominalne:
210 bar
ciężar:
Do zakresu dostawy
należą:
do zakresu dostawy należą
2 szt. pierścieni uszczelniających 10,77 x 2,62