E820-PB-OCS-PAB-TG-S..

Transkrypt

E820-PB-OCS-PAB-TG-S..
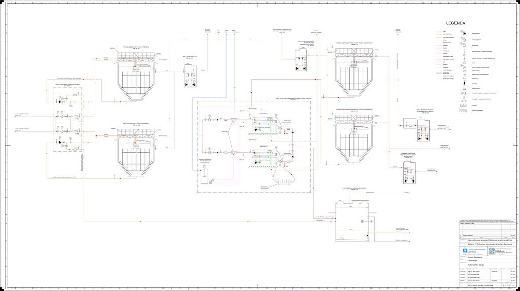
LEGENDA
KR3 ; KR4
do
filtru
woda
pitna
woda
technologiczna
do sieci
kanalizacji sanitarnej
ob. nr 07.x
osad
KR3 ; KR4
M
pompa wirowa
osad nadmierny
osad ustabilizowany
M
pompa wyporowa
biogaz
dezodoryzacja
OB. NR 11.1
flokulant
OB. NR 27.0
barierka
M
OB. NR 10.1
dmuchawa
FeSO4
pomost
kanalizacja
barierka
pomost
odcieki
M
dezodoryzacja
PROJ. POMPOWNIA LKT
OB. NR 31.0
M
max.
ogrzewanie zasilanie
min.
LKT
metanol
M
M
powietrze
LKT
woda pitna
max.
woda technologiczna
min.
M
pzepustnica
M
zastawka
OB. NR 25.0
M
M
M
M
OB. NR 12.0
mieszacz
M
dezodoryzacja
PROJ. POMPOWNIA OSADU
OB. NR 11.2
M
M
OB. NR 28.0
zageszczacz nr 1
ob. nr 02.1
M
M
pomost
szykany
barierka
pompa osadu
OB. NR 10.2
M
osad nadmierny
spust
M
barierka
ob. nr 02.2
mieszacze
M
min.
spust
M
dezodoryzacja
M
ob. nr 07.1-07.2
max.
M
pomost
M
M
dezodoryzacja
osad nadmierny
do ob. nr 19.0
M
LKT
M
M
szykany
pompa osadu
automatyczna kompletna
stacja przygotowania
polielektrolitu nr 1
MODERN. POMPOWNIA
RECYRKULACYJNA OSADU
NADMIERNEGO
OB. NR 20.0
spust
M
M
M
spust
osad nadmierny
max.
min.
M
M
dezintegrator
OB. NR 13.0
dezodoryzacja
do filtru
max.
M
TABELA REWIZYJNA
min.
do proj. budynku
operacyjnego przy WKF
ob. nr 14.0
0
Wydanie pierwsze
REW.
i = 5%
03.2012
TEMAT
PODPIS
DATA
NAZWA INWESTYCJI
przelew do kanalizacji
NAZWA ZADANIA
PROJEKTANT
FAZA PROJEKTU
Projekt Budowlany
Technologia
Schemat P&I. Osady
FUNKCJA
PODPIS
tech. Wincenty Gilak
SKALA
-
DATA
St-510/78
03.2012
-
03.2012
-
03.2012
St-279/85
03.2012
NR RYS.
E820-PB-OCS-PAB-TG-SH-0006
REW.
0
ARKUSZ
1/ 2
LP.
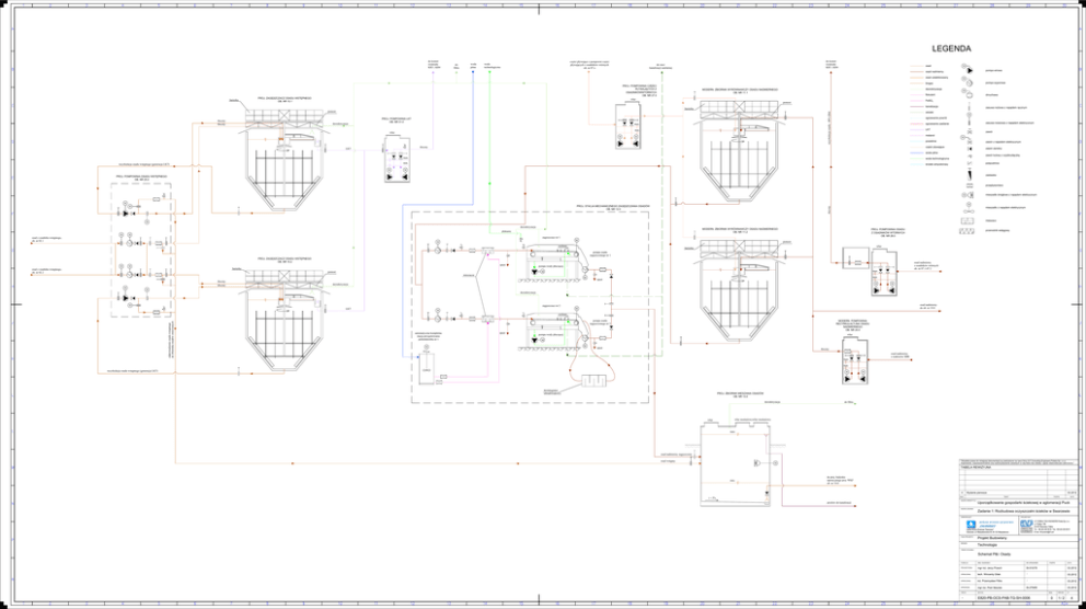
4
do
kanalizacji
do odsiarczalnika
osad
nadmierny
z ob. nr 20.0
FeSO4
z ob. nr 23.0
do
woda
filtru technologiczna
PROJ. STACJA METANOLU
OB. NR 19.1
do sita w
ob. nr 01.0
PROJ. POMPOWNIA
PROJ. POMPOWNIA PIANY
OB. NR 19.2
OB. NR 19.3
PROJ. ZBIORNIK WKF
OB. NR 15.1
PROJ. ZBIORNIK WKF
OB. NR 15.2
biogaz
M
biogaz
metanol
cieczowy
cieczowy
M
biogaz
M
OSADU PRZEFERMENTOWANEGO
OB. NR 16.1
biogaz
osad
osad
max.
max.
min.
min.
dezodoryzacja
M
M
M
M
M
M
LEGENDA
M
M
armatura zlokalizowana w
komorze przy obiekcie nr 19.0
max.
osad
M
pompa wirowa
osad nadmierny
osad ustabilizowany
do kanalizacji
do kanalizacji
M
pompa wyporowa
biogaz
min.
dezodoryzacja
M
M
M
flokulant
OB. NR 19.0
dmuchawa
FeSO4
M
kanalizacja
M
M
dekanter
M
odcieki
M
ogrzewanie zasilanie
M
M
M
M
LKT
metanol
M
powietrze
M
M
woda pitna
woda technologiczna
woda
technologiczna
pzepustnica
dezodoryzacja
zastawka
M
M
OSADU PRZEFERMENTOWANEGO
OB. NR 16.2
M
M
do komory KR3
M
M
M
M
max.
mieszacz
min.
PROJ. KOMPOSTOWNIA
PROJ. BUDYNEK OPERACYJNY PRZY WKF
OB. NR 14.0
opracowania)
zasilanie
woda
M
M
odpady zielone
z ob. nr 39.1 ; 39.2
powietrze
z ob. nr 33.3
M
M
M
M
M
odpady zielone
z ob. nr 39.1 ; 39.2
kompost do wykorzystania rolniczego
odpady zielone
do ob. nr 39.1 ; 39.2
mieszacz osadu
woda
mieszacz osadu
OB. NR 17.0
dmuchawa nr 1
zasilanie
suwnica natorowa
dmuchawa nr 2
M
M
M
woda
M
Q=6 ton
zasilanie
M
PROJ. BOKS MAGAZYNOWY
OSADU ODWODNIONEGO
OB. NR 17.0
woda
zasilanie
TABELA REWIZYJNA
M
pH
M
automatyczna kompletna
stacja przygotowania
polielektrolitu nr 2
pH
0
Wydanie pierwsze
03.2012
TEMAT
REW.
M
M
M
M
M
DATA
NAZWA INWESTYCJI
M
M
M
NAZWA ZADANIA
M
M
PODPIS
M
M
M
M
automatyczna kompletna
stacja przygotowania
polielektrolitu nr 3
osad zmieszany
z ob. nr 13.0
PROJEKTANT
FAZA PROJEKTU
Projekt Budowlany
Technologia
M
mieszanie osadu przed wymiennikami (alternatywa)
Schemat P&I. Osady
mieszanie osadu przed wymiennikami (alternatywa)
FUNKCJA
PODPIS
tech. Wincenty Gilak
woda
technologiczna
woda
pitna
SKALA
-
DATA
St-510/78
03.2012
-
03.2012
-
03.2012
St-279/85
03.2012
NR RYS.
E820-PB-OCS-PAB-TG-SH-0006
REW.
0
ARKUSZ
2/ 2
LP.
4