Zawór zwrotny kołnierzowy prosty Nr kat. 444 - Ar-Pol

Transkrypt

Zawór zwrotny kołnierzowy prosty Nr kat. 444 - Ar-Pol
®
Fabryka Armatur
„Gáuchoáazy” S.A.
Rok wydania
Zawór zwrotny koánierzowy prosty
Nr kat. 444
2008
Wydanie nr
odmiany
x 444WM-wykonanie morskie
x 444A-wykonanie kwasoodporne
IV
Karta nr
DN 15÷25 / PN 4,0 MPa / Tmax=450ºC
025
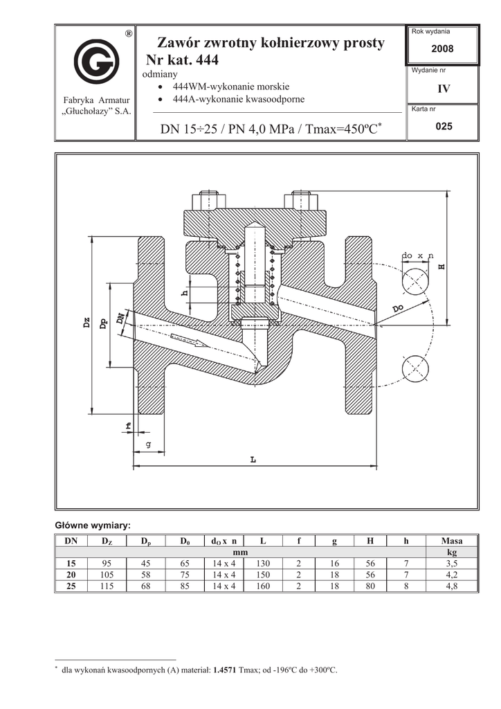
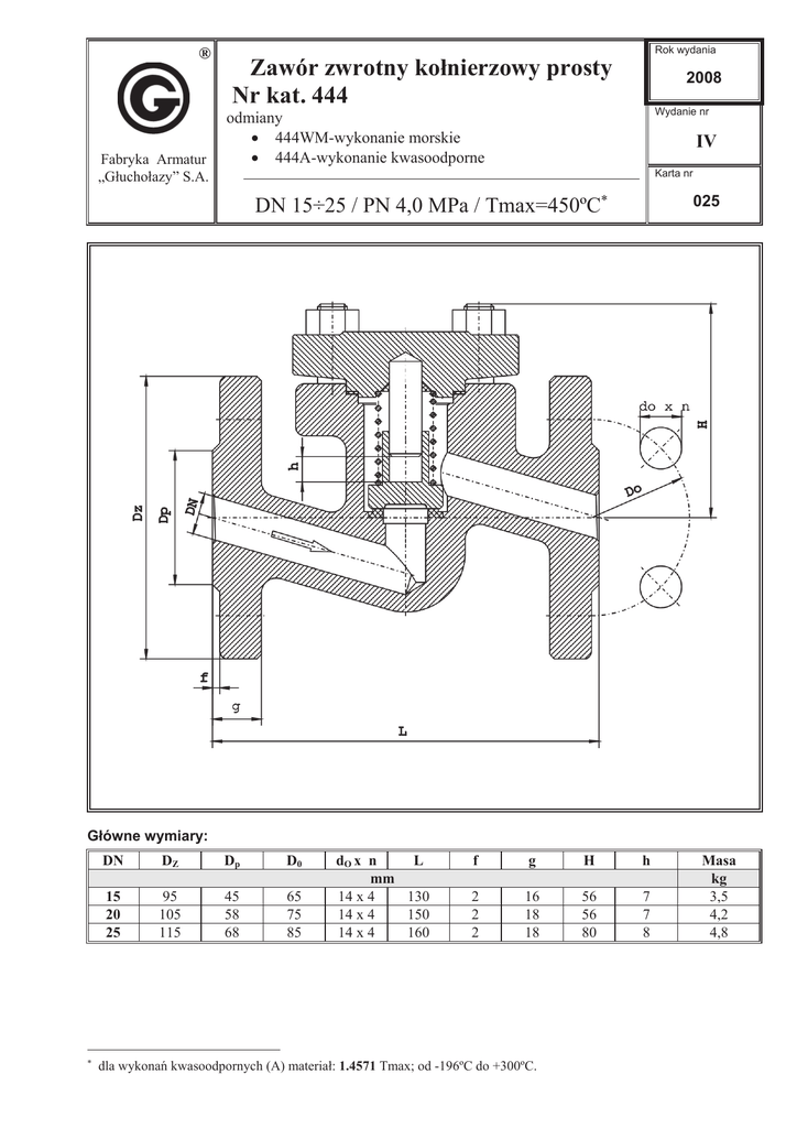
Gáówne wymiary:
DN
DZ
Dp
D0
15
20
25
95
105
115
45
58
68
65
75
85
dO x n
L
mm
14 x 4
130
14 x 4
150
14 x 4
160
f
g
H
h
2
2
2
16
18
18
56
56
80
7
7
8
dla wykonaĔ kwasoodpornych (A) materiaá: 1.4571 Tmax; od -196ºC do +300ºC.
Masa
kg
3,5
4,2
4,8
Zastosowanie :
Zawory zwrotne, jako zawory jednokierunkowe, sáuĪą do zabezpieczania rurociągów oraz urządzeĔ przed
wstecznym przepáywem czynnika roboczego. Zawory moĪna montowaü na rurociągach poziomych lub
pionowych. Przy montowaniu na rurociągu naleĪy zwracaü uwagĊ na kierunek przepáywu czynnika, który powinien
byü zgodny z oznaczeniem na kadáubie.
Czynnik roboczy :
Zawory przeznaczone są do wody, pary, oleju oraz innych neutralnych czynników ciekáych i gazowych w
przedziale temperatur od -10qC do 450 qC, w wykonaniu morskim WM- do pracy w warunkach morskich i do
wody morskiej- w wykonaniu kwasoodpornym do czynników aktywnych chemicznie takich jak kwasy,
zasady, roztwory soli itp.
Zakres stosowania :
NajwiĊksze ciĞnienie robocze przy temp. czynnika [K]
(qC)
CiĞnienie
nominalne
PN
[MPa]
263 do 393 K
( do 120 qC)
473 K
(200 qC)
523 K
(250 qC)
573 K
( 300 qC)
623 K
(350 qC)
673 K
(400 qC)
723 K
(450 qC)
1.0460
4,0
3,5
3,2
2,8
2,4
2,1
1,8
1.4571
4,0
3,6
3,4
3,2
Szczegóáowe informacje zawiera wykres „Dopuszczalne parametry robocze armatury dla stosowanych
materiaáów” (Ukáad p/t) w IV czĊĞci katalogu.
Materiaáy podstawowe:
Materiaá
Nazwa czĊĞci
Standard
wykonanie morskie
kwasoodporne
1.0460
1.0460
1.4571
Siedlisko kadáuba
18-8 Cr-Ni
18-8 Cr-Ni
1.4571
Pokrywa
1.0460
1.0460
1.4571
Siedlisko grzyba
13 Cr
17 Cr
18-8 Cr-Ni
Uszczelnienie
Grafit
Grafit
Grafit
Kadáub
Uwagi :
1.
2.
3.
4.
5.
6.
7.
Koánierze zaworów wykonanie standard: z przylgą -„B1” wg PN-EN 1092-1:2004, owiercone wg PN-EN 10921:2004.
Na Īyczenie wykonujemy inne rodzaje przylgi zgodnie z PN-EN 1092-1:2004, ANSI, BS, DIN lub teĪ wg
indywidualnych potrzeb klienta.
Wykonujemy równieĪ zawory z koánierzami na ciĞnienia PN (0,6 ÷2,5) [MPa ].
Wymagania i badania techniczne zaworów wg PN-EN 12266-1:2003.
Klasa szczelnoĞci D wg PN-EN 12266-1:2003 (na Īyczenie klienta wykonujemy zawory na wyĪsze klasy
szczelnoĞci).
DáugoĞü budowy wg PN-EN 558-1:2001.
ĝwiadectwo odbioru wg Īyczenia Klienta-wg PN-EN 10204:2005.
Zawory w wykonaniu morskim-WM wykonujemy zgodnie z normą PN-W-74017:1998, na Īyczenie
Klienta zawory mogą podlegaü odbiorowi Towarzystw Klasyfikacyjnych: GL, LRS, BV, DNV, PMPC (RMRS),
ABS, RINA.
UWAGA – W zapytaniu / zamówieniu prosimy o podanie norm i typu przyáącza oraz medium i parametry pracy.
®
Producent i dostawca:
Adres:
Fabryka Armatur
„Gáuchoáazy” S.A.
48-340 Gáuchoáazy
ul. Wrocáawska 1A
tel.: 077 / 439 19 44
fax: 077 / 439 19 46
e-mail: [email protected]
http: www.fagsa.com.pl
Producent zastrzega moĪliwoĞü wprowadzenia zmian w wyrobach bez powiadamiania.