Zawór zaporowy kołnierzowy prosty Nr kat.430 - Ar-Pol

Transkrypt

Zawór zaporowy kołnierzowy prosty Nr kat.430 - Ar-Pol
®
Zawór zaporowy koánierzowy prosty
Nr kat.430
Rok wydania
2008
Wydanie nr
IV
Fabryka Armatur
„Gáuchoáazy” S.A.
Karta nr
DN 32÷100 / PN 10,0 MPa / Tmax=450ºC
013
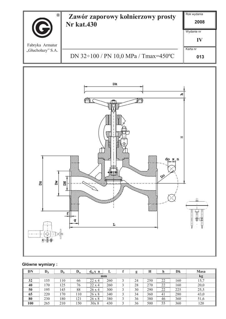
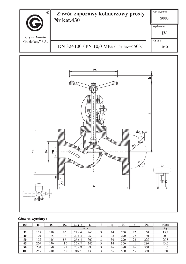
Gáówne wymiary :
DN
DZ
D0
Dw
dO x n
32
40
50
65
80
100
155
170
195
220
230
265
110
125
145
170
180
210
66
76
88
110
121
150
22 x 4
22 x 4
26 x 4
26 x 8
26 x 8
30x 8
L
mm
260
260
300
340
380
430
f
g
H
h
Dk
3
3
3
3
3
3
24
28
30
34
36
36
250
270
290
360
380
500
22
22
22
41
46
55
160
160
225
280
360
360
Masa
kg
15,7
20,0
25,5
43,0
51,6
120
Zastosowanie :
Zawory zaporowe koánierzowe moĪna montowaü w dowolnym poáoĪeniu na rurociągach, zwracając jedynie
uwagĊ na prawidáowy kierunek przepáywu czynnika, który powinien byü zgodny z oznaczeniem na kadáubie.
Zawory przeznaczone są do odcinania przepáywu czynnika roboczego. W wykonaniu z grzybem
regulacyjnym sáuĪą ponadto do dáawienia przepáywu.
Czynnik roboczy :
Zawory przeznaczone są do wody, pary, oleju oraz innych neutralnych czynników ciekáych i gazowych w
przedziale temperatur od -10qC do 450 qC.
Zakres stosowania :
CiĞnienie
nominalne
263 do 393 K
PN
[MPa]
(- 10 do 120 qC)
10,0
10,0
NajwiĊksze ciĞnienie robocze przy temp. czynnika [K]
(qC)
473 K
523 K
573 K
623 K
673 K
(200 qC)
(250 qC)
( 300 qC)
(350 qC)
(400 qC)
8,0
7,0
6,0
5,6
5,0
723 K
(450 qC)
4,4
Szczegóáowe informacje zawiera wykres „Dopuszczalne parametry robocze armatury dla stosowanych
materiaáów” (Ukáad p/t) w IV czĊĞci katalogu.
Materiaáy :
Nazwa czĊĞci
Materiaá
1.0619
Kadáub
18-8 Cr-Ni
Siedlisko kadáuba
Pokrywa
1.0619
TrzpieĔ
13 Cr
Siedlisko grzyba
13 Cr
Uszczelnienie
Grafit
Uwagi :
1.
2.
3.
4.
5.
6.
Koánierze zaworów wykonanie standard: z wpustem -„F” wg PN-EN 1092-1:2004, owiercone wg PN-EN
1092-1:2004.
Na Īyczenie wykonujemy inne rodzaje przylgi zgodnie z: PN-EN 1092-1:2004, ANSI, BS, DIN lub teĪ
wg indywidualnych potrzeb klienta.
Wykonujemy równieĪ zawory z koánierzami na ciĞnienia PN 6,3 [MPa ]-Nr kat 412.
Wymagania i badania techniczne zaworów wg PN-EN 12266-1:2003.
Klasa szczelnoĞci A wg PN-EN 12266-1:2003.
DáugoĞü budowy wg PN-EN 558-1:2001.
ĝwiadectwo odbioru wg Īyczenia Klienta-wg PN-EN 10204:2005.
UWAGA – W zapytaniu / zamówieniu prosimy o podanie norm i typu przyáącza oraz medium i parametry pracy.
®
Producent i dostawca:
Adres:
Fabryka Armatur
„Gáuchoáazy” S.A.
48-340 Gáuchoáazy
ul. Wrocáawska 1A
tel.: 077 / 439 19 44
fax: 077 / 439 19 46
e-mail: [email protected]
http: www.fagsa.com.pl
Producent zastrzega moĪliwoĞü wprowadzenia zmian w wyrobach bez powiadamiania.