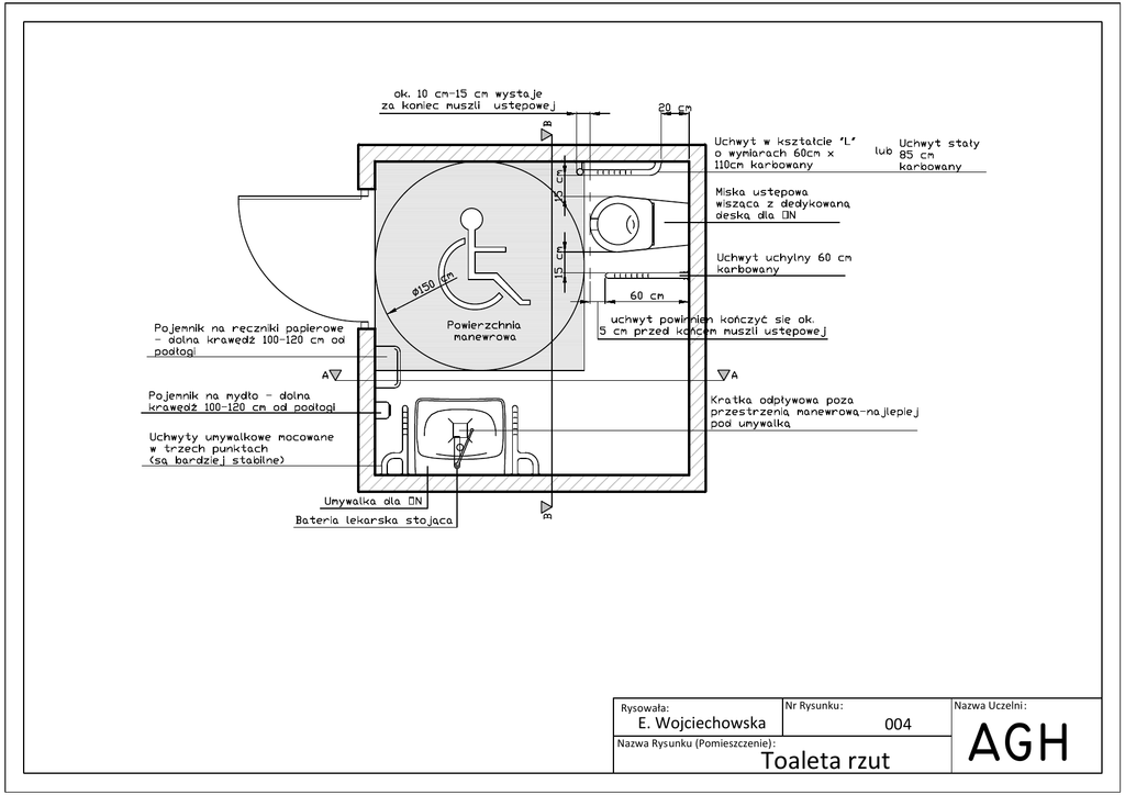
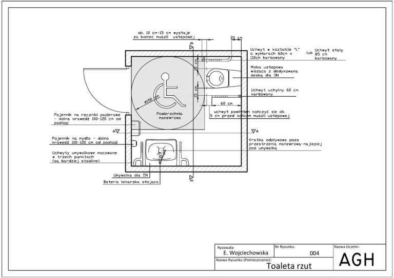
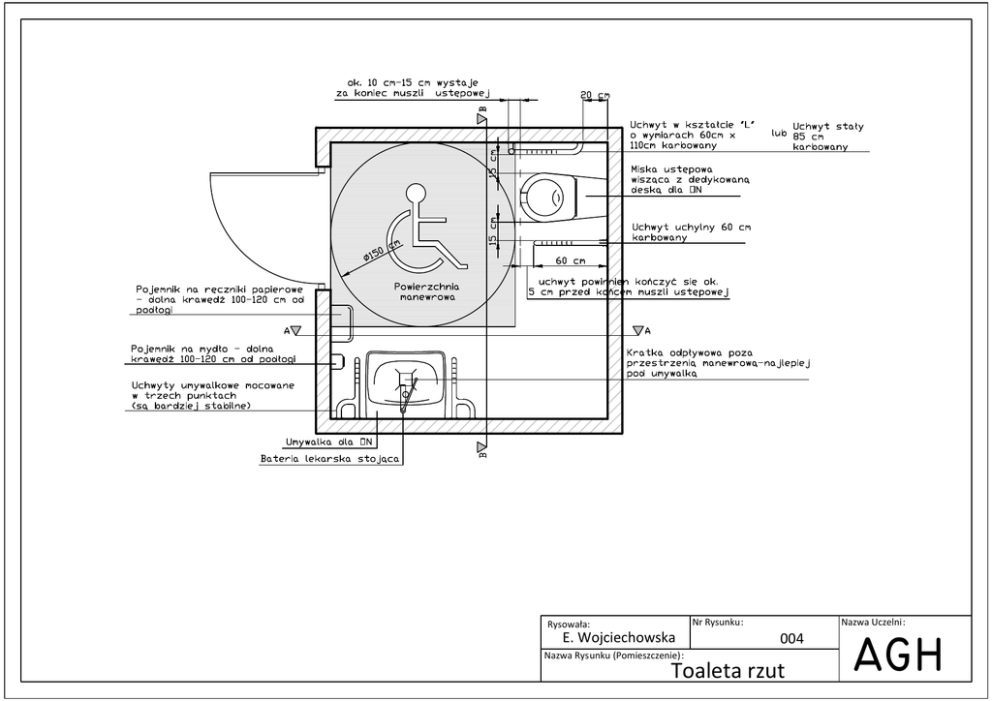
Toaleta rzut

Transkrypt

Toaleta rzut
Nr Rysunku:
Ryso
E. Wojciechowska
Nazwa Rysunku (Pomieszczenie):
Nazwa Uczelni:
004
Toaleta rzut