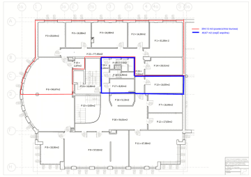
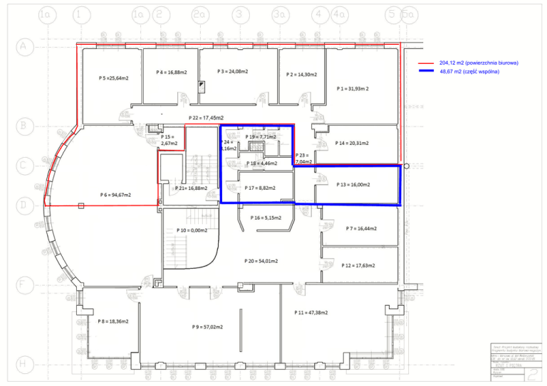
204,12 m2 (powierzchnia biurowa) 48,67 m2 (część wspólna)

Transkrypt

204,12 m2 (powierzchnia biurowa) 48,67 m2 (część wspólna)
204,12 m2 (powierzchnia biurowa)
48,67 m2 (część wspólna)