S ie ć w o d o cią g o w a Gra b ó w n a d W isłą
Transkrypt
										S ie ć w o d o cią g o w a Gra b ó w n a d W isłą
                                        
                                        
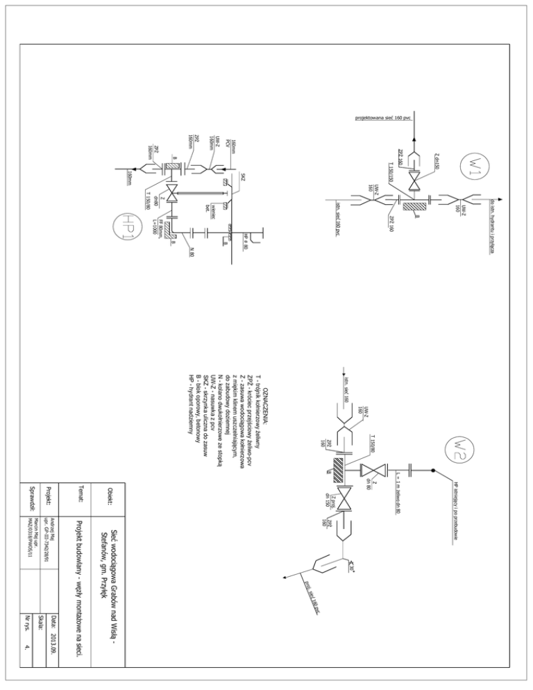
                                projektowana sieć 160 pvc Z dn150 SKZ T 150/150 ZPŻ 160 160mm PCV UW-Z 160mm ZPŻ 160mm B ZPŻ 160mm do istn. hydrantu i przyłącza UW-Z 160 B ZPŻ 160 FF 80mm, L=1000 B B N 80 HP ∅ 80 istn. sieć 160 pvc wieniec bet. Z dn80 T 150/80 UW-Z 160 160mm istn. sieć 160 UW-Z 160 T 150/80 ZPŻ 160 OZNACZENIA: T - trójnik kołnierzowy żeliwny ZPŻ - króciec przejściowy żeliwo-pcv Z - zasuwa wodociągowa kołnierzowa z miękim klinem uszczelniającym, do zabudowy doziemnej N - kolano dwukołnierzowe ze stopką UW-Z - nasuwka z pcv SKZ - skrzynka uliczna do zasuw B - blok oporowy, betonowy HP - hydrant nadziemny ZPŻ 160 30 p ro eć j . si pvc 160 Sieć wodociągowa Grabów nad Wisłą Stefanów, gm. Przyłęk HP istniejący i po przebudowie Z dn 80 Z proj. dn 150 L = 1 m żeliwo dn 80 B Obiekt: Andrzej Maj upr. GP-III-7342/28/91 Skala: Nr rys. 4. Data: 2013.09. Projekt budowlany - węzły montażowe na sieci. Projekt: Marcin Maj upr. MAZ/0318/PWOS/11 Temat: Sprawdził:
 doc
                    doc download
															download                                                         Reklamacja
															Reklamacja                                                         
		     
		     
		     
		     
		     
		     
		     
		     
		    