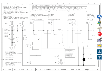
Am : 9960 Visa : 13014091-A Mtz Art. N°: N° de - Wolf

Transkrypt

Am : 9960 Visa : 13014091-A Mtz Art. N°: N° de - Wolf
1
2
La protection de l'installation doit être
conforme aux normes en vigueur.
La protezione dell'installazione deve essere in
A conformità alle norme in vigore.
La protecciòn de la installaciòn debe ser en
conformidad con las normas en vigor.
Protection of the installation must comply with
the actual norms.
Der Schutz der Anlage muss den geltenden
Normen entsprechen.
Bescherming van de installatie moet in overeenstemming volgens de normen die van kracht zijn.
3
4
5
6
7
8
Chaudière / Caldaia / Caldera / Boiler / Kessel / Ketel
Mise à la terre conformément au réseau local / Messa a terra in conformità alla rete locale
Puesta a tierra en conformidad con la red local / Earthing in accordance with the local regulation
Erdung nach örtlichen Vorschriften / Aarding in overeenstemming met her plaatselijk net
F1
Th./pr. sécurité
Termostado di sicurezza
Limitador de sobrecalentamiento
Safety limiter
Sicherheitsbegrenzer
Beveiling thermostaat
S6
Limiteur
Limitadore
Limitador
Limiter
Begrenzer
Beperkingthermostaat
S5
Déverouillage
Sbloccaggio
Desbloqueo
Reset
Fernentr.
Ontgrendeling
S7
2 allures ou PID
2 stadi o PID
2 etapas o PID
2 stages or PID
2 Stufig oder PID
2 trap of PID
B
N L1
L1 L2L3
1
3
5
Q1
C
2
4
6
10 A
PE
Brûleur
Bruciatore
Quemador
Burner
B r e n n e r K.15
Brander
T
3
1
4
2
T
P
3
5
2
4
6
3
80
296 297 81
1
3
5
F/2.7
401
82
83
402
403
X2
74
73
P
2
4
174
N
18
85
86
84
F10
97 95
19
6,3 A
6
H/3.2
98 96
3
.5
4
E/2.3
A/4.5
6 7
A1
U
V
W
PE
1
3
2
4
1
Bornier interne
Morsettiera interna
Cajetín de conexiones interno
Internal terminals
Interne Klemmleiste
Intern aansluitblok
16.06.03
3
LFL 1...
2
16
Postventilation(7)
Postventilazione(7)
Postventilacion(7)
63
Postventilation(7)
1
95
X1
Naventilatie(7)
96
A1
H10
K1
X2
8
Nachspulung(7)
F12
.1
Date :
21
S1
M
3~
Bornier principal
Morsettiera principale
Cajetín de conexiones principal
Main terminals
Hauptklemmleiste
Hoofdaansluitblok
Am : 9960
4
1
B/3.5
L 0 T
F
T
2
U V W
M1
S7
X1
S5
P
2
L10
2
D
1
C/4.5
1
F12
E
S6
1
Q2
L1
L2
L3
...A
F1
230V
50Hz
N
L10
PE
Tri 400V
50Hz
A2
1
2
3
4
5
6
13
14
H15
T2
.1
.1
.1
N
N/2.1
Visa : Mtz
Art. N°:
13014091-A N° de schéma :
G03.1.0306
Page :
1 /
6
1
A
2
3
Rampe gaz / Rampa gas/
Gas train / Gasrampe /
4
5
Rampa de gas
Gasverdeelbuis
6
Rampe gaz / Rampa gas/
Gas train / Gasrampe /
L & G
7
8
Rampa de gas
Gasverdeelbuis
Option/Opzione/Opcione/
Option/Option/Optie
A3
2
MIN. P
2
Y15
Y13
F4
1
F4.
P
1
2
B
2
MIN.
P
Y15
P
1
T8
1
X3S
1
2
PE
3
2
X4S
X3B
VPS 504
S02
Y13
1
1
3
PE
X3S
X4B
PE 1
2
3
X3B
T6
B5
N
N
PE
60
404
PE
L1
2
1
PE 2
N
PE 51
X4S
T7
X4B
C
H11
D
Brûleur
Bruciatore
Quemador
Burner
Brenner
Brander
N
51
PE
56
55
54
PE
115
N
PE 55 56 54
61
405
E/1.5
A1
LFL 1...
18
5
22
23
24
4
13 12
14
11
B10
E
F/1.3
12
5
10
H4
G/3.6
90
91
90
91
94
71
70
72
7
H4.1
P4
h
B1
H4.2
P
P
1
B2
F
F6
2
+
N/1.8
Am : 9960
N/3.1
Date :
16.06.03
Visa : Mtz
Art. N°:
13014091-A N° de schéma :
G03.1.0306
Page :
2 /
6
1
2
3
4
5
6
7
8
A
B
Brûleur
Bruciatore
Quemador
Burner
Brenner
Brander
A1
A
B
C
A
B
C
PE
A1
B1
C1
A
B
C
LFL 1...
8
9
11
10
B/1.8
B/4.3
M/4.1
H/1.8
C
H/4.3
I/4.2
G/2.4
N
D
E
11
1
2
N 11
1
2
Y10
I
M
1
~
II
3
22
13
3
4
23
III
14
4
IV
24
15
5
15
5
V
25
16
6
16
6
26
17
7
17
7
VI
27
27
VII
OPTION
F
OPTION
SQM10/20
N/2.7
Am : 9960
N/4.1
Date :
16.06.03
Visa : Mtz
Art. N°:
13014091-A N° de schéma :
G03.1.0306
Page :
3 /
6
1
2
3
4
5
6
8
Régulation / Regolazione / Regulacion
Regulation / Regler / Regeling
A
Sonde / Sonda / Sonda
Probe / Sonde / Sensor
230V
B
7
178
Brûleur
Bruciatore
Quemador
Burner
Brenner
Brander
189
181
182
183
184
185
186
LFL 1...
A1
A/1.4
20
13
M0A
C
1
3
2
4
S2
14
C/1.8
17
D
-
+
1
3
13
S3
E
M/3.6
I/3.5
6
9
K6
2
4
16
15
.4
B/3.5
1
2
3
4
5
6
13
14
H3
P2
6
7
8
14
.4
8
5
.5
H/3.3
5
7
K6
K6
.4
6
.5
A1
h
H2
K6
t:10s
F
A2
.5
N/3.8
Am : 9960
Date :
16.06.03
Visa : Mtz
Art. N°:
13014091-A N° de schéma :
G03.1.0306
Page :
4 /
6
1
2
3
4
5
6
7
8
A
"FR"
B
C
"IT"
"ES"
A1
Coffret de contrôle
Programmatore di comando
Caja de mando y seguridad
Control and safety unit
Feuerungsautomat
Bedienings en veiligheidskoffer
A3
Contrôle d'étancheité
Controllo della tenuda
Control de estanqueidad
Tightness controller
Dichtheitskontrollgerät
Afdichtingscontrole
B1
Electrode d'ionisation
Elettrodo d'ionizzazione
Electrodo de ionizacion
Ionisation electrode
Ionisationselectrode
Ionisatie-elektrode
E
"DE"
"NL"
B2
Option QRA
Opzione QRA
Opcion QRA
Option QRA
Option QRA
Optie QRA
B10
Pont de mesure
Ponte di misura
Puente de medicion
Current bridge
Messbruecke
Meetbrug
F4
Manostat gaz min.
Pressostato gas
Presostato de gas
Min gas pressure switch
G a s d r u c kw ä c h t e r m i n .
Gaspressostaat
F6
Manostat d'air
Pressostato aria
Presostato de aire
Air pressure switch
Luftdruck wächter
Luchtpressostaat
F10
Fusible
Fusibile
Fusible
Control fuse
Sicherung
Zekering
F12
Protection thermique M1
Protezione termica M1
Proteccion termica M1
Thermal protection M1
Wärmeschutz M1
Thermische bescherming M1
H2
Débit intermédiaire
Portata intermedia
Caudal intermedio
Intermediate flow-rate
Durchsatz Zwischenstufe
Tussenliggend debiet
H3
Plein régime
Pieno regime
A toda marcha
Full power
Vollbetrieb
Volle vermogen
Fonctionnement vannes
Funzionamento valvole
Funcionamiento válvulas
Valve mode
Ventilbetrieb
Werking ventielen
H15
Fonctionnement transfo.
Funzionamento trasformatore
Funcionamiento transformador
Transformer mode
Transformatorbetrieb
Werking transformator
H11
Manque de gaz
Mancanza del gas
Ausencia de gas
Gas lack
Gasmangel
Gasgebrek
K..
Contacteur/relais
Contattore/relè
Contacto/relé
Contactor/relay
Schalter/Relais
Contactor/relais
M1
Moteur du brûleur
Motore del bruciatore
Motor del quemador
Burner motor
Brennermotor
Brandermotor
P2/P4
Compteur horaire
Contaore
Contador horario
Running hours meter
Betriebstundenzaehler
Uurteller
S1/H10
Marche/arrêt
Acceso/spento
Marcha/Parada
On/off
Ein/Aus
Aan/Uit
S2
Inter. man.-auto.
Interr. man/auto
Interruptor manual/auto
Man./auto. response
Wahlschalter man.-autom.
Schakelaar man./auto
S3
Inter. +/-
Interr. +/-
Interruptor +/-
+/- switch
Schalter +/-
Schak. +/-
H4/H4.1/
H4.2
D
"GB"
T2
Transfo.
Trasformatore
Transformador de encendido
Ignition transfo.
Zündtrafo.
O n t s t e k i n g st-r a n s f o r m a t o r
Y10
Servomoteur
Servomotore
Servomotor
Damper motor
Stellantrieb
Servomotor
Y13
Vanne gaz principale
Valvola principale gas
Valvula de gas principal
Gas valve burner side
Gasventil gasseitig
Hoofdafsluiter gas
Y15
Vanne gaz de sécurité
Valvola sicurezza gas
Valvula de seguridad
Safety gas valve
Sicherheitsgasventil
V e i l i g h e i d s a f s l u i t e rg a s
M/A par télécommande
Acceso/spento con telecomando
Marcha/Parada mediante telemando
ON/OFF by remote control
Ein/Aus ferngesteuert
Aan/Uit met afstandsbesturing
296/297
de gas
F
Am : 9960
Date :
16.06.03
Visa : Mtz
Art. N°:
13014091-A N° de schéma :
G03.1.0306
Page :
5 /
6
1
2
3
Y10
M1
M
M
4
5
6
7
8
F6
A
Air
Aria
Aire
Air
Luft
Lucht
PSA
103
101
T2
B
Y13
Y15
PSA
Gaz
Gas
110
108
106
F4
A3
PdSA
C
F4
F6
M1
D
Pressostato gas
Presostato de gas
Min gas
pressure
Gasdruckwächter min.
Luftdruckwächter
Pressostato aria
Presostato de aire
Air pressure
Motore del bruciatore
Motor del quemador
Burner motor
Brennermotor
Brandermotor
Gaspressostaat
Luchtpressostaat
T2
Transfo.
Trasformatore
Transformador de
encendido
Ignition
transfo.
Zündtrafo.
Ontstekingstransformator
Y10
Servomoteur
Servomotore
Servomotor
Damper motor
Stellantrieb
Servomotor
Vanne gaz
principale
Vanne gaz
de sécurité
Valvola principale
gas
Valvola sicurezza
gas
Valvula de gas
principal
Valvula de seguridad
de gas
Gas valve
burner side
Gasventil
Brennerseitig
Sicherheitsgasventil
101
Ventilateur
Ventilatore
Ventilador
Impeller
Ventilator
Ventilator
103
Volet d'air
Serranda aria
Trampilla de aire
Air-damper
Luftklappe
Luchtklep
106
Filtre
Filtro
Filtro
Filter
Filter
Filter
108
Vanne manuelle
Valvola manuale
Valvula manual
Manual valve
Handventil
Manuele ventiel
110
Injecteur gaz
Ugello gas
Inyector de gas
Gas injector
Gasinjektor
Gasinjector
Control de estanqueidad
Tightness control
Dichtkontrolle
Afdichtingscontrole
Y13
Y15
E
Manostat
gaz min.
Manostat
d'air
Moteur du
bruleur
Safety gas valve
Hoofdafsluiter gas
Veiligheidsafsluiter gas
F
Options/Opzione/Opciones/Options/Optionen/Optie
A3
Controle
d'étanchéité
Am : 9960
Date :
Controllo della tenuda
16.06.03
Visa : Mtz
Art. N°:
13014091-A N° de schéma :
G03.1.0306
Page :
6 /
6