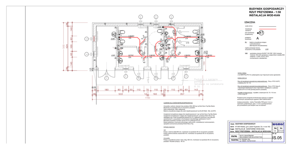
BUDYNEK GOSPODARCZY RZUT PRZYZIEMIA

Transkrypt

BUDYNEK GOSPODARCZY RZUT PRZYZIEMIA
BUDYNEK GOSPODARCZY
RZUT PRZYZIEMIA - 1:50
INSTALACJA WOD-KAN
woda zimna
-0,60
kanalizacja
sanitarna
-0,60
-0,60
pion kanalizacji
projektowany
kanalizacji
( jednoobwodowa alternatywnie dwuobwodowa)
od poziomu 0.00 posadzki
-0,60
-0
,6
7
-0,75
-1,45
zasilenie:~1,230V, 50 Hz, 29 W
+2,30
-1,70
WODA ZIMNA
KANALIZACJA
- Rury z PVC-U/(HT)
- Rury z PVC klasy S.
z PVC-U typ HT
Przej cia przez przegrody konstrukcyjne wykona w tulejach
ochronnych uszczelnionych zgodnie z BN-72/8976-50/52.
wykonaniu podtynkowym, grub. 11 mm w pomiesczeniach
BUDYNEK GOSPODARCZY
Uchwyty wsporcze
WC
INSTALACJE SANITARNE WOD-KAN,
RZUT PRZYZIEMIA - INSTALACJA WOD-KAN
1:50
posadzki.
Umywalka
IS.05

Podobne dokumenty