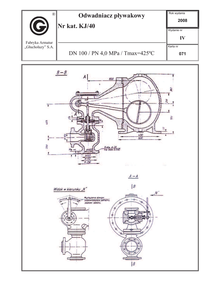
Odwadniacz pływakowy Nr kat. KJ/40 - Ar-Pol

Transkrypt

Odwadniacz pływakowy Nr kat. KJ/40 - Ar-Pol
®
Odwadniacz páywakowy
Rok wydania
2008
Nr kat. KJ/40
Wydanie nr
IV
Fabryka Armatur
„Gáuchoáazy” S.A.
Karta nr
DN 100 / PN 4,0 MPa / Tmax=425ºC
071
Zastosowanie :
Odwadniacze przeznaczone są do ciągáego odprowadzania kondensatu. Zasadniczo stosowane są przy oddzielaczach
pary dla turbin niskoparametrowych jak równieĪ przy wszelkiego rodzaju wymiennikach ciepáa.
Czynnik roboczy :
Kondensat pary.
Zakres stosowania :
CiĞnienie
nominalne
PN
[MPa]
373 K
(100 qC)
4,0
3,5
NajwiĊksze ciĞnienie robocze przy temp. czynnika [K]
(qC)
473 K
573 K
623 K
673 K
(200 qC)
(300 qC)
( 350 qC)
(400 qC)
2,85
2,34
2,20
2,12
698 K
(425 qC)
2,08
Szczegóáowe informacje zawiera wykres „Dopuszczalne parametry robocze armatury dla stosowanych
materiaáów” (Ukáad p/t) w czĊĞci IV katalogu.
Materiaáy :
Nazwa czĊĞci
Kadáub
Komora páywakowa
Pokrywa
TrzpieĔ
Grzyb
Siedlisko
Páywak
Materiaá
1.0619
1.0619
1.0619
13 Cr
13 Cr
13 Cr
18-8 Cr-Ni
Uwagi :
1.
2.
3.
Koánierze zaworów wykonanie standard: z przylgą -„B1” i owiercone wg PN-EN 1092-1:2004.
Na Īyczenie wykonujemy inne rodzaje przylgi zgodnie z PN-EN 1092-1:2004, ANSI, BS, DIN lub teĪ wg
indywidualnych potrzeb klienta.
Wymagania i badania techniczne zaworów wg PN-EN 12266-1:2003.
ĝwiadectwo odbioru wg Īyczenia Klienta-wg PN-EN 10204:2005.
UWAGA – W zapytaniu / zamówieniu prosimy o podanie norm i typu przyáącza oraz medium i parametry pracy.
®
Producent i dostawca:
Adres:
Fabryka Armatur
„Gáuchoáazy” S.A.
48-340 Gáuchoáazy
ul. Wrocáawska 1A
tel.: 077 / 439 19 44
fax: 077 / 439 19 46
e-mail: [email protected]
http: www.fagsa.com.pl
Producent zastrzega moĪliwoĞü wprowadzenia zmian w wyrobach bez powiadamiania.