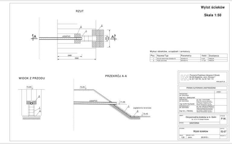
Wylot ścieków Skala 1:50 A A

Transkrypt

Wylot ścieków Skala 1:50 A A
Wylot ścieków
RZUT
Skala 1:50
2
2
1
A
600
1800
200PVC
A
Wykaz obiektów, urządzeń i armatury
2485
Poz. Nazwa/Typ
5560
1
2
Koryto betonowe 50x60x15
Płyta ażurowa
Parametry
Ilość
Dostawca
50x60x15
60x40x10
4 szt.
11 szt.
PAECH
PAECH
Pracownia Projektowo-Usługowa H.Nowak
66-450 Bogdaniec, Jenin, Klonowa 7
tel. 95 7 324 795 ; fax 95 7 821 119
PRZEKRÓJ A-A
WIDOK Z PRZODU
www.ppuhn.pl
73,20
73,20
PRAWA AUTORSKIE ZASTRZEŻONE
podpis
PROJEKTANT:
BR. SANITARNA
2
mgr inż J. Sobczyński
200PVC
1
2
PROJEKTANT:
BR. SANITARNA
71,66
upr. bud. 114/01/DUW
mgr inż M. Kucharski
1
zagłębienie terenowe
2
SPRAWDZAJĄCY:
BR. SANITARNA
Upraw. bud. do proj. bez ograniczeń
w specjalności instalacyjnej w zakresie
sieci, instalacji i urządzeń wod.-kan.,
cieplnych, wentylacyjnych i gazowych.
upr. bud. LBS/0010/PWOS/07
Upraw. bud. do projektowania i kierowania
robotami budowlanymi bez ograniczeń
w specjalności instalacyjnej w zakresie
sieci, instalacji i urządzeń: wod.-kan.,
cieplnych, wentylacyjnych i gazowych.
mgr inż. J. Mańdzij
70,45
OBIEKT:
Oczyszczalnia ścieków w m. Golin
dz. nr 511/10 obręb 6-Karsko
BRANŹA:
NR RYS.
Wylot ścieków
1:50
P.W.
SANITARNA
RYSUNEK:
SKALA:
STADIUM:
MIEJSCE I DATA:
Jenin
09.2010 r.
IS-07
PROJEKT nr