Ćwiczenie 2 (sterowanie lewo

Transkrypt

Ćwiczenie 2 (sterowanie lewo
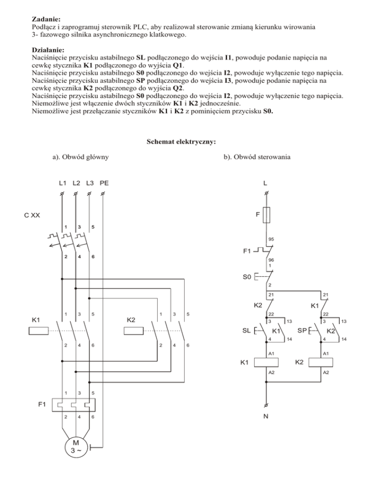
Zadanie:
Podłącz i zaprogramuj sterownik PLC, aby realizował sterowanie zmianą kierunku wirowania
3- fazowego silnika asynchronicznego klatkowego.
Działanie:
Naciśnięcie przycisku astabilnego SL podłączonego do wejścia I1, powoduje podanie napięcia na
cewkę stycznika K1 podłączonego do wyjścia Q1.
Naciśnięcie przycisku astabilnego S0 podłączonego do wejścia I2, powoduje wyłączenie tego napięcia.
Naciśnięcie przycisku astabilnego SP podłączonego do wejścia I3, powoduje podanie napięcia na
cewkę stycznika K2 podłączonego do wyjścia Q2.
Naciśnięcie przycisku astabilnego S0 podłączonego do wejścia I2, powoduje wyłączenie tego napięcia.
Niemożliwe jest włączenie dwóch styczników K1 i K2 jednocześnie.
Niemożliwe jest przełączanie styczników K1 i K2 z pominięciem przycisku S0.
Schemat elektryczny:
a). Obwód główny
b). Obwód sterowania
L1 L2 L3 PE
L
F
C XX
1
3
5
95
F1
2
4
6
96
1
S0
2
21
21
K2
1
3
5
K1
1
3
K1
5
22
K2
3
SL
4
6
2
4
3
SP
K1
4
2
22
13
14
6
A2
5
2
4
6
F1
M..
3~
A1
K2
K1
3
K2
4
A1
1
13
N
A2
14
Schemat elektryczny
+ 24V DC
S0
SL
SP
I2
I1
I4
I3
C1
I6
I5
FANUC IC200NDR001
+ 24V
0V
Q1
Q2
F1
F2
K1
K2
Q3
Q4
0V
PE
Legenda
SL - przycisk obroty w lewo (L)
S0 - przycisk wyłącz (O)
SP - przycisk obroty w prawo (P)
K1 - cewka sterowania silnikiem obroty w lewo
K2 - cewka sterowania silnikiem obroty w prawo
F1- bezpiecznik
F2 - bezpiecznik
Lista przyporządkowania
Lp.
1.
2.
3.
4.
5.
Symbol
SL
S0
SP
K1
K2
Wej/Wyj
I1
I2
I3
Q1
Q2
Opis
Przycisk astabilny NO
Przycisk astabilny NO
Przycisk astabilny NO
Cewka sterowania silnikiem obroty w lewo
Cewka sterowania silnikiem obroty w prawo
C1
Przykładowy schemat drabinkowy.
Wariant 1.
SL
K2
K1
S
SP
K2
K1
S
S0
K1
R
K2
R
Wariant 2.
SL
S0
K2
K1
S0
K1
K2
K1
SP
K2
Na potrzeby: Tarnowskiego Centrum Kształcenia Praktycznego
Przygotował - Kazimierz Grochulski [email protected]