Ćwiczenie 3 (sterowanie trójkąt

Transkrypt

Ćwiczenie 3 (sterowanie trójkąt
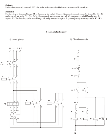
Zadanie:
Podłącz i zaprogramuj sterownik PLC, aby realizował sterowanie układem rozruchowym trójkąt-gwiazda.
Działanie:
Naciśnięcie przycisku astabilnego S 1 podłączonego do wejścia I1 powoduje podanie napięcia na cewki styczników K1 i K2
podłączonych do wyjść Q1 i Q2. Po 20 [s] wyłącza się samoczynnie stycznik K2 a załącza stycznik K3 podłączony do
wyjścia Q3. Naciśnięcie przycisku astabilnego S 0 podłączonego do wejścia I2 powoduje wyłączenie styczników K1 i K3.
Schemat elektryczny:
a). obwód główny
b). Obwód sterowania
L1 L2 L3 PE
L
1
3
5
2
4
6
F
303
C XX
95
F1
96
1
1
3
5
S0
K1
2
2
4
6
13
3
S1
K1
14
4
1
1
3
5
3
5
K3
1
3
5
K2
K4
F1
2
4
6
U1
V1
W1
2
4
6
2
4
6
21
K3
M.
3~
21
K2
22
22
A1
U2
V2
W2
K2
A1
K3
A2
N
A1
K1
A2
20s
K4
A2
Schemat elektryczny
+ 24V DC
S1
S0
I2
I1
I4
I3
C1
I6
I5
FANUC IC200NDR001
+ 24V
0V
Q1
Q2
Q3
F1
F2
F3
K1
K2
K3
0V
PE
Legenda
S1 - przycisk załącz
S0 - przycisk wyłącz
K1 - cewka stycznika głównego
K2 - cewka stycznika połączenie w gwiazdę
K3 - cewka stycznika połączenie w trójkąt
F1 - bezpiecznik
F2 - bezpiecznik
F3 - bezpiecznik
Lista przyporządkowania
Lp .
1.
2.
3.
4.
5.
Sym b o l
S1
S0
K1
K2
K3
W ej/W yj
I1
I2
Q1
Q2
Q3
O pis
P rzyc is k as ta biln y N O (załąc z)
P rzyc is k as ta biln y N O (w yłą cz )
C e w ka s tyc zn ika głó w n ego
C e w ka p o łąc zen ia w gw ia zdę
C e w ka p o łąc zen ia w tró jkąt
Q4
C1
Przykładowy schemat drabinkowy.
S1
K1
S
K2
S
K2
K1
TMR
R
TENTHS.
K3
200
PV
S0
S
K1
R
K3
R
Na potrzeby: Tarnowskiego Centrum Kształcenia Praktycznego
Przygotował - Kazimierz Grochulski [email protected]