Pobierz - PCU Piaseczno Sp. z oo

Transkrypt

Pobierz - PCU Piaseczno Sp. z oo
05-500 Piaseczno
Stadium :
PROJEKT BUDOWLANY
Nazwa opracowania:
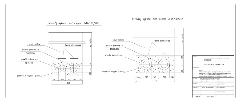
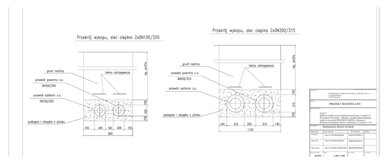
Zeszyt 2
Budowa osiedlowej sieci cieplnej preizolowanej w rejonie ul.
PRZEKROJE PRZEZ WYKOP
Stanowisko
Imi i nazwisko
Nr upraw
Podpis
Projektant
Data opracowania:
02.2013
Skala:
Nr rysunku
1:100 / 1:500
Nr arkusza