(Szczeg\363\263y el drogowych.cdr)

Transkrypt

(Szczeg\363\263y el drogowych.cdr)
TYPOWE ROZWI¥ZANIE ZJAZDU INDYWIDUALNEGO
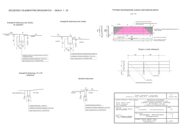
SZCZEGÓ£Y ELEMENTÓW DROGOWYCH - SKALA 1 : 20
skala 1:50
krawê¿nik betonowy bez œcieku
krawê¿nik betonowy 12x25 ,,wtopiony”
2 - 5,5%
1:
1
5,5%
D-D
ZJAZD
D
2%
A-A
krawê¿nik 20/30
0,16
poziom jezdni przy krawê¿niku
wg planu sytuacyjnego min. 3m
2,00
2,00
B-B
2,00
poziom chodnika przy obrze¿u
lub œcianie fundamentowej
2,00
15 5
40
jezdnia
25
40
i%
30
10
30
15 5
15
0,06
+0,0
chodnik
B
C
+16
jezdnia
A
nawierzchnia z kostki brukowej betonowej gr. 6 cm
koloru szarego
B
2%
10
2%
2%
C-C
i%
+0,0
40
15
25
Porêcz z rurek stalowych
40
krawê¿nik betonowy wibroprasowany 20/30 cm
krawê¿nik betonowy wibroprasowany 20/30 cm
- obni¿ony do 6cm
podsypka cementowo-piaskowa 1:4 gr 5 cm
podsypka cementowo-piaskowa 1:4 gr 5 cm
³awa z betonu B-15 o v=0,0975 m /mb
1,50
1,50
3
3
0,35
0,60
0,40
1,10
0,35
³awa z betonu B-15 o v=0,0975 m /mb
krawê¿nik betonowy 12 x 25
,,wtopiony”
0,30
rurki f 48
obrze¿e betonowe
rurki f 36
fundament betonowy 0,2x0,2x0,6
+5
0,0
-3
2%
chodnik
15
20
data:
ZAK£AD BUDOWLANY - Janusz Burkat
Limanowa, ul. ¯wirki i Wigury 30 d, tel.(018)337-06-55
10 5
zieleniec
30
istn. zjazd
25
zjazd indywidualny
10 5
chodnik
+6
CHODNIK
A
1
1:
2-5%
nawierzchnia z kostki brukowej betonowej gr. 8 cm
koloru czerwonego
D
obrze¿e
C
krawê¿nik betonowy bez œcieku
na zjazdach
lokalizacja: Mszana
Górna
czerwiec 2007
Budowa chodnika
obiekt:
w ci¹gu drogi wojewódzkiej nr 968
krawê¿nik betonowy 15x25 cm
obrze¿e betonowe 30x8 cm
podsypka cementowo-piaskowa 1:4 gr 5 cm
podsypka cementowo-piaskowa 1:4 gr 3 cm
3
³awa z betonu B-15 o v=0,02 m /mb
Lubieñ - Mszana Dolna - Zabrze¿
gmina: Mszana Dolna
powiat: limanowski
woj. ma³opolskie
3
³awa z betonu B-10 o v=0,015 m /mb
projektowa³:
mgr in¿. Janusz Burkat
upr. nr UAN.I-8340/A-50/89
w km 10+422 - 12+136
w miejscowoœci Mszana Górna
skala:
stadium:
Projekt
budowlany
tytu³ rysunku:
opracowa³:
tech. Wies³aw B³oñski
upr. nr GPA-7342-85/949
Szczegó³y elementów
drogowych
1:20
nr rysunku:
7
inwestor: Gmina Mszana Dolna
34-730 Mszana Dolna
ul.Spadochroniarzy 6
nr odbitki: