SPRZĘGANIE ŁĄCZNIKA POMOCNICZEGO PS

Transkrypt

SPRZĘGANIE ŁĄCZNIKA POMOCNICZEGO PS
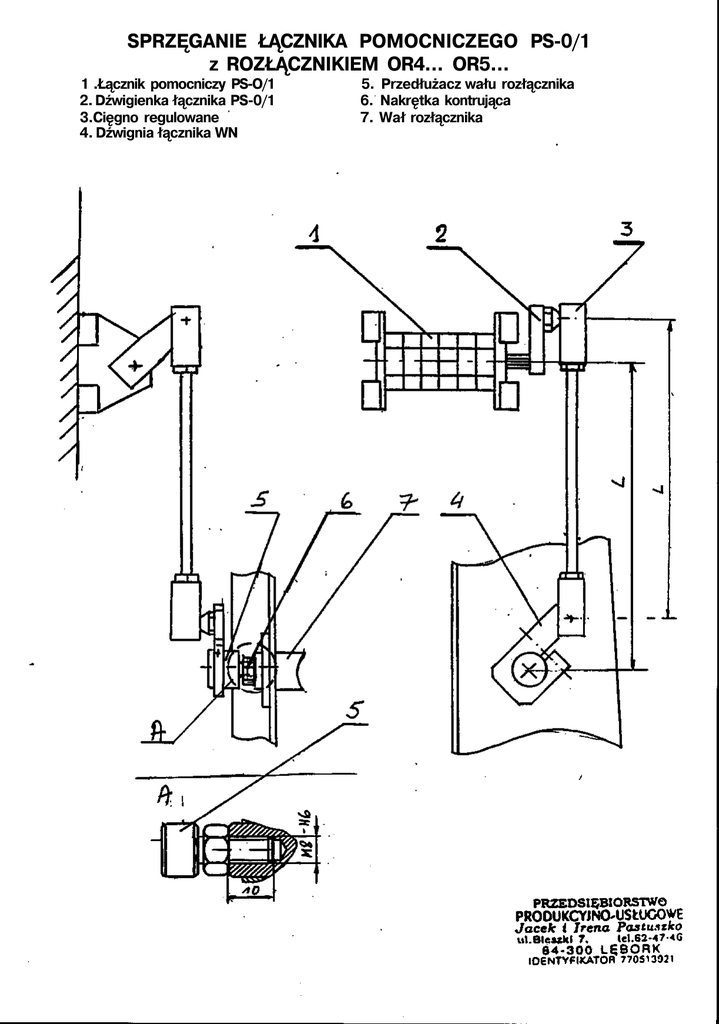
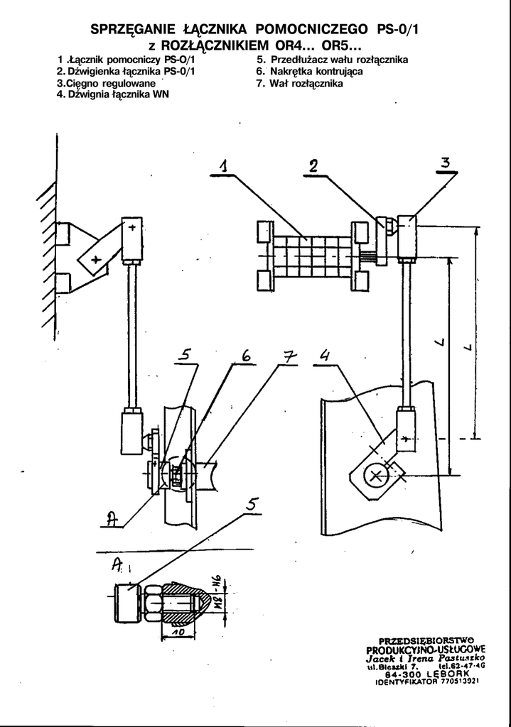
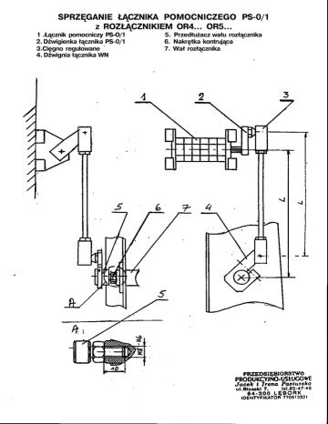
SPRZĘGANIE ŁĄCZNIKA POMOCNICZEGO PS-0/1
z ROZŁĄCZNIKIEM OR4... OR5...
1 .Łącznik pomocniczy PS-O/1
2. Dźwigienka łącznika PS-0/1
3.Cięgno regulowane
4. Dźwignia łącznika WN
5. Przedłużacz wału rozłącznika
6. Nakrętka kontrująca
7. Wał rozłącznika
INSTRUKCJA
SPRZĘGANIE ŁĄCZNIKA POMOCNICZEGO PS-0/1
Z ROZŁĄCZNIKAMI OR4...., OR5
1 .W otwór M8 wału (7) rozłącznika wkręcić przedłużacz wału (5).
2. Zakontrować nakrętkę M8 (6). Jako dodatkowe zabezpieczenie przed
odkręcaniem wskazane jest użyć preparatu Loctite.
3. Zmontować cięgno kompletne; wkręcić końcówki M6 przegubów kulistych w
dźwignię(2) i w dźwignię(4)
4. Zamocować na ściance celki w dogodnym miejscu łącznik pomocniczy PS-0/1 (1)
zachowując odległość „L" pomiędzy wałem rozłącznika (7) i wałem łącznika
pomocniczego (1) równą długości „L" cięgna mierzoną między osiami
przegubów kulistych. (Długość cięgna można korygować w granicach 20mm)
5. Nasunąć na wałek łącznika pomocniczego (1) dźwigienkę (2) i na przedłużacz
wału (5) dźwignię (4).
6. Obrócić ręcznie wałek łącznika pomocniczego (1) tak aby łącznik pomocniczy
odwzorowywał położenie styków rozłącznika (rozłącznik otwarty).
7. Obrócić dźwignię (4) na przedłużaczu wału w taki sposób aby obrót wału
rozłącznika w kier. „ZAŁĄCZ" NIE POWODOWAŁ przemieszczania się
dźwigni (4) i cięgna w strefę WYSOKIEGO NAPIĘCIA.
8. Zacisnąć dźwignię (4) na przedłużaczu (5) śrubą znajdującą się w dźwigni.
Podobnie zabezpieczyć dźwignię (2)
9.Jeżeli zajdzie taka potrzeba skorygować położenia krzywek na wałku łącznika
pomocniczego.
Jacek Pastuszko