Pobierz

Transkrypt

Pobierz
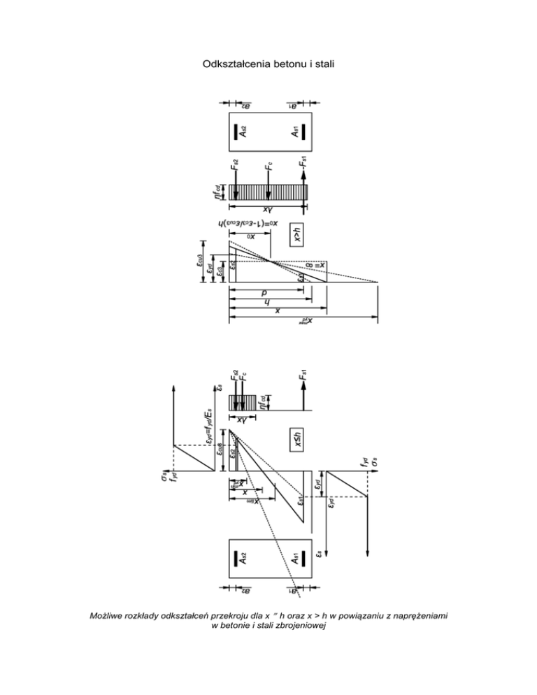
Odkształcenia betonu i stali
Możliwe rozkłady odkształceń przekroju dla x ≤ h oraz x > h w powiązaniu z naprężeniami
w betonie i stali zbrojeniowej
Zestawienie odkształceń dla betonu i stali w funkcji położenia x.
x≤h
x>h
ε c ( x ) = ε cu3
x
x - x0
d-x
ε s1 ( x ) = ε c3
x - x0
x - a2
ε s2 ( x ) = ε c3
x - x0
ε s1 ( x ) = ε cu3
ε s2 ( x ) = ε cu3
d-x
x
x - a2
x
ε c ( x ) = ε c3
Warunki równowagi sił – zginanie
Schemat obliczeniowy zginanego przekroju żelbetowego
ΣX = 0
σs1⋅As1 – η⋅fcd⋅b⋅λx – σs2⋅As2 = 0
ΣMFs1 = 0 MRd –η⋅fcd⋅b⋅λx ⋅(d – 0,5⋅λx) – σs2⋅As2⋅(d – a2)= 0
σs1 = εs1⋅Es ≤ fyd
σs2 = εs2⋅Es ≤ fyd
Warunki równowagi sił – mimośrodowe ściskanie
Schemat obliczeniowy mimośrodowo ściskanego przekroju żelbetowego
ΣX = 0
ΣMFs1 = 0
ΣMFs2 = 0
ΣMN = 0
NRd + σs1⋅As1 – η⋅fcd⋅b⋅λx – σs2⋅As2 = 0
NRd⋅es1 –η⋅fcd⋅b⋅λx ⋅(d – 0,5⋅λx) – σs2⋅As2⋅(d – a2)= 0
NRd⋅es2 +η⋅fcd⋅b⋅λx ⋅(0,5⋅λx – a2) – σs1⋅As1⋅(d – a2)= 0
η⋅fcd⋅b⋅λx⋅(es2+0,5λx – a2) + σs2⋅As2⋅es2 – σs1⋅As1⋅es1 = 0
es1 = e + 0,5h – a1
es2 = e – 0,5h + a2
Przypadki obliczeniowe
Zginanie
1o
2o
3o
4o
0<x
<x
xyd ≤ x
x
x-ydmin
≤ x-ydmin
< xydmin
≤ xlim
> xlim
(σs1 = fyd, σs2 = - fyd)
(σs1 = fyd, - fyd < σs2 < fyd)
(σs1 = fyd, σs2 = fyd)
(σs1 < fyd, σs2 = fyd, x = xlim)
Mimośrodowe ściskanie
1o
2o
3o
4o
5o
6o
7o
0<x
min
x-yd < x
xyd ≤ x
xlim < x
h < x
h/λ < x
x
≤ x-ydmin
< xydmin
≤ xlim
≤h
≤ h/λ
≤ xydmax
> xydmax
(σs1 = fyd, σs2 = - fyd)
(σs1 = fyd, - fyd < σs2 < fyd)
(σs1 = fyd, σs2 = fyd)
(- fyd < σs1 < fyd, σs2 = fyd)
(σs1 > - fyd, σs2 = fyd)
(σs1 > - fyd, σs2 = fyd, λx = h)
(σs1 > - fyd, σs2 < fyd, λx = h)
Zestawienie wypadkowych sił wewnętrznych w żelbetowym przekroju
podwójnie zbrojonym
x
Fs1
Fs2
Fc
Przypadek
1
0 < x ≤ x -min
yd
fyd As1
2
min
x -min
yd < x < x yd
fyd As1
3
min
x yd
≤ x ≤ x lim
fyd As1
ε cu3
- fyd As 2
ηfcd bλx
x - a2
E s As 2
x
ηfcd bλx
fyd As 2
ηfcd bλx
fyd As 2
ηfcd bλx
fyd As 2
ηfcd bλx
fyd As 2
ηfcd bh
1
4
x lim < x ≤h
ε cu3
d-x
Es As1
x
d -x
E A
x - x0 s s1
1
5
h < x ≤h / λ
ε c3
1
6
h/ λ<x
max
≤ x yd
ε c3
d -x
E A
x - x0 s s1
ε c3
d -x
E A
x - x0 s s1
1
7
x>
max
x yd
2
ε c3
x - a2
E A
x - x0 s s2
ηfcd bh