Osadnik kołnierzowy prosty typu ”T” Nr kat. 831 - Ar-Pol

Transkrypt

Osadnik kołnierzowy prosty typu ”T” Nr kat. 831 - Ar-Pol
Rok wydania
®
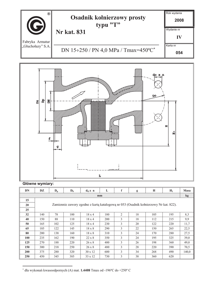
Osadnik koánierzowy prosty
typu ”T”
Nr kat. 831
2008
Wydanie nr
IV
Fabryka Armatur
„Gáuchoáazy” S.A.
Karta nr
H
H1
DN 15y250 / PN 4,0 MPa / Tmax=450ºC
054
Gáówne wymiary:
DN
DZ
Dp
D0
dO x n
L
f
g
mm
Masa
kg
15
Zamiennie zawory zgodne z kartą katalogową nr 053 (Osadnik koánierzowy Nr kat. 822).
20
25
32
40
50
65
80
100
125
140
150
165
185
200
235
270
78
88
102
122
138
162
188
100
110
125
145
160
190
220
18 x 4
18 x 4
18 x 4
18 x 8
18 x 8
22 x 8
26 x 8
180
200
230
290
310
350
400
2
3
3
3
3
3
3
18
18
20
22
24
24
26
105
112
122
150
170
195
198
195
215
220
265
280
325
360
8,3
9,9
11,7
22,5
27,5
39,0
49,0
150
200
250
300
375
450
218
280
345
250
320
385
26 x 8
30 x 12
33 x 12
480
600
730
3
3
3
28
34
38
220
268
360
390
490
620
70,5
140,0
dla wykonaĔ kwasoodpornych (A) mat. 1.4408 Tmax od -196ºC do +250º C
Zastosowanie :
Osadniki koánierzowe proste sáuĪą do ochrony przed zanieczyszczeniami najbardziej wraĪliwych na uszkodzenia
elementów instalacji takich jak: aparatura kontrolno-pomiarowa, pompy, armatura regulacyjna, przepáywomierze,
liczniki ciepáa itp. Mogą byü montowane na rurociągach pionowych i poziomych pokrywa do doáu.
Czynnik roboczy :
Osadniki przeznaczone są do wody, pary, oleju oraz innych neutralnych czynników ciekáych i gazowych w przedziale
temperatur od -10qC do 450 qC, w wykonaniu morskim „WM”- do pracy w warunkach morskich i do wody morskiej, w
wykonaniu kwasoodpornym do czynników aktywnych chemicznie takich jak kwasy, zasady roztwory soli itp. w zakresie
stĊĪeĔ uwarunkowanych odpornoĞcią chemiczną materiaáów uĪytych do budowy zaworów.
Zakres stosowania :
CiĞnienie
nominalne
263 do 393 K
PN
[MPa]
(- 10 do 120 qC)
1.0619
4,0
1.4408
4,0
NajwiĊksze ciĞnienie robocze przy temp. czynnika [K]
(qC)
473 K
523 K
573 K
623 K
673 K
(200 qC)
(250 qC)
( 300 qC)
(350 qC)
(400 qC)
3,5
3,2
2,8
2,4
2,1
2,6
723 K
(450 qC)
1,3
2,4
Szczegóáowe informacje zawiera wykres „Dopuszczalne parametry robocze armatury dla stosowanych
materiaáów” (Ukáad p/t) w czĊĞci IV katalogu.
Materiaáy podstawowe:
Nazwa czĊĞci
Kadáub
Pokrywa
- DN 15-50
- DN 65-250
Wkáad filtrujacy
Uszczelnienia
standard
1.0619
Materiaá
kwasoodporne
1.4408
1.0460
1.0619
18-8 Cr-Ni
Grafit
1.4408
1.4408
18-8 Cr-Ni
Grafit
Opcje wykonania:
Standardowo osadniki wyposaĪone są w filtry o 64 oczkach /cm² (przeĞwit oczka 0.8 mm)-oznaczenie FS 64
-na Īyczenie wykonujemy osadniki o: 100 oczkach/cm² (przeĞwit oczka 0.7 mm)-oznaczenie FS 100
140 oczkach/cm² przeĞwit oczka 0.6 mm)- oznaczenie FS 140
200 oczkach/cm² (przeĞwit oczka 0.5 mm)-oznaczenie FS 200
250 oczkach/cm² (przeĞwit oczka 0.42 mm)-oznaczenie FS 250
400 oczkach/cm² (przeĞwit oczka 0.35 mm)-oznaczenie FS 400
600 oczkach/cm² (przeĞwit oczka 0.25 mm)-oznaczenie FS 600
-na Īyczenie wyposaĪamy osadnik w korek spustowy (wyczystkĊ) do usuwania zanieczyszczeĔ
-na Īyczenie wyposaĪamy osadnik we wkáady magnetyczne do wychwytywania cząstek ferromagnetycznych
Uwagi :
1. Koánierze osadników- wykonanie standard: z przylgą -„B1” i owiercone wg PN-EN 1092-1:2004.
Na Īyczenie wykonujemy inne rodzaje przylgi zgodnie z PN-EN 1092-1:2004, ANSI, BS, DIN lub teĪ wg
indywidualnych potrzeb klienta.
2. Wykonujemy równieĪ osadniki z koánierzami na ciĞnienia PN (0,6 ÷2,5) [MPa ].
3. Wymagania i badania techniczne osadników wg PN-EN 12266-1:2003.
4. DáugoĞü budowy wg PN-EN 558-1:2001.
5. ĝwiadectwo odbioru wg Īyczenia Klienta-wg PN-EN 10204:2005.
6. Osadniki w wykonaniu morskim - WM wykonujemy zgodnie z normą PN-W-74017:1998, na
Īyczenie Klienta osadniki mogą podlegaü odbiorowi Towarzystw Klasyfikacyjnych: GL, LRS,
BV, DNV, PMPC(RMRS), ABS, RINA.
UWAGA – W zapytaniu / zamówieniu prosimy o podanie norm i typu przyáącza oraz medium i parametry pracy.
®
Producent i dostawca:
Adres:
Fabryka Armatur
„Gáuchoáazy” S.A.
48-340 Gáuchoáazy
ul. Wrocáawska 1A
tel.: 077 / 439 19 44
fax: 077 / 439 19 46
e-mail: [email protected]
http: www.fagsa.com.pl
Producent zastrzega moĪliwoĞü wprowadzenia zmian w wyrobach bez powiadamiania.