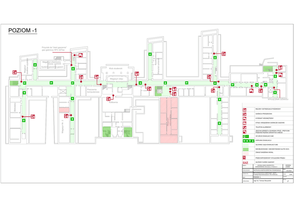
Magazyn chemiczny System gaszenia gazem Biblioteka Magazyn

Transkrypt

Magazyn chemiczny System gaszenia gazem Biblioteka Magazyn
Magazyn
Magazyn chemiczny
System gaszenia gazem
Klub studencki
Warsztat szklarski
Przycisk do "start gaszenie"
Magazyn oleju
Magazyn
Magazyn Nr. 2
Biblioteka
Pracownia
komputerowa
TELEFON ALARMOWY
PRZEWIETRZANIA GRAWITACYJNEGO
EWAKUACYJNE
KIERUNKI EWAKUACJI
NIEOBUDOWANE I NIEODDYMIANE KLATKI SCH.
GAZ
OBIEKT:
WARSZAWSKIEGO, Warszawa, ul. Pasteura 1
04.2016r.
NAZWA RYS.:
RZUT
CHEMII
Data:
OPRACOWANIE:
Skala:
POZIOM -1
brak
Format:
Nr rys.
2