Profil aluminiowy TA.01.02

Transkrypt

Profil aluminiowy TA.01.02
SPECYFIKACJA TECHNICZNA KOMPONENTU
Profil aluminiowy TA.01.02
Wersja 1.0
2013-11-14
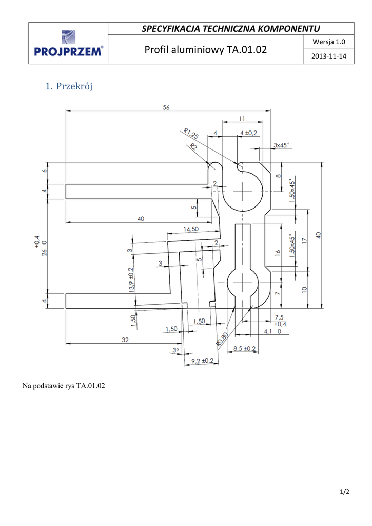
1. Przekrój
Na podstawie rys TA.01.02
1/2
SPECYFIKACJA TECHNICZNA KOMPONENTU
Profil aluminiowy TA.01.02
Wersja 1.0
2013-11-14
2. Cechy wymagane
Cechy techniczne
Materiał
Warunki / Cechy
6063-T6
AlMgSi 0,5
Długość profilu
L=3600, L=7200
Norma
PN-EN 12020-1:2010
3. Dopuszczone komponenty
nie wyłącza konieczności stosowania niniejszej specyfikacji
Nr artykułu
Dostawca/Producent
Podstawa
2/2