Instalacja z powietrzną pompą ciepła do ciepłej wody użytkowej z

Transkrypt

Instalacja z powietrzną pompą ciepła do ciepłej wody użytkowej z
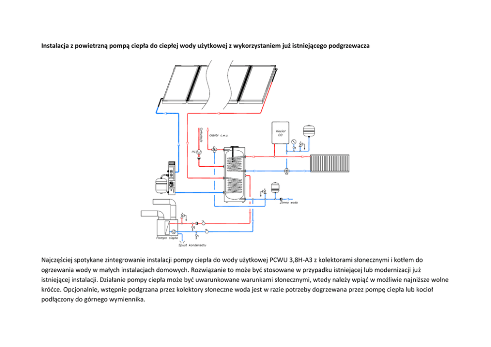
Instalacja z powietrzną pompą ciepła do ciepłej wody użytkowej z wykorzystaniem już istniejącego podgrzewacza
Najczęściej spotykane zintegrowanie instalacji pompy ciepła do wody użytkowej PCWU 3,8H-A3 z kolektorami słonecznymi i kotłem do
ogrzewania wody w małych instalacjach domowych. Rozwiązanie to może byd stosowane w przypadku istniejącej lub modernizacji już
istniejącej instalacji. Działanie pompy ciepła może byd uwarunkowane warunkami słonecznymi, wtedy należy wpiąd w możliwie najniższe wolne
kródce. Opcjonalnie, wstępnie podgrzana przez kolektory słoneczne woda jest w razie potrzeby dogrzewana przez pompę ciepła lub kocioł
podłączony do górnego wymiennika.