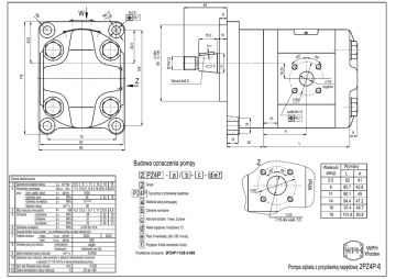
e PZ4P Budowa oznaczenia pompy PZ4P d c a b 2 2 a b d - - / e f c
Transkrypt
e PZ4P Budowa oznaczenia pompy PZ4P d c a b 2 2 a b d - - / e f c
45 4xØ 9 R0.1 8 10 118 Z 1:5 Ø 20 4 5° M14x1,5 100 -0.060 80 -0.106 2 34.5 43.5 19.2 45° 16.25 6 Ø1 g³.1 R9 W Wpust 4x6.5 Ø 15 wyjœcie Ø 35 4xM6-6H-13 R0.1 16 15 A 12 38 2 PZ4P - a / b - c - d e f 2 Grupa PZ4P Typ pompy z przystawk¹ napêdow¹ a Wielkoœæ sekcji pompuj¹cej b Ciœnienie nominalne c Kierunek obrotów: 1-lewe, 2-prawe d Wa³ek napêdowy: 6-sto¿kowy 1:5 e P³yta: 6-niemiecka, pilot Ø 80; 4 œruby, f Przy³¹cze: 6-ko³n.niemieckie 4 œruby Przyk³adowe oznaczenie: 2PZ4P-11/28-2-666 L Z Budowa oznaczenia pompy Dane techniczne 1 Geometryczna objêtoœæ robocza v g cm3 /obr 5.5 8 11 14 16 19 2 Wydajnoœæ nominalna Q 2min l/min 7.4 10.8 14.8 18.9 21.6 25.6 przy: -nom. prêdk. obrot. n n obr/min 1500 -ciœnieniu nom. pn MPa 28 22 18 -ciœnieniu na wejœciu p1 MPa 0 ±0.01 -lepkoœci cieczy mm 2 /s 36 3 Moc max przy w/w param. P1 kW 4.3 6.3 8.7 11 9.9 9.6 4 Ciœnienie: -nominalne pn MPa 28 22 18 -chwilowe p2 MPa 31 25 20 -szczytowe p3 MPa 32 26 21 5 Ciœnienie na wejœciu p1 MPa -0.03 do +0.4 6 Kierunek obrotów: lewy lub prawy (rys. przedstawia pompê na prawy kierunek obr.) 7 Prêdkoœæ obrotowa -max n max obr/min 3200 2500 -min n min obr/min 500 8 Charakter pracy przy ciœnieniu: -nominalnym ci¹g³a -chwilowym krótkotrwa³a (max 30s) 9 Zakres lepkoœci cieczy roboczej mm 2 /s 8-2000 10 Zalecana ciecz robocza: olej mineralny o dobrych w³asnoœciach smarnych o lepkoœci 37-115 mm2/s w danej temperaturze pracy 11 Nom. dok³. filtrowania cieczy roboczej 0.020 mm o 12 Zakres temperatury cieczy roboczej -20 do +80 C 8 45° Wielkoœæ sekcji 4 5° Wlot 72 87 90 Ø 40 Ø 20 Ø 15-dla wielk. 5.5 5.5 8 11 14 16 19 Wymiary L A 82 41 85.7 42.8 90.1 45 94.4 47.2 97.4 48.7 101.8 50.9 WPH Wroc³aw Pompa zêbata z przystawk¹ napêdow¹ 2PZ4P-6