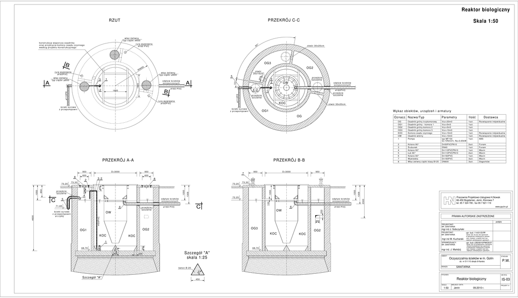
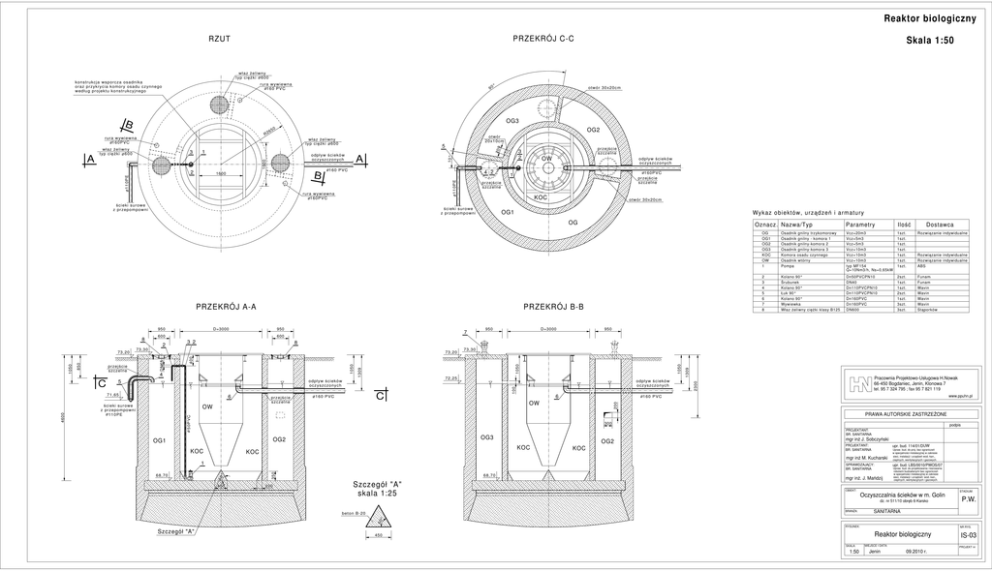
Reaktor biologiczny Skala 1:50 A B A B C C

Transkrypt

Reaktor biologiczny Skala 1:50 A B A B C C
Reaktor biologiczny
PRZEKRÓJ C-C
RZUT
wł az żeliwny
t yp ciężki 600
konstr ukcja wsporcza osadnika
oraz przykrycia komory osadu czynnego
według pr ojekt u konstr ukcyjnego
rura wywiewna
160 PVC
90
°
otwór 30x20cm
OG3
R2
r ura wywiewna
160PVC
6
OG2
50
właz żel iwny
typ ci ężki 600
2
odpł yw ścieków
oczyszczonych
B
1600
110PE
5
A
3
2
10 °
1
1600
3
160 PVC
4 2
110PE
właz żeli wny
typ ciężki 600
ot wór
20x10cm
200
B
A
Skala 1:50
rura wywi ewna
160PVC
przejście
szczelne
OW
odpływ ścieków
oczyszczonych
160PVC
przej ście
szczel ne
1
przejście
szczel ne
KOC
ści eki surowe
z pr zepompowni
ścieki surowe
z przepompowni
otwór 30x20cm
OG1
Wykaz obiektów, urządzeń i armatury
OG
PRZEKRÓJ A-A
950
600
3 2
Dostawca
OG
OG1
OG2
OG3
KOC
OW
1
Osadnik gnilny trzykomorowy
Osadnik gnilny - komora 1
Osadnik gnilny-komora 2
Osadnik gnilny-komora 3
Komora osadu czynnego
Osadnik wtórny
Pompa
Vcz=20m3
Vcz=5m3
Vcz=5m3
Vcz=10m3
Vcz=10m3
Vcz=10m3
typ MF154
Q=10Nm3/h, Ns=0,65kW
1szt.
1szt.
1szt.
1szt.
1szt.
1szt.
1szt.
Rozwiązanie indywidualne
2
3
4
5
6
7
8
Kolano 90ř
Tr˘jnik
90°
Śrubunek
Kolano 90°
Łuk 90°
Kolano 90°
Wywiewka
Właz żeliwny ciężki klasy B125
Dn50PVCPN10
DN150/DN100
DN40
Dn110PVCPN10
Dn110PVCPN10
Dn160PVC
Dn160PVC
DN600
2szt.
1szt.
1szt.
2szt.
1szt.
3szt.
3szt.
Funam
Danfos
Funam
Wavin
Wavin
Wavin
Wavin
Stąporków
Rozwiązanie indywidualne
Rozwiązanie indywidualne
ABS
950
73, 30
OW
6
www.ppuhn.pl
160 PVC
OW
50PVC
PRAWA AUTORSKIE ZASTRZEŻONE
300
KOC
KOC
KOC
podpis
PROJEKTANT:
BR. SANITARNA
OG3
OG2
OG1
OG2
KOC
mgr inż J. Sobczyński
PROJEKTANT:
BR. SANITARNA
upr. bud. 114/01/DUW
mgr inż M. Kucharski
1
°
SPRAWDZAJĄCY:
BR. SANITARNA
60
68,70
2300
C
160 PVC
Pracownia Projektowo-Usługowa H.Nowak
66-450 Bogdaniec, Jenin, Klonowa 7
tel. 95 7 324 795 ; fax 95 7 821 119
200
przejście
szczelne
odpływ ścieków
oczyszczonych
1309
72,25
odpł yw ścieków
oczyszczonych
6
1050
1050
1309
4
5
71,65
450
200
68,70
Szczegół "A"
skala 1:25
upr. bud. LBS/0010/PWOS/07
mgr inż. J. Mańdzij
OBIEKT:
Upraw. bud. do proj. bez ograniczeń
w specjalności instalacyjnej w zakresie
sieci, instalacji i urządzeń wod.-kan.,
cieplnych, wentylacyjnych i gazowych.
Upraw. bud. do projektowania i kierowania
robotami budowlanymi bez ograniczeń
w specjalności instalacyjnej w zakresie
sieci, instalacji i urządzeń: wod.-kan.,
cieplnych, wentylacyjnych i gazowych.
Oczyszczalnia ścieków w m. Golin
dz. nr 511/10 obręb 6-Karsko
BRANŹA:
P.W.
SANITARNA
°
bet on B-20
STADIUM:
60
4600
D=3000
Ilość
8
73,20
ścieki surowe
z przepompowni
110PE
950
100
2
7
350
C
950
1050
przej ście
szczel ne
73, 30
D=3000
Parametry
400
850
1050
73, 20
PRZEKRÓJ B-B
600
DN65
8
Oznacz. Nazwa/Typ
Szczegół "A"
RYSUNEK:
NR RYS.
Reaktor biologiczny
450
SKALA:
1:50
MIEJSCE I DATA:
Jenin
09.2010 r.
IS-03
PROJEKT nr