Schemat blokowy - Gmina Pawłowiczki

Transkrypt

Schemat blokowy - Gmina Pawłowiczki
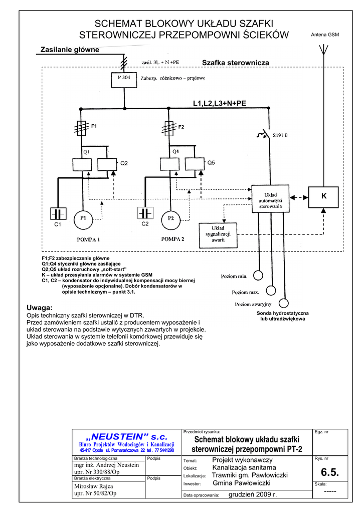
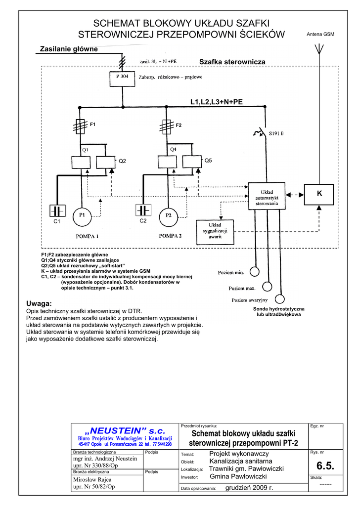
SCHEMAT BLOKOWY UKŁADU SZAFKI
STEROWNICZEJ PRZEPOMPOWNI ŚCIEKÓW
Antena GSM
Zasilanie główne
Szafka sterownicza
L1,L2,L3+N+PE
F1
F2
Q5
Q2
K
C2
C1
F1;F2 zabezpieczenie główne
Q1;Q4 styczniki główne zasilające
Q2;Q5 układ rozruchowy „soft-start”
K – układ przesyłania alarmów w systemie GSM
C1, C2 – kondensator do indywidualnej kompensacji mocy biernej
(wyposażenie opcjonalne). Dobór kondensatorów w
opisie technicznym – punkt 3.1.
Uwaga:
Sonda hydrostatyczna
lub ultradźwiękowa
Opis techniczny szafki sterowniczej w DTR.
Przed zamówieniem szafki ustalić z producentem wyposażenie i
układ sterowania na podstawie wytycznych zawartych w projekcie.
Układ sterowania w systemie telefonii komórkowej przewiduje się
jako wyposażenie dodatkowe szafki sterowniczej.
„NEUSTEIN” s.c.
Biuro Projektów Wodociągów i Kanalizacji
45-417 Opole ul. Pomarańczowa 22 tel . 77 5441298
Branża technologiczna
Podpis
mgr inż. Andrzej Neustein
upr. Nr 330/88/Op
Branża elektryczna
Mirosław Rajca
upr. Nr 50/82/Op
Przedmiot rysunku:
Schemat blokowy układu szafki
sterowniczej przepompowni PT-2
Temat:
Obiekt:
Podpis
Egz. nr
Lokalizacja:
Inwestor:
Projekt wykonawczy
Kanalizacja sanitarna
Trawniki gm. Pawłowiczki
Gmina Pawłowiczki
Data opracowania:
grudzień 2009 r.
Rys. nr
6.5.
Skala:
-----