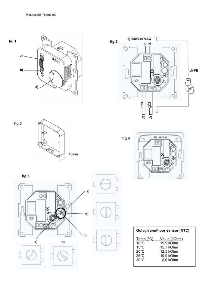
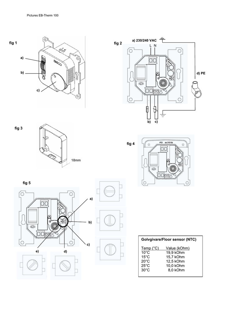
fig 1 fig 2 fig 3 fig 4 fig 5 Golvgivare/Floor sensor (NTC) Temp (°C

Transkrypt

fig 1 fig 2 fig 3 fig 4 fig 5 Golvgivare/Floor sensor (NTC) Temp (°C
Pictures EB-Therm 100
fig 1
fig 2
a) 230/240 VAC
L N
a)
b)
d) PE
c)
b)
c)
fig 3
fig 4
18mm
fig 5
a)
b)
Golvgivare/Floor sensor (NTC)
c)
e)
d)
Temp (°C)
10°C
15°C
20°C
25°C
30°C
Value (kOhm)
19,9 kOhm
15,7 kOhm
12,5 kOhm
10,0 kOhm
8,0 kOhm
-POLISHOpis EB-Therm 100 D
EB-Therm 100 to termostat sterowany mikroprocesorowo, zaprojektowany do optymalnej regulacji temperatury w systemach ogrzewania pod ogowego. Termostat kontroluje
ogrzewanie w trzech opcjach. Mo!liwy jest wybór funkcji pokojowej. pod ogowej lub pokojowej z zabezpieczeniem przeciw przegrzaniu pod ogi. EB-Therm 100 jest dostarczany z pokrywk"
i przedni" ramk" pasuj"c" do systemów Eljo Trend. Do "czona dodatkowa pokrywka przednia pasuje tak!e do Elko RS. EB-Therm 100 mo!na stosowa# równie! w mokrych
pomieszczeniach; posiada certyfikat bezpiecze$stwa SEMKO i znak CE. Termostat przeznaczony jest do monta!u podtynkowego i natynkowego. Panel przedni posiada 2-biegunowy
prze "cznik (rys 1a) i lampk% sygnalizacyjn" (rys 1b). Ustawienia temperatury mo!na zablokowa# pod ga k" termostatu (rys 1c). Termostat posiada zdolno&#
automatycznej kalibracji czujników temperatury oraz sygnalizacji b %du czujnika pod ogowego. W przypadku awarii lub uszkodzenia czujnika pod ogowego
termostat wy "cza ogrzewanie i lampka zaczyna mruga# (dwa razy na sekund%). Uszkodzony czujnik pod ogowy mo!na wymieni#. W przypadku uszkodzenia
czujnika pokojowego wymienia si% termostat.
Technologia rozmyta (Fuzzy)
Regulacja temperatury odbywa si% za pomoc" algorytmu, który korzysta z technologii rozmytej. Oznacza to, !e zaraz po ustawieniu termostat testuje i zbiera dane na
podstawie, których odbywaj" si% obliczenia, kiedy ma odby# si% w "czenie i wy "czenie. Technologia ta powoduje zmniejszenie waha$ temperatury, a w rezultacie bardziej
sta " temperatur% i mniejsze zu!ycie energii. Temperatura pod ogi waha si% w przedziale mniejszym ni! +/- 0,3 stopnia. Mo!e up yn"# 120 minut od aktywacji termostatu do
momentu, a! technologia rozmyta zako$czy proces „uczenia si%”. Patrz rysunek poni!ej.
Temperatura pod ogi
30
Temp (C)
Temp.
(C)
28
26
24
22
20
247
234
221
208
195
182
169
156
143
130
117
104
90,5
77,5
64,5
51,5
38,5
25,5
12,5
18
Czas
Tid ((minuty)
i
)
Instalacja
Monta! podtynkowy. EB-Therm 100 montuje si% w standardowej 65 mm puszce odga %'nej. Lokalizacja powinna by# tak wybrana, aby termostat by chroniony przed
bezpo&rednim dost%pem promieni s onecznych i przeci"gów. Czujnik pod ogowy powinien by# umieszczony w plastykowej rurce (peszel) pod pod og". Koncówka
rurki powinna by# uszczelniona.
1.
Upewnij si%, !e puszka odga %'na jest osadzona na równi ze &cian".
2.
Usu$ pokr%t o potencjometru przez podwa!enie. Poluzuj &rubk%. Usu$ pokrywk% przedni" i ramk%.
3.
Pod "cz zasilanie elektryczne (rys 2a), kabel grzewczy (rys 2b), kabel czujnika (rys 2c). Przed u!enie kabla czujnika pod ogowego musi by# wykonane
zgodnie z normami obowi"zuj"cymi dla instalacji elektrycznych na napi%cie 230V. Uziemienie (rys 2d) pod "cza si% poza termostatem za pomoc"
z "czki.
4.
Umie&# termostat w puszce i przymocuj &rubkami.
5.
Za ó! ramk%, pokryw% i pokr%t o termostatu.
Monta! natynkowy.Wymaga ramki E 8581668 (rys 3)
Umie&# ramk% na &cianie, nast%pnie zainstaluj termostat wed ug wy!ej podanych wskazówek.
Monta! w mokrym pomieszczeniu. U!yj IP 21 - uszczelka typu 66 210 06 (rys 4)
Ustawienia
EB-Therm 100 mo!e kontrolowa# temperatur% w trzech opcjach:
A - Termostat pokojowy i pod ogowy - termostat reguluje temperatur% pomieszczenia w oparciu o wskazania czujnika wewn%trznego. Zewn%trzny czujnik pod ogowy dzia a jako
zabezpieczenie przeciw przegrzaniu pod ogi. Dla pod ogi drewnianej ustawia maksymaln" temperatur% pod ogi na ok. 27°C (ustawienie jak na rys 5a)
B - Termostat pod ogowy (Opcja 2 jest ustawiona fabrycznie) - termostat reguluje temperatur% pod ogi w oparciu o wskazania zewn%trznego czujnika pod ogowego. (ustawienie jak na
rys 5d)
C - Termostat pokojowy - termostat reguluje temperatur% pomieszczenia w oparciu o wskazania czujnika wewn%trznego. Zewn%trzny czujnik pod ogowy nie jest u!ywany (ustawienie
jak na rys 5e).
Dla opcji A w zasadzie nie zmienia si% ustawienia maksymalnej temperatury pod ogi ale w razie potrzeby mo!na j" zmieni# w zakresie od 15°C (rys 5b) do 39°C (rys 5c). Ustawienia
dokonuje si% potencjometrem u!ywaj"c ma ego &rubokr%ta. Temperatur% pomieszczenia ustawia si% przy pomocy pokr%t a termostatu (rys 1c). Przy opcjach B i C, dla ustawienia
temperatury pod ogi lub pomieszczenia, u!ywa si% tylko pokr%t a termostatu (rys 1c). Ustawienie na cyfrze 3 zapewnia temperatur% oko o 20°C.
Po kilku dniach, kiedy temperatura si% ustabilizuje, zaleca si% regulacj% ustawie$ termostatu. Po ostatniej regulacji mo!na zablokowa# ustawienia przez zmian% po o!enia dwóch trzpieni
umieszczonych pod pokr%t em termostatu.
Opis techniczny EB-Therm 100
Napi%cie
Skala temperatury powietrza
Skala temperatury pod ogi
Moc przeka'nika
G ówny prze "cznik
Wska'nik mocy
Tolerancja
Skala temperatury otoczenia
Obudowa
Kolor
Sygnalizacja
Sie# 230V
Kabel grzewczy w "czony
230VAC ±10%;50Hz
+5°C do+40°
+5°C do+40°
250V 12A 2700W
typ dwubiegunowy
cos!= 0,3max
±0,5°C
0°C do +60°C
IP21
Bia y (Polarny)
Zielony LED
Czerwony LED
Przystosowane do Eljo Trend, Elko RS, Strömfors oraz Merten
zestaw ramek, certyfikat-EMC,
odporny na impulsy 2500 VAC.
Dodatki do EB-Therm 100
Numer artyku u
nazwa
wymiar [mm]
E 85 816 81
EB-Therm 50
81x81x40
E 85 816 68
Ramka natynkowa 81x81x18
E 85 816 71
czujnik pod ogowy kabel 3m1)*
66 210 27
pokrywa przednia- ELJO TREND*
66 210 30
pokrywa przednia- ELKO RS*
66 210 06
uszczelka IP21*
66 210 54
ramka – ELJO TREND*
66 210 56
ramka - Strömfors*
14 408 80
z "czka*
E 85 816 97
Back Plate, Polar white
1) Maksymalna
d ugo&# kabla czujnika 50m, 2x1,5mm2
* elementy zawarte w zestawie