506.Szkoła Imieliny_Schemat_Wody_Lodowej III.S.11 - Bip

Transkrypt

506.Szkoła Imieliny_Schemat_Wody_Lodowej III.S.11 - Bip
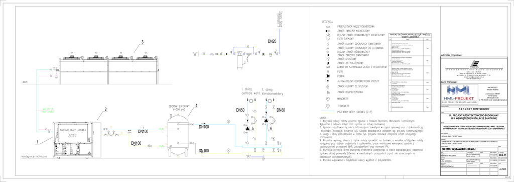
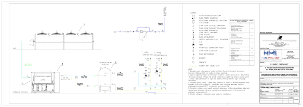
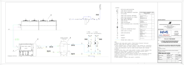
WYKAZ GŁÓWNYCH URZĄDZĘŃ - WĘZEŁ
WODY LODOWEJ
Lp.
DN20
3
nazwa
1
Agregat wody lodowej wersja cicha
dostosowany do pracy ze zdalnym skraplaczem
Qch=103,4 kW
Masa: 721 kg
Wymiary szer/wys/gł: 1500/1550/870mm
Moc elektryczna 31,0 kW
Zasilanie elektryczne: 400-3-50 V-ph-Hz
Zasilanie pomcnicze: 230-1-50 V-ph-Hz
2
Moduł hydrauliczny agregatu wody lodowej:
- pompa obiegowa
- zawór bezpieczeństwa
- naczynie wzbiorcze
Moc elektryczna 31,0 kW
Zasilanie elektryczne: 400-3-50 V-ph-Hz
ilość
1 kpl.
jednostka projektowa:
3
4
5
6
4
2
7
DN50
DN80
1kpl.
AB-PROJEKT
Skraplacz zdalny czynnik chłodniczy R410A
dostosowany do pracy ze zdalnym skraplaczem
Qc=173,4 kW
Masa: 421 kg
Wymiary szer/wys/gł: 5261/1034/750mm
Moc elektryczna 4,2 kW
Zasilanie elektryczne: 400-3-50 V-ph-Hz
1 kpl.
Zbiornik buforowy wody lodowej
V=300 dm3
1 szt.
Pompa obiegu wody lodowej
Typ: IP-E 65/120-3/2 PN10
Punkt pracy:
- V=46,5 m3/h
- Dp=112kPa
P=3,9kW, I=9,50A, U=3~400V/50Hz,
ciężar netto: 49 kg
Pompa obiegu wody lodowej
Typ: IP-E 65/120-3/2 PN10
Punkt pracy:
- V=46,5 m3/h
- Dp=112kPa
P=3,9kW, I=9,50A, U=3~400V/50Hz,
ciężar netto: 49 kg
Stacja uzdatniania wody
a r c h i t e k t o n i c z n e
b i u r o
biuro branżowe:
HML-PROJEKT
Mirosław Wyderka
1 szt.
ul.Chorzowska 44B/907
44-100 Gliwice
NIP 642-288-18-36
tel: 795 492 088 email: [email protected]
1 szt.
1 szt.
p r o j e k t ó w
spółka z o.o. w Tychach
adres: ul. Fabryczna 43, PL 43-100 TYCHY
tel.: 032/217 31 76, 032/217 51 59, fax: 032/217 71 70
e-mail: [email protected]
www.ab-projekt.com.pl
nazwa projektu:
P R O J E K T PRZETARGOWY
część:
III. PROJEKT ARCHITEKTONICZNO-BUDOWLANY
III.S WEWNĘTRZNE INSTALACJE SANITARNE
TI
temat:
DN100
5
DN100
6
ROZBUDOWA SZKOŁY- M.IN. BUDOWA SALI GIMNASTYCZNEJ WRAZ Z BUDOWĄ
INFRASTRUKTURY TECHNICZNEJ ZJAZDU I PRZEBUDOWA ULICY DĄBROWSKIEJ
adres inwestycji:
ul. Karola Miarki 7, 41-407 Imielin
1
inwestor:
GMINA IMIELIN - SZKOŁA PODSTAWOWA IM. KARDYNAŁA STEFANA WYSZYŃSKIEGO,
ul. Karola Miarki 7, 41-407 Imielin
DN100
skala:
nazwa rysunku:
DN100
TI
SCHEMAT WĘZŁAWODYLODOWEJ
autor:
mgr inż.
MIROSŁAW WYDERKA
sprawdził:
mgr inż.
LIDIA WYDERKA
opracował:
mgr inż.
GRZEGORZ PATYK
nr. uprawnień:
podpis:
SLK/2776/PWOS/09
data podpisu
11.12.2015
specjal. sanitarna
data podpisu
SLK/4943/POOS/13
specjal. sanitarna
nr. uprawnień:
nr rysunku:
III.S.11
data opracowania
11.12.2015 11.12.2015
podpis:
data podpisu
znak:
11.12.2015
A-2965