AA BB

Transkrypt

AA BB
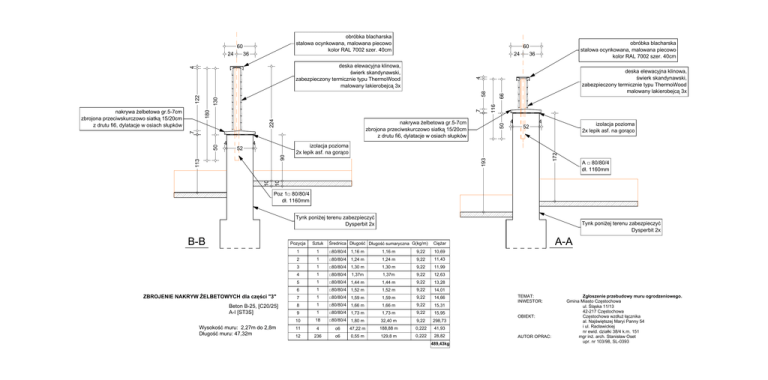
obróbka blacharska
stalowa ocynkowana, malowana piecowo
kolor RAL 7002 szer. 40cm
24
36
24
224
66
116
4
52
4
izolacja pozioma
2x lepik asf. na gorąco
izolacja pozioma
2x lepik asf. na gorąco
A □ 80/80/4
dł. 1160mm
10
10
deska elewacyjna klinowa,
świerk skandynawski,
zabezpieczony termicznie typu ThermoWood
malowany lakierobejcą 3x
193
90
50
4
50
nakrywa żelbetowa gr.5­7cm
zbrojona przeciwskurczowo siatką 15/20cm
z drutu fi6, dylatacje w osiach słupków
7
52
113
4
36
4
180
7
130
122
58
4
deska elewacyjna klinowa,
świerk skandynawski,
zabezpieczony termicznie typu ThermoWood
malowany lakierobejcą 3x
nakrywa żelbetowa gr.5­7cm
zbrojona przeciwskurczowo siatką 15/20cm
z drutu fi6, dylatacje w osiach słupków
obróbka blacharska
stalowa ocynkowana, malowana piecowo
kolor RAL 7002 szer. 40cm
60
172
60
Poz 1□ 80/80/4
dł. 1160mm
Tynk poniżej terenu zabezpieczyć
Dysperbit 2x
B­B
ZBROJENIE NAKRYW ŻELBETOWYCH dla części "3"
Beton B­25, [C20/25]
A­I [ST3S]
Wysokość muru: 2,27m do 2,8m
Długość muru: 47,32m
Tynk poniżej terenu zabezpieczyć
Dysperbit 2x
Pozycja
Sztuk
1
1
□80/80/4
1,16 m
1,16 m
9,22
10,69
2
1
□80/80/4
1,24 m
1,24 m
9,22
11,43
3
1
□80/80/4
1,30 m
1,30 m
9,22
11,99
4
1
□80/80/4
1,37m
1,37m
9,22
12,63
5
1
□80/80/4
1,44 m
1,44 m
9,22
13,28
6
1
□80/80/4
1,52 m
1,52 m
9,22
14,01
7
1
□80/80/4
1,59 m
1,59 m
9,22
14,66
8
1
□80/80/4
1,66 m
1,66 m
9,22
15,31
9
1
□80/80/4
1,73 m
1,73 m
9,22
15,95
10
18
□80/80/4
1,80 m
32,40 m
9,22
298,73
11
4
o6
47,22 m
188,88 m
0,222
41,93
12
236
o6
0,55 m
129,8 m
0,222
28,82
Średnica Długość Długość sumaryczna G(kg/m)
A­A
Ciężar
489,43kg
TEMAT:
INWESTOR:
OBIEKT:
AUTOR OPRAC:
Zgłoszenie przebudowy muru ogrodzeniowego.
Gmina Miasto Częstochowa
ul. Śląska 11/13
42­217 Częstochowa
Częstochowa wzdłuż łącznika
al. Najświętszej Maryi Panny 54
i ul. Racławickiej
nr ewid. działki 38/4 k.m. 151
mgr inż. arch. Stanisław Oset
upr. nr 103/98, SL­0393