D:\Documents\1.INWESTYCJE 2016\I_04_16 Doliny Miętusiej

Transkrypt

D:\Documents\1.INWESTYCJE 2016\I_04_16 Doliny Miętusiej
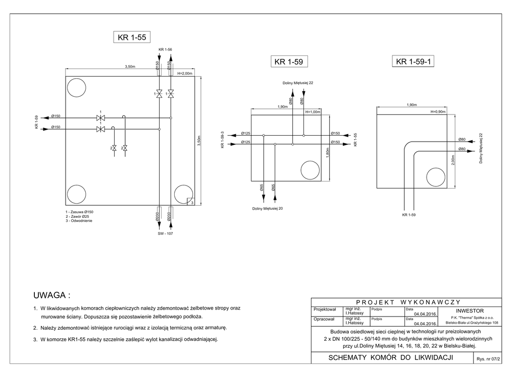
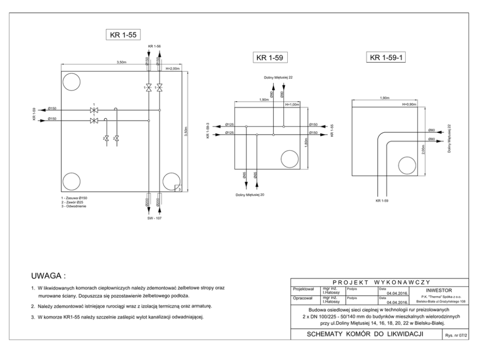
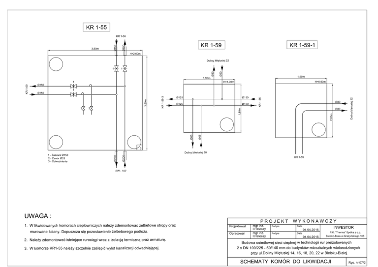
KR 1-55
3,50m
KR 1-59-1
KR 1-59
Ø150
Ø150
KR 1-56
H=2,00m
Doliny Miętusiej 22
Ø80
1
Ø80
1
1,90m
1,90m
H=0,90m
H=1,00m
1
Ø80
Ø80
2,00m
Doliny Miętusiej 22
Ø150
KR 1-55
Ø125
1,80m
Ø150
Ø65
2
Ø125
Ø65
2
KR 1-59-3
Ø150
3,50m
KR 1-59
1
Ø150
3
Ø200
Ø200
Doliny Miętusiej 20
1 - Zasuwa Ø150
2 - Zawór Ø25
3 - Odwodnienie
KR 1-59
SW - 107
UWAGA :
PROJEKT
1. W likwidowanych komorach ciepłowniczych należy zdemontować żelbetowe stropy oraz
murowane ściany. Dopuszcza się pozostawienie żelbetowego podłoża.
2. Należy zdemontować istniejące rurociągi wraz z izolacją termiczną oraz armaturę.
3. W komorze KR1-55 należy szczelnie zaślepić wylot kanalizacji odwadniającej.
Projektował
Opracował
mgr inż.
I.Hatossy
mgr inż.
I.Hatossy
Podpis
WYKONAWCZY
Data
04.04.2016.
Podpis
Data
04.04.2016.
INWESTOR
P.K. "Therma" Spółka z o.o.
Bielsko-Biała ul.Grażyńskiego 108
Budowa osiedlowej sieci cieplnej w technologii rur preizolowanych
2 x DN 100/225 - 50/140 mm do budynków mieszkalnych wielorodzinnych
przy ul.Doliny Miętusiej 14, 16, 18, 20, 22 w Bielsku-Białej.
SCHEMATY KOMÓR DO LIKWIDACJI
Rys. nr 07/2