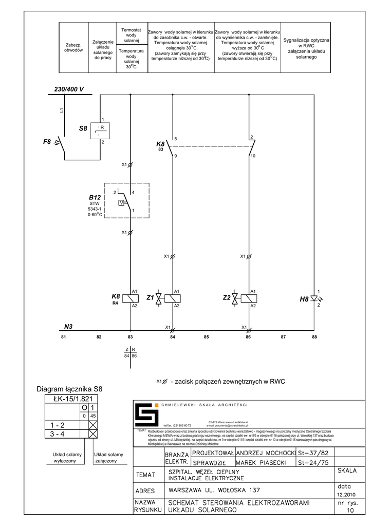
3 - 4 1 1 - 2 ŁK-15/1.821 O Diagram łącznika S8

Transkrypt

3 - 4 1 1 - 2 ŁK-15/1.821 O Diagram łącznika S8
Załączenie
ukladu
solarnego
do pracy
Zabezp.
obwodów
Termostat
wody
solarnej
Zawory wody solarnej w kierunku Zawory wody solarnej w kierunku
do zasobnika c.w. - otwarte.
do wymiennika c.w. - zamknięte.
Sygnalizacja optyczna
Temperatura wody solarnej
Temperatura wody solarnej
o
o
w RWC
osiągnęła 30 C
wyższa od 30 C
Temperatura
załączenia układu
(zawory zamykają się przy
(zawory otwierają się przy
o
wody
o
solarnego
temperaturze niższej od 30 C)
temperaturze niższej od 30 C)
solarnej
o
30 C
L1
230/400 V
1
S8
R
F8
2
5
2
9
10
K8
83
X1
B12
2
4
V
STW
5343-1
0
0-60 C
1
X1
X1
X1
A1
K8
R4
A1
A1
Z1
A2
83
2
A2
X1
82
H8
A2
N3
81
1
Z2
X1
84
85
86
87
88
Z R
84 86
X1
Diagram łącznika S8
ŁK-15/1.821
O 1
0
CHMIELEWSKI
SKAŁA
ARCHITEKCI
45
1-2
3-4
Układ solarny
wyłączony
- zacisk połączeń zewnętrznych w RWC
tel/fax. /22/ 885 60 72
02-929 Warszawa ul.Jedlińska 4
e-mail [email protected]
TEMAT Rozbudowa i przebudowa oraz zmiana sposobu użytkowania budynku warsztatowo - magazynowego na potrzeby medyczne Centralnego Szpitala
Klinicznego MSWiA wraz z budową parkingu naziemnego, na części działki ew. nr 8/3 w obrębie 0116 położonej przy ul. Wołoskiej 137 oraz budowa
wjazdu od strony ul. Miłobędzkiej, na części działki ew. nr 9 w obrębie 0115 i części działki ew. nr 10 w obrębie 0116 stanowiących pas drogowy ul.
Miłobędzkiej w Warszawie na terenie Dzielnicy Mokotów.
Układ solarny
załączony