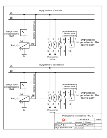
Podłączenie PHU-3

Transkrypt

Podłączenie PHU-3
Wy³¹czenie w obwodzie 1
Ä
Zasilanie pomocnicze
é
Zestyk s³aby
zabezpieczenia
OW1
14
Zestyki s³abe
sygnalizacyjne
2
5
8
11
4
3
6
9
12
10
1Ä
PHU-3
13
ü
7
Sygnalizacja
lub pobudzenie LRW
zestyk s³aby
Wy³¹czenie
mocne
Wy³¹czenie w obwodzie 2
Ä
Zasilanie pomocnicze
é
Zestyk s³aby
zabezpieczenia
OW2
14
1
PHU-3
13
â
Zestyki s³abe
sygnalizacyjne
2
5
8
11
4
3
6
9
12
10
é
7
Sygnalizacja
lub pobudzenie LRW
zestyk s³aby
Wy³¹czenie
mocne
Pod³¹czenie przekaŸnika PHU-3
Dokumentacje
Title
SKALA 1:1
Rys Ei 063/01/03
Wykona³
S.Basan
Sprawdzi³ M.¯ychowski
Zatwierdzi³
Podpis