pobierz dokumentację

Transkrypt

pobierz dokumentację
AMPIO INTELIGENTNY DOM
Karta katalogowa
®
INTELIGENTNY
www.ampio.pl
DOM
Moduł wyjść OC - MOC-4
iDomKonfigurator. Dzięki niemu możemy skonfigurować w jaki sposób
moduł ma reagować na wejścia oraz sygnały z magistrali CAN.
Opis modułu
Moduł MOC-4 jest składnikiem systemu Ampio Inteligentny Dom i
może służyć do:
ź załączania oświetlenia,
ź płynnej regulacji oświetlenia,
ź podawania impulsu masy w celu wysterowania innych urządzeń.
Dane techniczne:
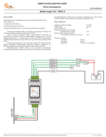
Sterowanie modułem odbywa się poprzez magistralę CAN-Bus. Do
zasilania modułu wymagane jest napięcie 12V DC.
Cztery wyjścia urządzenia (typu "open-collector") pozwala na
niezależne sterowanie czterema odbiornikami. Wyjścia OUT1...OUT4
podają impuls masy i są wyposażone w sterowanie PWM (wypełnienie
impulsu) dzięki któremu mamy możliwość np. sterowania jasnością diód
LED.
Maksymalne napięcie wysterowania dla wyjść OUT wynosi 16V DC.
Moduł umożliwia zrealizowanie ciekawych efektów świetlnych np.
płynnego zapalania i gaszenia diód LED w podświetleniu schodów .
Programowanie modułu odbywa się za pomocą specjalnego
programatora dostępnego dla autoryzowanych instalatorów oraz programu
Napięcie zasilania modułu
Pobór prądu
Liczba wyjść O-C
Maksymalny prąd wysterowania
pojedynczego wyjścia
Maksymalny sumaryczny prąd
wszystkich wysterowanych wyjść
Wymiary modułu:
szerokość
wysokość
głębokość
Wyjście 3
Wyjście 4
12V DC
30 mA
4
10A
16A
35 mm
65 mm
130 mm (z wtyczkami)
rezystor
rezystor
Wyjście 5
Wyjście 6
Masa
+12V
GND
Zasilacz
LED
+12V
OUT1 OUT2 OUT3 OUT4
GND
®
INTELIGENTNY
DOM
MODULE MOC-4
4 x OUTPUT OC
szyna CAN
CAN
HI
CAN
LOW
+12V DC
+
GND
CAN High
CAN Low
+12 V
MASA
Copyright © 2011 Automatyka-Control. All rights reserved. Wszystkie prawa zastrzeżone. Kopiowanie i rozpowszechnianie zabronione.
ver 1.0, 21.03.2011