wentylator osiowy woo - 40

Transkrypt

wentylator osiowy woo - 40
WENTYLATOR OSIOWY WOO - 40
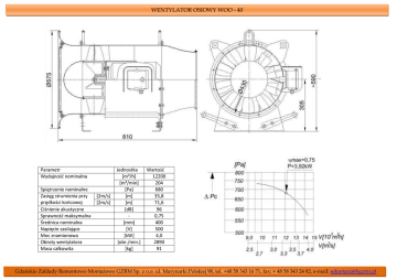
Parametr
Wydajność nominalna
Spiętrzenie nominalne
Zasięg strumienia przy
prędkości końcowej
Ciśnienie akustyczne
Sprawność maksymalna
Średnica nominalna
Napięcie zasilające
Moc znamionowa
Obroty wentylatora
Masa całkowita
[2m/s]
[2m/s]
Jednostka
[m³/h]
[m³/min]
[Pa]
[m]
[m]
[dB]
[mm]
[V]
[kW]
[obr./min.]
[kg]
Wartość
12200
204
680
35,8
71,6
96
0,75
400
500
4,0
2890
91
Gdańskie Zakłady Remontowo Montażowe GZRM Sp. z o.o. ul. Marynarki Polskiej 98, tel. +48 58 343 16 71, fax: + 48 58 343 24 82, e-mail: [email protected]