Open PDF - HYDROTOR

Transkrypt

Open PDF - HYDROTOR
P
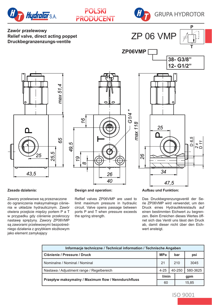
Zawór przelewowy
Relief valve, direct acting poppet
Druckbegranzenzungs-ventile
ZP 06 VMP
T
ZP06VMP
D 6,5
2x
D 11
P
T
25
26
49,5
8
19
25
25,5
65
P
16
G1/4 "
max 118
max 51,4
38- G3/8”
12- G1/2”
43,5
26
40
34
47,5
Zasada działania:
Design and operation:
Aufbau und Funktion:
Zawory przelewowe są przeznaczone
do ograniczenia maksymalnego ciśnienia w układzie hydraulicznym. Zawór
otwiera przejście między portem P a T
w przypadku gdy ciśnienie przekroczy
nastawę sprężyny. Zawory ZP06VMP
są zaworami przelewowymi bezpośredniego działania z grzybkiem stożkowym
jako element zamykający
Reflief valves ZP06VMP are used to
limit maximum pressure in hydraulic
circuit. Valve opens passage between
ports P and T when pressure exceeds
the spring strength.
Das Druckbegrenzungsventil der Serie ZP06VMP wird verwendet, um den
Druck eines Hydraulikkreislaufs auf
einen bestimmten Eichwert zu begrenzen. Beim Erreichen dieses Wertes öffnet sich das Ventil uns lässt den Druck
ab, damit dieser nicht über den Eichwert ansteigt.
Informacje techniczne / Technical information / Technische Angaben
Ciśnienie / Pressure / Druck
MPa
bar
psi
Nominalne / Nominal / Nominal
21
210
3045
4-25
40-250
Nastawa / Adjustment range / Regelbereich
Przepływ maksymalny / Maximum flow / Nenndurchfluss
580-3625
l/min
gpm
60
15,85
ISO 9001