Dane techniczne 100 Czujniki temperatury otoczenia TOPO

Transkrypt

Dane techniczne 100 Czujniki temperatury otoczenia TOPO
Limatherm Sensor Sp. z o.o.
ul. Tarnowska 1, 34 600 Limanowa
www.limathermsensor.pl
tel.
fax.
+48 18 337 99 00
+48 18 337 99 10
e-mail
[email protected]
SENSOR
Czujniki temperatury otoczenia
TOPO-831, TONO-831
Dane techniczne
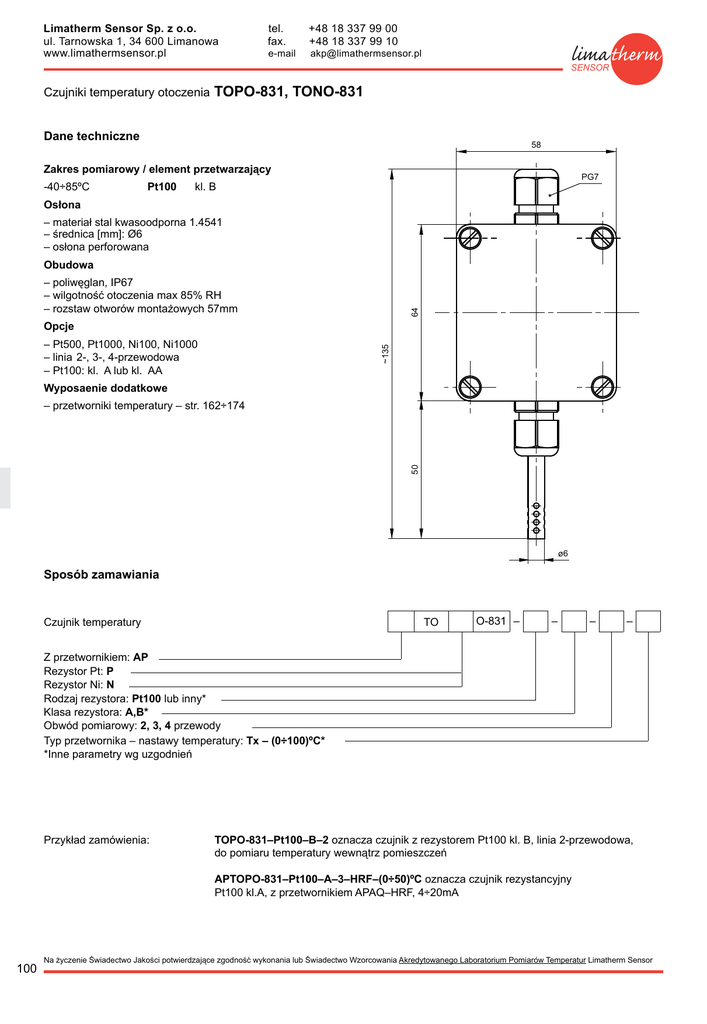
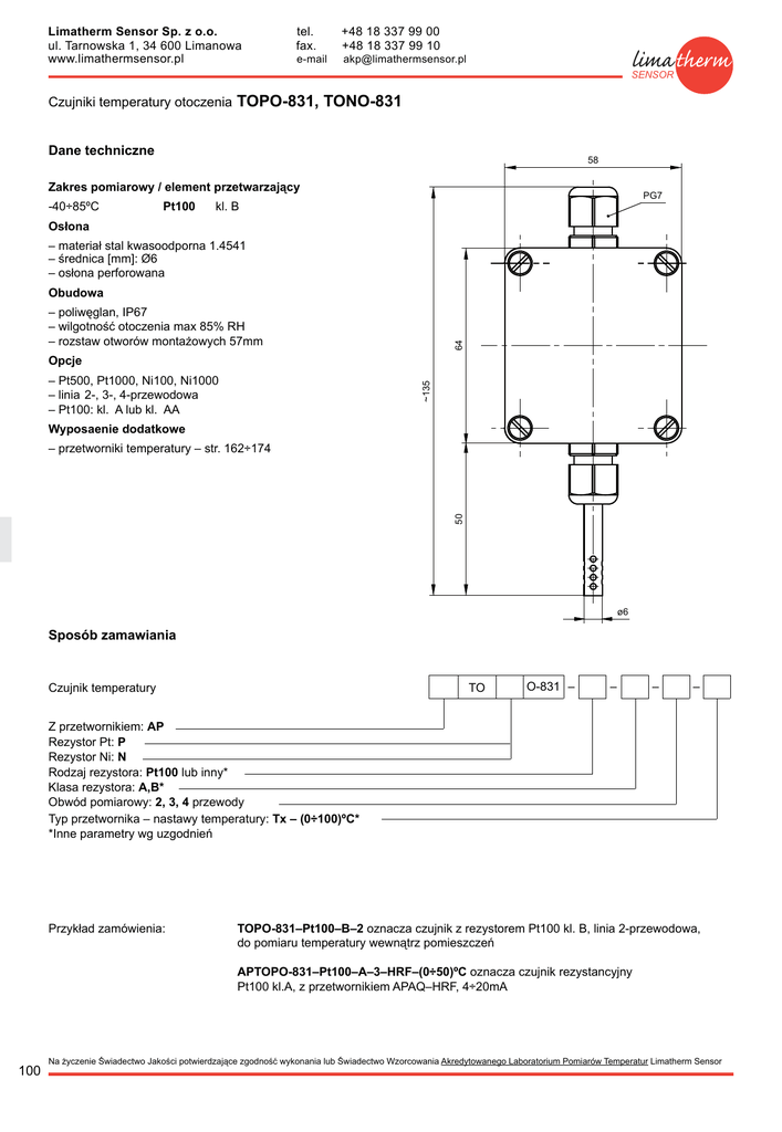
58
Zakres pomiarowy / element przetwarzający
-40÷85ºC
Pt100
PG7
kl. B
Osłona
– materiał stal kwasoodporna 1.4541
– średnica [mm]: Ø6
– osłona perforowana
Obudowa
64
– poliwęglan, IP67
– wilgotność otoczenia max 85% RH
– rozstaw otworów montażowych 57mm
Opcje
~135
– Pt500, Pt1000, Ni100, Ni1000
– linia 2-, 3-, 4-przewodowa
– Pt100: kl. A lub kl. AA
Wyposaenie dodatkowe
50
– przetworniki temperatury – str. 162÷174
ø6
Sposób zamawiania
Czujnik temperatury
TO
O-831 –
–
–
–
Z przetwornikiem: AP
Rezystor Pt: P
Rezystor Ni: N
Rodzaj rezystora: Pt100 lub inny*
Klasa rezystora: A,B*
Obwód pomiarowy: 2, 3, 4 przewody
Typ przetwornika – nastawy temperatury: Tx – (0÷100)ºC*
*Inne parametry wg uzgodnień
Przykład zamówienia:
TOPO-831–Pt100–B–2 oznacza czujnik z rezystorem Pt100 kl. B, linia 2-przewodowa,
do pomiaru temperatury wewnątrz pomieszczeń
APTOPO-831–Pt100–A–3–HRF–(0÷50)ºC oznacza czujnik rezystancyjny
Pt100 kl.A, z przetwornikiem APAQ–HRF, 4÷20mA
100
Na życzenie Świadectwo Jakości potwierdzające zgodność wykonania lub Świadectwo Wzorcowania Akredytowanego Laboratorium Pomiarów Temperatur Limatherm Sensor