1. Badanie obwodu trójfazowego gwiazdowego

Transkrypt

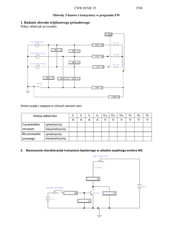
1. Badanie obwodu trójfazowego gwiazdowego
ĆWICZENIE 35
2TM
Obwody 3-fazowe i tranzystory w programie EW
1. Badanie obwodu trójfazowego gwiazdowego
Połącz układ jak na rysunku
Zmierz prądy i napięcia w różnych stanach sieci.
Rodzaj odbiornika
Z przewodem
zerowym
symetryczny
niesymetryczny
Bez przewodu
zerowego
symetryczny
niesymetryczny
I1
A
I2
A
I3
A
IN
A
U12
V
U23
V
U31
V
U1
V
U2
V
2. Wyznaczenie charakterystyk tranzystora bipolarnego w układzie wspólnego emitera WE.
U3
V
Tranzystor typu:..................
UCEO=......V,
IC=…….mA,
Ptot=.......W,
h21E(kI )=.........
fT=........MHz
UCE
IB1=......A
V
IC
mA
UBE
V
I
mA
C
IB2=......A
UBE
V
Na podstawie pomiarów narysuj charakterystyki: wyjściową IC= f(UCE) i sprzężenia zwrotnego UBE=
f(UCE) przy IB= const.
UCE1=.............V
IB
A
UBE
V
IC
mA
UCE2=.............V
IB
A
UBE
V
IC
mA
Na podstawie pomiarów narysuj charakterystyki: wejściową IB= f(UBE) i przejściową IC= f(IB) przy
UCE= const. Wszystkie charakterystyki narysuj w jednym układzie współrzędnych
3. Badanie stabilizatora napięcia stałego
Schemat połączeń:
W układzie przedstawionym na rys. wykonać pomiary dla kilku zadanych wartości napięcia
wejściowego. Wyniki pomiarów zestawić w tabeli
Lp.
Uwe
V
Iz
mA
Uwy
V
1
2
3
4
5
6
Na podstawie wyników zawartych w tabeli narysować charakterystykę Uwy=f(Uwe). Określić
współczynnik stabilizacji
FU 
dUwy
dUwe

Uwy
Uwe

4. Badanie powielacza napięcia
Schemat połączeń
a) zaobserwować i odrysować z ekranu oscyloskopu kształt krzywej napięcia wejściowego ,
b) zaobserwować na ekranie oscyloskopu kształt napięcia wyjściowego ,
c) odczytać wartość napięcia wejściowego (z oscyloskopu) oraz odczytać wskazania woltomierza.
Wyniki pomiarów zestawić w tabeli.
Uwe max
Uwy
V
V
Na podstawie wyników obliczyć stosunek Uwy do Uwe.
4. Badanie stabilizatora z diodą Zenera
FU 
dUwy
dUwe

Uwy
Uwe

Stabilizator napięcia stałego z diodą Zenera: a) schemat, b) charakterystyka prądowo-napięciowa
diody Zenera