TDA1521 - Serwis Elektroniki

Transkrypt

TDA1521 - Serwis Elektroniki
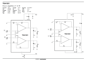
TDA1521
Power amplifier 2* 12 W
VCCmax
PO
ICC0typ
Gain
RIN
±20 V
2*12 W
40 mA
30 dB
20 kW
VCCtyp
RL
ICC0max
Noise
Case
±16 V
8W
70 mA
2.5 mV
SIL-9P
VCCrng
THD
Imax
Rthj-c
±7.5÷±20 V
10 %
4A
2.5 °C/W
+Vcc
680µ
+Vcc
+
100n
7
2
to pin 5
7
2
680
20k
20k
680
100n
-
-
4
4
In
In1
220n
+
1
22n
220n
8W
3
3
TDA1521
20kW
9
TDA1521
20k
8.2
In
8.2
8W
220n
+
9
+
220n
680
-
6
680
6
8
22n
20k
20kW
In2
+
1
8
22n
-
22n
20k
20k
8W
8W
8.2
8.2
5
680µ
5
-Vcc
+
680µ
SERWIS
ELEKTRONIKI
+
-Vcc
Objaśnienia skrótów i terminów
Skróty stosowane w tabelach
Case
Gain
I CC0 max
I CC0typ
I max
Noise
PO
R IN
RL
R thj-a
R thj-c
THD
V CCmax
V CCrng
V CCtyp
Obudowa – w tabelach starano się stosować nazwy obudów
podawanych przez producentów, ale nie zawsze było to
możliwe
Wzmocnienie w układzie pomiarowym
Maksymalna wartość prądu zasilania – bez wysterowania
Typowa wartość jałowego prądu zasilania dla typowego
napięcia zasilającego
Maksymalna, powtarzalna, wartość prądu wyjściowego
Napięcie szumów szerokopasmowych na wejściu
wzmacniacza. Niektórzy producenci podają w swoich
katalogach wartość napięcia szumów na wyjściu
wzmacniacza pracującego w układzie pomiarowym. W takim
przypadku dokonano odpowiednich przeliczeń, tak aby
odnieść napięcie szumów do wejścia wzmacniacza.
Moc wyjściowa w warunkach pomiarowych. Jeżeli producent
podaje dane dla innych warunków pracy (napięcie zasilające,
rezystancja obciążenia), uważając je za typowe, to takie dane
są również zamieszczone.
Rezystancja wejściowa – wartość typowa
Rezystancja obciążenia
Rezystancja termiczna przejścia złącze – otoczenie
Rezystancja termiczna przejścia złącze – obudowa
Zniekształcenia harmoniczne. W tabelach podawana jest
wartość współczynnika zniekształceń dla określonych,
typowych warunków pracy. Różni producenci podają
dodatkowo wartość współczynnika zniekształceń dla innych
warunków pracy –zwłaszcza dla mniejszego (czasem całkiem
małego) poziomu mocy wyjściowej.
Maksymalna wartość napięcia zasilającego
Zakres wartości napięcia zasilającego, w którym układ
pracuje poprawnie
Typowa wartość napięcia zasilającego, dla której podawane
są inne parametry
Terminy stosowane na schematach
Additional
AC
AGC
ALC
Ambient
Amp, amplifier
AMS
ASO/Surge Protection
Attenuator
AUX
Basewidth
Bias
Booster Amp Unit
Bridge
BTL
Buffer
By-pass
Case
Certain
Ceramic
C. Channel
Channel
Charge
Circuit
Clipping Detector
Compatibility
Connect
Consumption
Control
Cooling fin
Current
D/A Converter
Diagnostic Facility
DC
Decoupling
DIFF Peak Detector
dodatkowy
prąd zmienny (przemienny)
automatyczna regulacja wzmocnienia
automatyczna regulacja poziomu
otoczenie
wzmacniacz
Auto Musie Sensor – automatyczne wykrywanie muzyki
zabezpieczenie przed przepięciem
tłumik, dzielnik sygnału
dodatkowy
szerokość bazy stereo
polaryzacja
tu: układ sterujący wzmacniaczem mocy
wzmacniacz w układzie mostkowym
wzmacniacz w układzie mostkowym
separator, wzmacniacz buforowy
obejście
przypadek
ustalony, niezawodny
ceramiczny
kanał wspólny – tło dźwiękowe
kanał
ładowanie
obwód, układ scalony
detektor ograniczania (obcinania) sygnału
odpowiedniość, zgodność
połączyć
pobór [mocy]
tu: regulacja, sterowanie
tu: radiator
prąd
przetwornik cyfrowo-analogowy
ułatwienie diagnostyki
prąd stały
odsprzężenie
różnicowy detektor wartości maksymalnej
Differential
Dimensions
Discharge
Display Driver VF
Distortion
Driver
Dual
EEPROM-Shadow Memory
Equivalent
Erroneous
Extend
Facility
Feature
Feedback
Few
FM
FM Detector
Free
Frequency Compensation
Ground Isolator
Head Unit
Heat Sink Tabs
l2C Bus
IF
Integrator
Internal
Impedance Adapter
Latch
L. Channel
Level Shift
Limiter
Load
Load Dump
Lower
Low Boost
Low pass
Matrix
Mixer
Monitor
różnicowy
wymiary
rozładowanie
układ sterujący wyświetlaczem fluorescencyjnym
zniekształcenia
tu: układ napędzający, sterujący
podwójny
nieulotna pamięć nakładkowa
odpowiednik
niewłaściwe
rozszerzać, rozciągać
łatwość
właściwość, cecha
sprzężenie
niewiele
modulacja częstotliwości
detektor częstotliwości
wolny, swobodny
kompensacja częstotliwościowa
układ odizolowujący od wspólnej masy
głowica
tu: radiator
dwuprzewodowa szyna sterująca
częstotliwość pośrednia
układ całkujący
wewnętrzny
przekładnik, konwerter impedancji
zatrzask
kanał lewy
przesuwanie poziomu
ogranicznik
obciążenie
obciążenie
niższy
uwypuklenie niskich częstotliwości
dolnoprzepustowy
matryca
mieszacz
układ kontroli, nadzór
Multiplexer
Muting
MUX
N.C.
Necessary
Network
NF
Open
Operation
Osc. Trans
Output
Output Suppression Function
Overload
Parallel
Part
Peak Wiper Value Stored
Pin
Piezo Transducer
Play
Playback
Pop
Power Amp.
Power ground
Preamplifier
Prevention
Protection
Provide
Push-pull
Quiescent
Ratings
R. Channel
Record
Reference
Relay
Reset
Ripple
Ripple filter
Safety
Self-recovering
przełącznik
blokada, wyciszenie
to samo co multiplexer
niepodłączony
niezbędne
sieć
ujemne sprzężenie zwrotne
otwarty
działanie
tranzystor oscylatora
wyjście
funkcja tłumienia wyjścia
przeciążenie
równoległy
element, część
zapamiętanie największego położenia potencjometru
wyprowadzenie
przetwornik piezoelektryczny
grać
odtwarzanie
tu: skrót od popcorn [noise] – szumy wybuchowe
wzmacniacz mocy
masa zasilająca
przedwzmacniacz
zapobieganie
zabezpieczenie
dostarczyć
przeciwsobnie
jałowy
dane znamionowe
kanał prawy
zapis
wzorzec, odniesienie
przekaźnik
zerowanie
tętnienia (nałożone na napięcie zasilające)
filtr tętnień
bezpieczeństwo
samoczynnie
Sensitivity
Sensor
Servo System
Shift Register
Shock Noise Suppression
Short
Shutdown
Signal ground
SOAR
Split
Squelch
Substitute
Stand-by
Stage
Strobe Generating Circuit
Substrate
Supply
Sure
SW
SYSCON
Tabs
Temperature Compensation
Threshold
Tone control
Unit
Upper
Variable Impedance Control
VCR
Voltage
Volume
VR
Wiper
czułość
czujnik
układ nadążny, serwo
rejestr przesuwny
tłumienie szumów wybuchowych
zwarcie
zamknięcie, wstrzymanie
masa sygnałowa
Safe Operating Area – obszar bezpiecznej pracy wzmacniacza
podział, tu: dzielone napięcie zasilające
blokada, wyłączenie
zamiennik
stan gotowości
stopień
układ strobujący
podłoże
zasilanie
pewny
przełącznik
tu: układ sterowania
tu: radiator
kompensacja (wpływów zmian) temperatury
próg
regulacja barwy tonu
jednostka
górny
regulacja zmiennej indukcyjności
magnetowid
napięcie
natężenie dźwięku
regulacja napięcia
ślizgacz potencjometru