ATV 11

Transkrypt

ATV 11
1
A
2
3
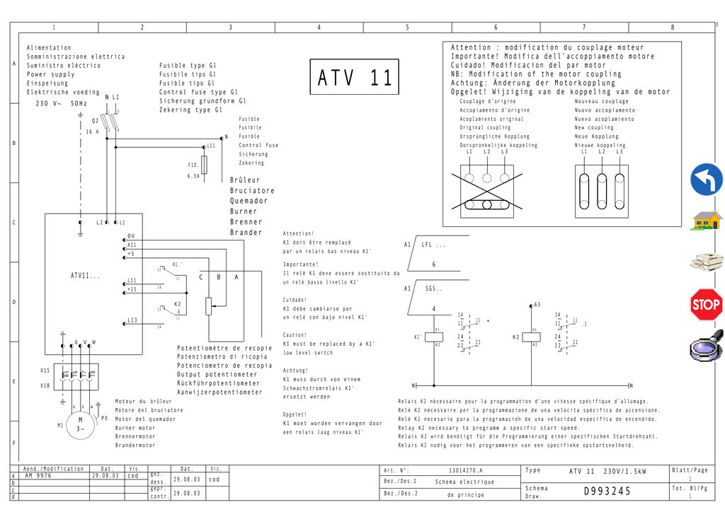
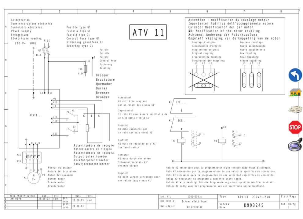
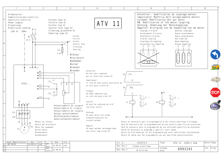
Alimentation
Somministrazione elettrica
Suministro eléctrico
Power supply
Einspeisung
Elektrische voeding
N L1
230 V~ 50Hz
1
4
Fusible type Gl
Fusibile tipo Gl
Fusible tipo Gl
Control fuse type Gl
Sicherung grundform Gl
Zekering type Gl
3
Q2
2
16 A
4
N
B
L11
5
6
ATV 11
Couplage d'origine
Nouveau couplage
Accopiamento d'origine
Nuovo accopiamento
Fusible
Acoplamiento original
Nuevo acoplamiento
Fusibile
Original coupling
New coupling
Fusible
Ursprüngliche Kopplung
Neue Kopplung
Control fuse
Oorspronkelijke koppeling
L1
L2
L3
Nieuwe koppeling
L1
L2
L3
Zekering
F10.
6.3A
L2
Brûleur
Bruciatore
Quemador
Burner
Brenner
Brander
L1
0V
Attention!
AI1
K1 doit être remplacé
+5
par un relais bas niveau K1'
K1.'
11
LI1
D
12
LFL ...
6
C
B
A
Il relè K1 deve essere sostituito da
un relè basso livello K1'
14
+15
A1
Importante!
12
ATV11...
A1
SG5..
Cuidado!
K2
.6
14
un relé con bajo nivel K1'
12
14
W
Potentiomètre de recopie
Potenziometro di ricopia
Potenciometro de recopia
Output potentiometer
Rückführpotentiometer
Aanwijzerpotentiometer
T8
T7
T6
B5
X1S
E
V
X1B
Moteur du brûleur
U
M1
V
M
3~
W
Motore del bruciatore
PE
a
b
c
d
Burner motor
Dat.
29.08.03
Vis.
cod
12
Dat.
gez.
2
9
.
08.03
dess.
gepr.
contr. 29.08.03
A2
11
.2
A1
22
24
K2
21
A2
22
21
low level switch
Achtung!
K1 muss durch von einem
N
Schwachstromrelais K1'
ersetzt werden
K1 moet worden vervangen door
een relais laag niveau K1'
Brandermotor
Aend./Modification
AM 9976
*
24
K1'
K1 must be replaced by a K1'
Opgelet!
Motor del quemador
Brennermotor
F
14
11
A1
Caution!
U
63
4
K1 debe cambiarse por
11
LI3
8
Attention : modification du couplage moteur
Importante! Modifica dell'accoppiamento motore
Cuidado! Modificacion del par motor
NB: Modification of the motor coupling
Achtung: Änderung der Motorkopplung
Opgelet! Wijziging van de koppeling van de motor
Sicherung
C
7
N
Relais K2 nécessaire pour la programmation d'une vitesse spécifique d'allumage.
Relè K2 nécessaire per la programmazione de una velocita spécifica de accensione.
Relé K2 necesario para la programacion de una velocidad especifica de encendido.
Relay K2 necessary to programm a specific start speed.
Relais K2 wird benötigt für die Programmierung einer spezifischen Startdrehzahl.
Relais K2 nodig voor het programmeren van een specifieke opstartsnelheid.
Vis.
Art. N°:
cod
Bez./Des.1
Schema electrique
Bez./Des.2
de principe
13014270.A
Type
Schema
Draw.
ATV 11
230V/1.5kW
D993245
Blatt/Page
1
Tot. Bl/Pg
1