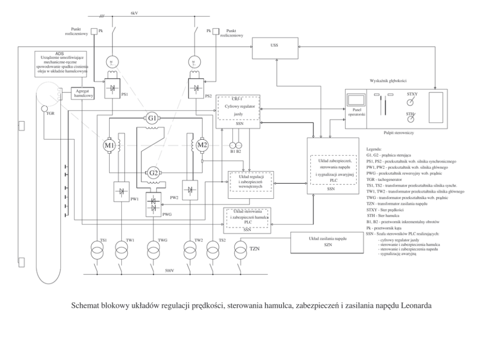
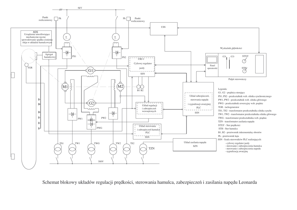
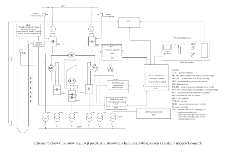
Schemat blokowy układów regulacji prędkości, sterowania hamulca

Transkrypt

Schemat blokowy układów regulacji prędkości, sterowania hamulca
6kV
Punkt
rozliczeniowy
Pk
Pk
Punkt
rozliczeniowy
USS
ADS
Urz dzenie umo liwiaj ce
mechaniczne-r czne
spowodowanie spadku cisnienia
oleju w układzie hamulcowym
M
3~
M
3~
Wyska nik gł boko ci
Agregat
hamulcowy
PS1
PS2
STXY
CRJ-1
Cyfrowy regulator
TGR
Panel
operatorski
jazdy
G1
STH
SSN
Pulpit sterowniczy
M2
M1
B1 B2
Układ zabezpiecze ,
sterowania nap du
G2
Układ regulacji
i zabezpiecze
wewn trznych
i sygnalizacji awaryjnej
PLC
SSN
PW2
PW1
Układ sterowania
i zabezpiecze hamulca
PLC
PWG
SSN
TS1
TW1
TWG
TW2
TS2
TZN
Układ zasilania nap du
SZN
Legenda:
G1, G2 - pr dnica steruj ca
PS1, PS2 - przekształtnik wzb. silnika synchronicznego
PW1, PW2 - przekształtnik wzb. silnika głównego
PWG - przekształtnik rewersyjny wzb. pr dnic
TGR - tachogenerator
TS1, TS2 - transformator przekształtnika silnika synchr.
TW1, TW2 - transformator przekształtnika silnika głównego
TWG - transformator przekształtnika wzb. pr dnic
TZN - transformator zasilania nap du
STXY - Ster pr dko ci
STH - Ster hamulca
B1, B2 - przetwornik inkrementalny obrotów
Pk - przetwornik k ta
SSN - Szafa sterowników PLC realizuj cych:
- cyfrowy regulator jazdy
- sterowanie i zabezpieczenia hamulca
- sterowanie i zabezpieczenia napedu
- sygnalizacj awaryjn
500V
Schemat blokowy układów regulacji pr dko ci, sterowania hamulca, zabezpiecze i zasilania nap du Leonarda