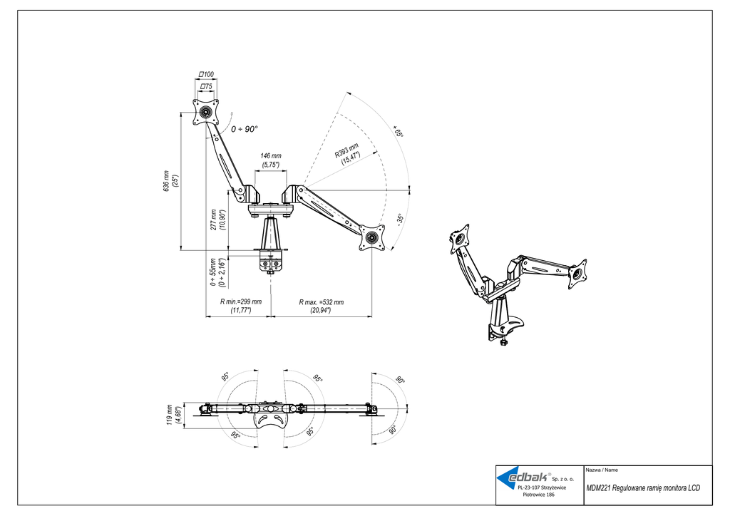
MDM221 Regulowane ramię monitora LCD

Transkrypt

MDM221 Regulowane ramię monitora LCD
o 100
o 75
5°
+6
0 ÷ 90°
m
3m )
9
3
R ,47"
(15
- 35°
(0 ÷ 2,16")
0 ÷ 55mm
277 mm
(10,90")
636 mm
(25")
146 mm
(5,75")
R min.=299 mm
(11,77")
95
°
95
°
119 mm
(4,68")
°
°
90
95
°
95
R max. =532 mm
(20,94")
90
°
Nazwa / Name
Sp. z o. o.
PL-23-107 Strzyżewice
Piotrowice 186
MDM221 Regulowane ramię monitora LCD