Micrografx Designer 9.0 - CAN-(M)G-Fiat-Stilo-02

Transkrypt

Micrografx Designer 9.0 - CAN-(M)G-Fiat-Stilo-02
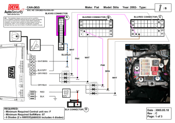
M a k e : F ia t
C A N -(M )G
M o d e l: S tilo
Y e a r: 2 0 0 2 -
T y p e :
: B
D O C . N O : C A N -(M )G -F ia t-S tilo -0 2 >
B L K /V IO
N B ! T h is in s
fo r th e in s ta lla
fro m m o d e l to
in s ta lla tio n , b e
m a n u fa c tu re r.
d a m a g e s th a t
ta
tio
m
s
D
m
lla tio n d ia g r a m m u s t o
n . E q u ip m e n t d e liv e r e
o d e l a n d fro m m a rk e t
u r e to c h e c k c a r e fu lly
E F A A .S is n o t lia b le
a y o c c u r d u e to fa u lty
n ly b e u s e d
d w ith th e c
to m a rk e t. B
th e o r ig in a l
to c o m p e n s
o r in s u ffic ie
a s a g u id e lin e
a r v a r ie s c o n s id e r a b ly
e fo r e s ta r tin g th e
d ia g r a m fr o m th e c a r
a te fo r p o s s ib le
n t in s ta lla tio n m a n u a ls .
C O N N E C T O R
A
1 7 1
3 2 1 6
B L K /R E D
C O N N E C T O R
C
B L U /R E D C O N N E C T O R
B
3 1
4 0
1 0
1
2 1
3 0
2 0
1 1
1 1
2 0
3 0
2 1
1
1 0
4 0
3 1
W H T
B L U /B L K
P N K
W H T /B R N
W H T
P N K
B L K /G R Y
D
A
B R N
3 x 600535
G R Y /R E D
W H T
B
C
3 x 600535
G R Y /B L K
R E D
B L K
R E
- M
- M
- 6
Q U IR
in im
in im
D io d
E D
u m
u m
e s
:
R e q u ir e d C e n tr a l u n it r e v : F
R e q u ir e d S o ftW a r e : 0 7
(2 x 6 0 0 5 3 5 )(6 0 0 5 3 5 in c lu d e s 4 d io d e s )
25A
B L K C O N N E C T O R
D
D a te : 2 0 0 5 .0 5 .1 0
R e v : C
P a g e : 1 o f 3
M a k e : F ia t
C A N -(M )G
M o d e l: S tilo
D O C . N O : C A N -(M )G -F ia t-S tilo -0 2 >
W IR E S T O
P N K /W H T
Y e a r: 2 0 0 2 -
T y p e :
: B
D O O R
P N K /B L K
O R G /B R N
O R G /G R N
D a te : 2 0 0 5 .0 5 .1 0
R e v : C
P a g e : 2 o f 3
C A N -(M )G
M a k e : F ia t
M o d e l: S tilo
D O C . N O : C A N -(M )G -F ia t-S tilo -0 2 >
UP
Y e a r: 2 0 0 2 -
T y p e :
: B
L e v e l n r. 3 .
D a te : 2 0 0 5 .0 5 .1 0
R e v : C
P a g e : 3 o f 3