Wymiar Uwaga: Linia fal ry śrub oczkowych b 1 lista cienka na rysu

Transkrypt

Wymiar Uwaga: Linia fal ry śrub oczkowych b 1 lista cienka na rysu
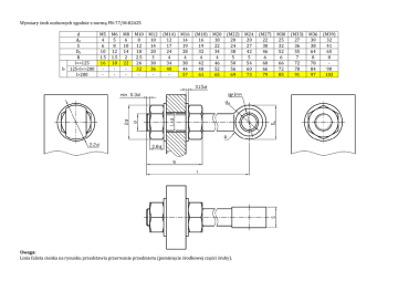
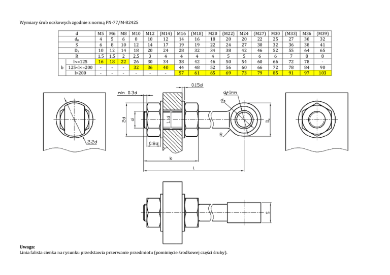
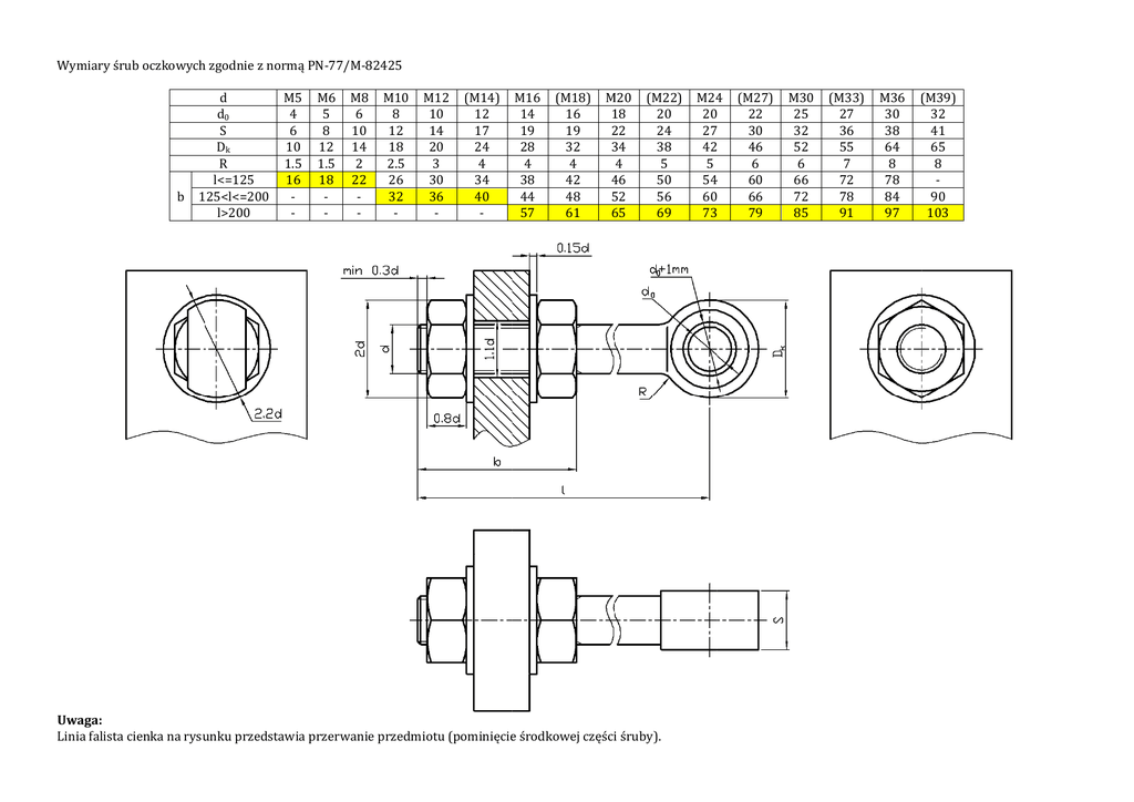
Wymiarry śrub oczkowych
h zgodnie z normą PN‐77/M‐82425
b
d
d0
S
Dk
R
l<=125 1
125<l<=200 l>200 M5 4 6 10 1.5 16 ‐ ‐ M6
5 8 12
1.5
18
‐ ‐ M8
6
10
14
2
22
‐
‐
M10
8
12
18
2.5
26
32
‐
M12
10
14
20
3
30
36
‐
(M14)
12
17
24
4
34
40
‐
M16
14
19
28
4
38
44
57
(M18)
16
19
32
4
42
48
61
M20 (M22)
M
1
18 20
2
22 24
3
34 38
4 5
4
46 50
5
52 56
6
65 69
Uwaga: Linia fallista cienka na rysu
unku przedstawia przerwanie przed
dmiotu (pominięciee środkowej częścii śruby). M24
4
20
27
42
5
54
4
60
73
(M27)
22
30
46
6
60
66
79
M30
25
32
52
6
66
72
85
(M33)
27
36
55
7
72
78
91
M36
30
38
64
8
78
84
97
((M39)
32
41
65
8
‐
90
103