Przekaźnikowa blokada liniowa dwukierunkowa bez obwodów WN

Transkrypt

Przekaźnikowa blokada liniowa dwukierunkowa bez obwodów WN
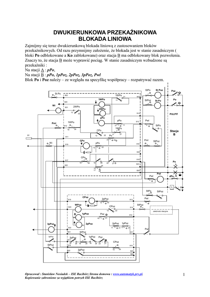
DWUKIERUNKOWA PRZEKAŹNIKOWA
BLOKADA LINIOWA
Zajmijmy się teraz dwukierunkową blokada liniową z zastosowaniem bloków
przekaźnikowych. Od razu przymnijmy załoŜenie, Ŝe blokada jest w stanie zasadniczym (
bloki Po odblokowane a Ko zablokowane) oraz stacja B ma odblokowany blok pozwolenia.
Znaczy to, Ŝe stacja B moŜe wyprawić pociąg. W stanie zasadniczym wzbudzone są
przekaźniki :
Na stacji A : pPo,
Na stacji B : pPo, 1pPoz, 2pPoz, 3pPoz, Pwl
Blok Po i Poz naleŜy – ze względu na specyfikę współpracy – rozpatrywać razem.
St Po
1WPo
902
1WPo
21
St Poz
StPoz
St Po
Poz
903
11
920
Wi
StPo
Po
2WPo
901
2WPo
12
914
22
PULPIT
pPo
pPo
1WPo
Pml
StPo
CPo
Po
41
CPo
Stacja
B
27
17
22
12
911
Wi
Pwl
1WPo
28
18
B1
913
11
21
912
Pml
42
pPo
919
StPoz
918
22
12
939
CPo
916
917
16
26
16
26
922
22
21
Po
b
923
25
15
17
924
27
Pwl
Pwl
dPo
c
L
StPo
CPoz
2pPoz
919
WPoz
912
41
2pPoz
WPoz
21
Pwl
911
1pPoz
2pPoz
1pPoz
21 11
11
933
3pPoz
zaleŜności stacyjne
Poz
2pPoz
3pPoz
914
22
12
901
StPoz
CPoz
920
42
Pwl
913
22
12
1pPoz
StPoz
Poz
917
StPoz
18
916
922
28
18
28
18
28 22
21
CPoz
915
2pPoz
16
26
923
924
Opracował : Stanisław Nosiadek – ISE Racibórz Strona domowa : www.automatyk.prv.pl.
Kopiowanie zabronione za wyjątkiem potrzeb ISE Racibórz
1
Dosyć zawile zasilany jest przekaźnik Pwl a mianowicie w obwodzie:
przycisk dPo, Pwl, 1A/F Pwl, 916 Po, 916 Poz, 3A/F StPoz, 2A/B Pml, 912 Po, 19-28 WPo,
911 Po, B1.
Ale my chcemy wyprawić pociąg ze stacji A. Dlatego stacja B musi nam dać pozwolenie,
czyli zablokować blok Poz. W tym celu naciskamy na przycisk Poz na stacji B. JeŜeli blok Po
jest odblokowany (sprawdza to zestyk 41-42 Po) to wzbudza się przekaźnik StPoz w
obwodzie :
Przycisk Poz, StPoz, 1A/B StPo, 913 Po, 42-41 Po, 911 Po, bezpiecznik B1
a w konsekwencji CPoz w obwodzie :
bezpiecznik B1, 911 Po, 41-42 Po, 913 Po, 3A/B StPo, 3A/F StPoz, 4A/F Pwl, 913 Poz, 2212 2pPoz, CPoz, 919 Poz, 1A/B Wi, plus zasilania.
St Po
1WPo
902
4
1WPo
21
903
St Poz
StPoz
St Po
2WPo
901
Po
1
2WPo
12
Poz
1
11
920
Wi
StPo
914
22
PULPIT
pPo
pPo
1WPo
Pml
2
B1
CPo
Po
41
CPo
Pml
42
pPo
919
StPoz
918
22
12
1
Stacja
B
2
27
17
22
12
911
Wi
StPo
2
1WPo
28
18
Pwl
913
11
21
912
2
1
939
CPo
916
917
16
26
16
26
922
22
21
Po
b
923
25
15
17
924
27
Pwl
Pwl
dPo
c
1
L
StPo
CPoz
3
2pPoz
919
3pPoz
41
2pPoz
2pPoz
1pPoz
21 11
11
WPoz
21
Pwl
911
1pPoz
2pPoz
zaleŜności stacyjne
912
933
901
4
Poz
42
4
914
22
12
1pPoz
3pPoz
StPoz
CPoz
3
Pwl
913
22
12
WPoz
920
StPoz
3
Poz
917
1
StPoz
5
18
916
922
28
18
28
18
28 22
21
CPoz
915
2pPoz
16
26
923
924
Opracował : Stanisław Nosiadek – ISE Racibórz Strona domowa : www.automatyk.prv.pl.
Kopiowanie zabronione za wyjątkiem potrzeb ISE Racibórz
2
Po puszczeniu przycisku Poz odwzbudza się przekaźnik StPoz a tym samym odwzbudza się
przekaźnik Pwl – rozwarcie zestyku 5 przekaźnika StPoz.
Wzbudza się natomiast przekaźnik WPoz w obwodzie :
bezpiecznik1, 911, Po, 922 Po, 922 Poz, 911 Poz, 3A/B Pwl, zaleŜności stacyjne, 4A/B
StPoz, 914 Poz, 22-12 CPoz, WPoz, 920 Poz, plus zasilania.
Odcięte zostaje równieŜ napięcie do przekaźnika CPoz ( zestyk 4 odwzbudzonego
przekaźnika Pwl) – od tego momentu przekaźnik ten zasilany jest tylko z układu RC.
Wzbudzony WPoz między innymi spowoduje wzbudzenie się przekaźnika Wi w obwodzie :
bezpiecznik B1, 911 Poz, 21-11 WPoz, 901 Poz, 901 Po, Wi, plus zasilania.
a tym samym uruchomienie induktora.
St Po
1WPo
902
4
1WPo
21
903
St Poz
StPoz
St Po
2WPo
901
Po
1
2WPo
12
Poz
1
11
920
Wi
StPo
914
22
PULPIT
pPo
pPo
1WPo
Pml
B1
StPo
2
1WPo
28
18
CPo
Po
41
CPo
Pml
42
pPo
919
StPoz
918
22
12
1
Stacja
B
2
27
17
22
12
911
Wi
11
21
912
2
Pwl
913
2
1
939
CPo
916
917
16
26
16
26
922
22
21
Po
b
923
25
15
17
924
27
Pwl
Pwl
dPo
c
1
L
StPo
3
CPoz
2pPoz
919
920
3pPoz
41
2pPoz
2pPoz
1pPoz
21 11
11
WPoz
11
zaleŜności stacyjne
912
933
901
4
Poz
42
4
914
22
12
1pPoz
3pPoz
StPoz
CPoz
WPoz
3
Pwl
913
22
12
StPoz
21
Pwl
911
21
2pPoz
1pPoz
3
Poz
917
1
StPoz
5
18
916
922
28
18
28
18
28 22
21
CPoz
915
2pPoz
16
26
923
924
Opracował : Stanisław Nosiadek – ISE Racibórz Strona domowa : www.automatyk.prv.pl.
Kopiowanie zabronione za wyjątkiem potrzeb ISE Racibórz
3
W stanie zasadniczym przy załoŜeniu, Ŝe pozwolenie ma stacja „B” obwód ten wygląda tak :
induktor
induktor
Stacja B
Stacja A
Poz
WPoz
921
12
22
23
26
13
16
Poz
11
12
12
32
31
31
14
15
921
12
13
16
23
26
Poz
32
925
928
928
24
25
11
WPoz
22
929
929
925
Poz
930
930
~
14
15
~
24
25
Po wzbudzeniu się przekaźnika WPoz rozpoczyna się blokowanie bloku Poz na stacji „B” w
obwodzie :
Induktor, 921, 12-22 WPoz, 23-13 WPoz, Poz, 32-31 Poz, 929, linia, 930, 26-16 WPoz, 928,
dzwonek, linia, dzwonek, 982, 14-24 WPoz, 925, induktor.
induktor
induktor
Stacja B
Stacja A
Poz
WPoz
921
12
22
Poz
11
12
12
925
24
25
13
16
32
31
31
WPoz
Poz
32
928
928
14
15
11
921
22
12
13
16
23
26 925
929
929
23
26
Poz
930
930
~
14
15
~
24
25
Po przeblokowaniu się wkładki bloku Poz na stacji „B” rozpoczyna się blokowanie bloku Poz
na stacji „A” w obwodzie :
Induktor, 921, 12-22 WPoz, 11-12 Poz, 930, linia, 929, 16-26 WPoz, Poz, 25-15 WPoz, 928,
dzwonek, linia, dzwonek, 982, 14-24 WPoz, 925, induktor.
induktor
induktor
Stacja B
Stacja A
Poz
WPoz
921
12
22
23
26
13
16
Poz
11
12
12
925
24
25
31
31
WPoz
921
22
12
13
16
23
26
Poz
32
925
928
928
14
15
11
929
929
32
Poz
930
930
~
~
14
15
24
25
Po przeblokowaniu się wkładki na stacji „A” zmieni się połoŜenie zestyków bloku Poz, co
spowoduje między innymi moŜliwość wyprawienia pociągu ze stacji „A”. Ale o tym w
dalszym ciągu opisu.
Opracował : Stanisław Nosiadek – ISE Racibórz Strona domowa : www.automatyk.prv.pl.
Kopiowanie zabronione za wyjątkiem potrzeb ISE Racibórz
4
Mamy więc odblokowany blok pozwolenia na stacji „A”. Blok Poz i Po na stacji „B” wygląda
tak:
Blok Po Odblokowany. Blok Poz zablokowany. Wzbudza się przekaźnik Pwl w obwodzie :
bezpiecznik, 911Po, 28-18 1WPo, 912 Po, 2A/B Pml, 915 Poz, 26-16 CPoz, 916 Poz, 2122Poz, 28-18 1pPoz, 28-18 WPoz, 28-18 2pPoz, 917 Poz, 1A/B 3pPoz, 917Po, Pwl, przycisk
dPo, plus zasilania.
Po wzbudzeniu się przekaźnika Pwl zmienia się jego obwód na obwód podtrzymania na
własnym zestyku a mianowicie obwód ten wygląda tak :
bezpiecznik, 911Po, 28-18 1WPo, 912 Po, 2A/B Pml, 915 Poz, 26-16 CPoz, 916 Poz, 916 Po,
1A/F Pwl, Pwl, przycisk dPo, plus zasilania.
St Po
1WPo
902
4
1WPo
21
903
St Poz
StPoz
St Po
2WPo
901
Po
1
2WPo
12
Poz
1
11
920
Wi
StPo
914
22
PULPIT
pPo
pPo
1WPo
Pml
912
2
B1
CPo
Po
41
CPo
Pml
42
pPo
919
StPoz
918
22
12
1
Stacja
B
2
27
17
22
12
911
Wi
StPo
2
1WPo
28
18
Pwl
913
11
21
2
1
939
CPo
916
917
16
26
16
26
922
22
21
Po
b
923
25
15
17
924
27
Pwl
Pwl
dPo
c
1
L
StPo
3
CPoz
2pPoz
919
3pPoz
41
2pPoz
2pPoz
1pPoz
21 11
11
WPoz
11
zaleŜności stacyjne
912
933
901
4
Poz
42
4
914
22
12
1pPoz
3pPoz
StPoz
CPoz
WPoz
3
Pwl
913
22
12
920
StPoz
21
Pwl
911
21
2pPoz
1pPoz
3
Poz
917
1
StPoz
5
18
916
922
28
18
28
18
28 22
21
CPoz
915
2pPoz
16
26
923
924
Opracował : Stanisław Nosiadek – ISE Racibórz Strona domowa : www.automatyk.prv.pl.
Kopiowanie zabronione za wyjątkiem potrzeb ISE Racibórz
5
Przejdźmy do stacji „A”. Mamy blok Pozwolenia i blok początkowy odblokowany więc
moŜna wyprawić pociąg na szlak.
Po podaniu semafora na sygnał „Wolna droga” wzbudza się przekaźnik Pml powodując
odwzbudzenie się przekaźnika Pwl ( zestyk 1A/F Pml z 912 Po).Zestyki wzbudzonego
przekaźnika Pml uniemoŜliwiają zablokowanie bloku Po. Równocześnie odwzbudzony
przekaźnik Pwl uniemoŜliwia zablokowanie bloku pozwolenia ( Poz) do stacji „B”.
St Po
1WPo
902
1WPo
21
St Poz
StPoz
St Po
Poz
903
11
920
Wi
StPo
Po
2WPo
901
2WPo
12
914
22
PULPIT
pPo
pPo
1WPo
Pml
21
912
2
B1
CPo
Po
41
CPo
Stacja
A
27
17
22
12
911
Wi
StPo
2
1WPo
28
18
Pwl
913
11
Pml
42
pPo
919
StPoz
918
22
12
1
939
CPo
916
917
16
26
16
26
922
22
21
Po
b
923
25
15
17
924
27
Pwl
Pwl
dPo
c
1
L
StPo
CPoz
2pPoz
919
WPoz
4
912
41
2pPoz
2pPoz
WPoz
21
Pwl
911
1pPoz
2pPoz
1pPoz
21 11
11
933
3pPoz
zaleŜności stacyjne
Poz
42
3pPoz
914
22
12
1pPoz
901
StPoz
CPoz
920
Pwl
913
22
12
StPoz
3
Poz
917
StPoz
18
916
922
28
18
28
18
28 22
21
CPoz
915
2pPoz
16
26
923
924
Opracował : Stanisław Nosiadek – ISE Racibórz Strona domowa : www.automatyk.prv.pl.
Kopiowanie zabronione za wyjątkiem potrzeb ISE Racibórz
6
Po wyjeździe pociągu ( odwzbudza się przekaźnik sygnałowy a tym samym równieŜ Pml).
MoŜna zablokować blok Po na stacji „A” a tym samym blok Ko na stacji „B”.
Naciskamy na przycisk Po. Wzbudza się przekaźnik StPo w obwodzie :
Bezpiecznik, 911 Po, 41-42 Po, 913 Po, 1A/B StPoz, StPo, przycisk Po, plus zasilania.
Wzbudzony przekaźnik StPo powoduje wzbudzenie się przekaźnika CPo w obwodzie :
Bezpiecznik, 911 Po, 41-42 Po, 913 Po, 11-21 pPo, 914 Po, 2A/F StPo, 2A/B StPoz, 1A/B
Pml, 918 Po, 22-12 pPo, CPo, 919 Po, 1A/B Wi, plus zasilania.
Wzbudzony CPo przygotowuje obwód przekaźnika 1WPo i 2WPo do wzbudzenia – jednakŜe
dopóki wzbudzony jest StPo to przekaźniki te pozostają odwzbudzone a tym samym blok Po
nie blokuje się.
StPo
St Po
1WPo
902
4
1WPo
21
903
StPoz
2WPo
901
Poz
1
11
920
Wi
St Poz
Po
St Po
1
2WPo
12
914
22
PULPIT
pPo
pPo
1WPo
Pml
912
2
B1
CPo
2
Po
41
CPo
Pml
42
pPo
919
Stacja
A
27
17
22
12
911
Wi
StPo
2
1WPo
28
18
Pwl
913
11
21
StPoz
918
22
12
2
1
939
CPo
916
917
16
26
16
26
922
22
21
Po
b
923
25
15
17
924
27
Pwl
Pwl
dPo
c
1
L
StPo
3
CPoz
2pPoz
919
22
12
WPoz
4
3pPoz
41
2pPoz
2pPoz
1pPoz
21 11
11
WPoz
21
Pwl
911
1pPoz
2pPoz
zaleŜności stacyjne
912
933
901
4
Poz
42
3pPoz
914
22
12
1pPoz
3
StPoz
CPoz
920
Pwl
913
StPoz
3
Poz
917
1
StPoz
5
18
916
922
28
28
18
18
28 22
21
CPoz
915
2pPoz
14
15
24
16
26
923
924
25
Opracował : Stanisław Nosiadek – ISE Racibórz Strona domowa : www.automatyk.prv.pl.
Kopiowanie zabronione za wyjątkiem potrzeb ISE Racibórz
7
Po puszczeniu przycisku Po odwzbudza się przekaźnik StPo. Wzbudza się przekaźnik 1WPo i
2WPo w obwodzie :
bezpiecznik, 911 Po, 12-22CPo, 902 Po, 4A/B StPo, 903 Po, 1 WPo i 2WPo, 920 Po, plus
zasilania
StPo
St Po
1WPo
902
4
1WPo
21
903
StPoz
2WPo
901
Poz
1
11
920
Wi
St Poz
Po
St Po
1
2WPo
12
914
22
PULPIT
pPo
pPo
1WPo
Pml
21
912
2
B1
CPo
2
Po
41
CPo
Pml
42
pPo
919
Stacja
A
27
17
22
12
911
Wi
StPo
2
1WPo
28
18
Pwl
913
11
StPoz
918
22
12
2
1
939
CPo
916
917
16
26
16
26
922
22
21
Po
b
923
25
15
17
924
27
Pwl
Pwl
dPo
c
1
L
StPo
3
CPoz
2pPoz
919
22
12
WPoz
4
3pPoz
41
2pPoz
2pPoz
1pPoz
21 11
11
WPoz
21
Pwl
911
1pPoz
2pPoz
zaleŜności stacyjne
912
933
901
4
Poz
42
3pPoz
914
22
12
1pPoz
3
StPoz
CPoz
920
Pwl
913
StPoz
3
Poz
917
1
StPoz
5
18
916
922
28
28
18
18
28 22
21
CPoz
915
2pPoz
14
15
24
16
26
923
924
25
Opracował : Stanisław Nosiadek – ISE Racibórz Strona domowa : www.automatyk.prv.pl.
Kopiowanie zabronione za wyjątkiem potrzeb ISE Racibórz
8
Po wzbudzeniu się przekaźnika 1 WPo i 2 WPo wzbudza się przekaźnik Wi w obwodzie :
bezpiecznik, 911 Po, 22-12 2WPo, 901Po, Wi, plus zasilania.
Równocześnie zmienia się obwód zasilania przekaźników 1WPo i 2WPO – zostają zasilane
poprzez własny zestyk przekaźnika 1WPo. I tak obwód ten wygląda w tej chwili :
bezpiecznik, 911 Po ,12-22 CPo, 11-21 1WPo, 1WPo i 2WPo, 920 Po, plus zasilania.
RównieŜ zmieniony zostaje obwód przekaźnika CPo – mianowicie zestyk 1 Wi odcina
zasilanie od strony plusa a zestyk 27-17 od minusa. Uzwojenie przekaźnika CPo zasilane jest
teraz tylko z układu czasowego RC.
StPo
St Po
1WPo
902
4
1WPo
21
903
StPoz
2WPo
901
Poz
1
11
920
Wi
St Poz
Po
St Po
1
2WPo
12
914
22
PULPIT
pPo
pPo
1WPo
Pml
2
B1
CPo
2
Po
41
CPo
Pml
42
pPo
919
Stacja
A
27
17
22
12
911
Wi
StPo
2
1WPo
28
18
Pwl
913
11
21
912
StPoz
918
22
12
2
1
939
CPo
916
917
16
26
16
26
922
22
21
Po
b
923
25
15
17
924
27
Pwl
Pwl
dPo
c
1
L
StPo
3
CPoz
2pPoz
919
22
12
WPoz
4
41
2pPoz
WPoz
21
Pwl
911
1pPoz
2pPoz
1pPoz
21 11
11
933
3pPoz
zaleŜności stacyjne
912
2pPoz
901
4
Poz
42
3pPoz
914
22
12
1pPoz
3
StPoz
CPoz
920
Pwl
913
StPoz
3
Poz
917
1
StPoz
5
18
916
922
28
28
18
18
28 22
21
CPoz
915
2pPoz
14
15
24
16
26
923
924
25
Opracował : Stanisław Nosiadek – ISE Racibórz Strona domowa : www.automatyk.prv.pl.
Kopiowanie zabronione za wyjątkiem potrzeb ISE Racibórz
9
Wzbudzony przekaźnik 1WPo i 2WPo powoduje zablokowanie się bloku Po a tym samym na
stacji B odblokowania się bloku Ko. Odbywa się to w obwodzie :
przetwornica blokowa, 921 Po, 12-22 1WPo , 23-13 1WPo, Po, 930 Po, 905 Poz ,24-14
1pPoz, 908 Poz, linia, 909 Poz, 16-26 1pPoz, 903 Poz, 929 Ko, 26-16 WKo, Ko, 930 Ko, 2717 WKo, 928 Ko, 904 Poz, 27-17 1pPoz 910 Poz, dzwonek, linia, dzwonek, 910 Poz, 12-22
1pPoz, 907 Poz, 928 Po, 14-24 1WPo, 21-11 2Wpo, 925 Po, przetwornica blokowa.
Jak widać – w tym układzie wkładki blokowe łączone są szeregowo, więc będą się blokować
równocześnie.
Przetwornica
blokowa
Przetwornica
blokowa
Po
Po
1WPo
930
11
1WPo
11
21
24
25
31
928
929
28
28
907
Ko
13
12
Ko
WKo
Ko
15
16
25
26
24
1pPoz
14
15
25
23
930
11
23
929
32
13
16
26
31
12
17
928
909
23
Ko
Ko
929
26
22
12
910
11
921
13
WKo
15
16
32
31
25
26
904 928
27
925
17
910
~
27
2WPo 925
21
W Ko
11
12
903
13
16
909
Ko
930
25
23
14
17
~
14
17
24
27
902
908 14
15
24
25
18
24
1pPoz
908
22
925
14
15
2WPo
929
W Ko
23
13
26
16
1WPo
32
928
2WPo
14
15
18
921
1WPo
Po
31
32
906
925 2WPo
Po
13
16
1WPo
921
12
22
907
23
26
1WPo
11
12
905
22
930
12
905
12
906
921
24
27
Mając na uwadze fakt, Ŝe do zablokowania wkładki potrzeby jest skok 10 zębów wkładki a do
odblokowania 12 to zakładamy, Ŝe blok Po zmieni wcześniej swój obwód i będzie wyglądał
tak:
Przetwornica
blokowa
Przetwornica
blokowa
Po
930
11
1WPo
928
928
2WPo
14
15
929
28
28
907
Ko
WKo
13
23
Ko
WKo
15
16
25
26
92
5
WKo
930
12
Ko
32
24
1pPoz
14
15
25
23
929
26
31
908 14
15
909
909
13
16
22
928
14
17
13
16
1pPoz
908
27
12
17
12
910
24
902
Ko
930
903
31
23
Ko
Ko
929
26
22
32
11
921
13
WKo
15
16
25
26
92
5
WKo
904 928
17
910
2WPo 925
21
WKo
11
12
25
23
27
24
25
18
~
24
27
11
14
15
2WPo
929
18
921
1WPo
23
13
26
16
1WPo
32
907
24
25
31
921
12
22
Po
31
906
21
Po
32
905
925 2WPo
13
16
1WPo
11
12
905
23
26
1WPo
12
~
22
930
906
12
11
Po
1WPo
921
14
17
24
27
jak widać na schemacie – prąd przez blok Po przechodzi „na przelocie” – tzn. nie przechodzi
przez uzwojenie wkładki blokowej.
Opracował : Stanisław Nosiadek – ISE Racibórz Strona domowa : www.automatyk.prv.pl.
Kopiowanie zabronione za wyjątkiem potrzeb ISE Racibórz
10
Po odblokowaniu się wkładki blokowej bloku Ko obwód wygląda tak :
przetwornica blokowa, 921 Po, 12-22 1WPo ,11-12 Po, 930 Po, 905 Poz ,24-14 1pPoz, 908
Poz, linia, 909 Poz, 16-26 1pPoz, 903 Poz, 929 Ko,31-32 Ko, 930 Ko, 27-17 WKo, 928 Ko,
904 Poz, 27-17 1pPoz 910 Poz, dzwonek, linia, dzwonek, 910 Poz, 12-22 1pPoz, 907 Poz,
928 Po, 14-24 1WPo, 21-11 2Wpo, 925 Po, przetwornica blokowa.
Przetwornica
blokowa
Przetwornica
blokowa
Po
Po
1WPo
1WPo
11
21
24
25
Po
31
928
929
28
28
907
Ko
WKo
13
23
Ko
15
16
92
5
12
Ko
WKo
25
26
24
1pPoz
14
15
25
23
930
11
929
32
13
16
26
31
902
908 14
15
909
12
17
928
Ko
Ko
929
903
23
11
921
13
WKo
15
16
32
31
25
26
92
5
904 928
27
17
14
17
~
910
2WPo 925
21
WKo
11
12
26
22
12
910
~
27
Ko
930
25
23
13
16
909
24
25
18
24
1pPoz
908
22
14
17
24
27
14
15
2WPo
929
18
921
1WPo
23
13
26
16
1WPo
32
928
2WPo
14
15
921
12
22
Po
31
32
906
925 2WPo
13
16
1WPo
11
12
907
23
26
1WPo
12
905
22
930
905
12
930
11
906
921
24
27
Tutaj jak widać jedynym obciąŜeniem induktora jest oporność Ŝył linii i dzwonków
blokowych. Taki stan będzie dopóki nie odwzbudzi się przekaźnik CPo ( podtrzymywany na
układzie czasowym RC).
Po odwzbudzeniu się przekaźnika CPo a tym samym przekaźników 1WPo i 2WPo obwód
liniowy będzie przygotowany do zablokowania bloku Ko ( po wjeździe pociągu do stacji
„B”).
Przetwornica
blokowa
Przetwornica
blokowa
Po
930
11
1WPo
928
928
2WPo
14
15
929
28
28
907
Ko
WKo
13
23
Ko
WKo
25
26
92
5
11
15
16
930
12
Ko
32
24
1pPoz
14
15
25
23
929
26
31
908 14
15
909
909
13
16
27
12
17
12
910
24
902
Ko
930
903
31
23
Ko
Ko
929
26
22
11
32
Opracował : Stanisław Nosiadek – ISE Racibórz Strona domowa : www.automatyk.prv.pl.
Kopiowanie zabronione za wyjątkiem potrzeb ISE Racibórz
921
13
WKo
15
16
25
26
92
5
904 928
17
910
2WPo 925
21
WKo
11
12
25
23
27
24
25
18
~
14
17
13
16
1pPoz
908
22
928
24
27
14
15
2WPo
929
18
921
1WPo
23
13
26
16
1WPo
32
907
24
25
31
921
12
22
Po
31
906
21
Po
32
905
925 2WPo
13
16
1WPo
11
12
905
23
26
1WPo
12
~
22
930
906
12
11
Po
1WPo
921
14
17
24
27
11
Po zablokowaniu się wkładki bloku Po oraz odwzbudzeniu się przekaźników CPo , 1WPo,
2WPo, pPo wzbudzi się przekaźnik Pwl w obwodzie :
bezpiecznik 1, 911 Po, 28-18 1Wpo, 912 Po, 2A/B Pml, 915 Poz, 26-16 CPoz, 916 Poz, 916
Po, 21-22 Po, 26-16 pPo, 26-16 CPo, 917, Pwl, przycisk dPo, plus zasilania.
StPo
St Po
1WPo
902
4
1WPo
21
903
StPoz
2WPo
901
Poz
1
11
920
Wi
St Poz
Po
St Po
1
2WPo
12
914
22
PULPIT
pPo
pPo
1WPo
Pml
2
B1
CPo
2
Po
41
CPo
Pml
42
pPo
919
Stacja
A
27
17
22
12
911
Wi
StPo
2
1WPo
28
18
Pwl
913
11
21
912
StPoz
918
22
12
2
1
939
CPo
916
917
16
26
16
26
922
22
21
Po
b
923
25
15
17
924
27
Pwl
Pwl
dPo
c
1
L
StPo
3
CPoz
2pPoz
919
22
12
WPoz
4
3pPoz
41
2pPoz
2pPoz
1pPoz
21 11
11
WPoz
21
Pwl
911
1pPoz
2pPoz
zaleŜności stacyjne
912
933
901
4
Poz
42
3pPoz
914
22
12
1pPoz
3
StPoz
CPoz
920
Pwl
913
StPoz
3
Poz
917
1
StPoz
5
18
916
922
28
28
18
18
28 22
21
CPoz
915
2pPoz
14
15
24
16
26
923
924
25
Opracował : Stanisław Nosiadek – ISE Racibórz Strona domowa : www.automatyk.prv.pl.
Kopiowanie zabronione za wyjątkiem potrzeb ISE Racibórz
12
Po wzbudzeniu przekaźnika Pwl blok Po oczekuje na odblokowanie ze stacji B. Obwód
przekaźnika Pwl przebiega następująco :
bezpiecznik 1, 911 Po, 28-18 1Wpo, 912 Po, 2A/B Pml, 915 Poz, 26-16 CPoz, 916 Poz, 916
Po, 1A/F Pwl, Pwl, przycisk dPo, plus zasilania.
StPo
St Po
1WPo
902
4
1WPo
21
903
StPoz
2WPo
901
Poz
1
11
920
Wi
St Poz
Po
St Po
1
2WPo
12
914
22
PULPIT
pPo
pPo
1WPo
Pml
2
B1
CPo
2
Po
41
CPo
Pml
42
pPo
919
Stacja
A
27
17
22
12
911
Wi
StPo
2
1WPo
28
18
Pwl
913
11
21
912
StPoz
918
22
12
2
1
939
CPo
916
917
16
26
16
26
922
22
21
Po
b
923
25
15
17
924
27
Pwl
Pwl
dPo
c
1
L
StPo
3
CPoz
2pPoz
919
22
12
WPoz
4
3pPoz
41
2pPoz
2pPoz
1pPoz
21 11
11
WPoz
21
Pwl
911
1pPoz
2pPoz
zaleŜności stacyjne
912
933
901
4
Poz
42
3pPoz
914
22
12
1pPoz
3
StPoz
CPoz
920
Pwl
913
StPoz
3
Poz
917
1
StPoz
5
18
916
922
28
28
18
18
28 22
21
CPoz
915
2pPoz
14
15
24
16
26
923
924
25
Opracował : Stanisław Nosiadek – ISE Racibórz Strona domowa : www.automatyk.prv.pl.
Kopiowanie zabronione za wyjątkiem potrzeb ISE Racibórz
13
Teraz rozpatrzmy blok końcowy. ZałóŜmy Ŝe semafor jest podany na sygnał zezwalający,
pociąg najechał pierwszą osią na pierwszy izolowany odcinek torowy. W tym momencie
wzbudza się przekaźnik „W” w obwodzie:
B2, 3A/B 3pPoz, 918 Ko, 28-18 CKo, 924 Ko, 2A/B Kc, 923 Ko, 16-26 W, W, 902 Ko, 1 A/B
It, 1A/F Iz, 2A/B U, 933 Ko, R3, 901 Ko, 922 Ko, plus zasilania.
Wzbudzony przekaźnik W powoduje między innymi ustawienie semafora wjazdowego na
sygnał „Stój”. Zmienia się równieŜ jego obwód – ale o tym na następnym schemacie.
SSz
StKo
StKo
B2
Ko
2
1
915
S
Kc
1
914
Ko
Zw
52
1
14
51
CKo
DKo
24
16
919
26
1
WKo
28
18 12
22
12
916
WKo
CKo
913
WKo
11
Zw
W
1
917
17
27
16
DKo
W
R3
1
It
1
21
11
2
U
933
23
CKo
24
DKo
dKo
16
927
11
918
26
924
24
923
Zw
12
3
Kc
2
905
13
Zw
912
22
DKo
13
Ko
906
14
R2
12
2
W
16
R1
W
904
2
26
W
22
DKo
21
14
903
911
3pPoz
2
27
W
W
901
902
939
940
26
L
926
17
5Ω
b
12
Zw
922
Iz
Wi
dKo
21
22
DKo
StKo
22
WKo
920
Wi
21
22
41
42
931
23
Ko
907
906
Opracował : Stanisław Nosiadek – ISE Racibórz Strona domowa : www.automatyk.prv.pl.
Kopiowanie zabronione za wyjątkiem potrzeb ISE Racibórz
b
c
14
Po wzbudzeniu się przekaźnika „W” jego obwód ulegnie małej modyfikacji. Przebiega on
teraz w następujący sposób :
B2, 3A/B 3pPoz, 918 Ko,26-16 CKo, 24-14 W, R1, 940 Ko, 939 Ko, W, 11-21 W, 922 Ko,
plus zasilania.
Po wjeździe pociągu pierwszą osią na odcinek izolowany pierwszego rozjazdu to odwzbudzi
się przekaźnik Iz. Jego odwzbudzenie nie spowoduje chwilowo Ŝadnych szczególnych zmian
w obwodach – przygotuje on jedynie obwód przekaźnika Zw do wzbudzeni się ( po zjechaniu
ostatniej osi z odcinka It).
SSz
StKo
StKo
B2
Ko
2
1
915
S
Kc
1
914
Ko
52
1
14
51
CKo
DKo
Zw
24
16
919
26
1
WKo
28
18 12
22
12
916
WKo
CKo
913
WKo
11
Zw
W
1
917
27
DKo
16
DKo
W
Iz
1
It
1
21
11
2
U
933
16
R1
23
CKo
24
DKo
dKo
16
927
11
918
26
924
24
R2
923
Zw
3
Kc
2
905
13
Zw
912
22
DKo
13
Ko
906
14
12
12
2
W
W
904
2
26
W
22
DKo
21
14
903
911
3pPoz
2
27
W
W
901
902
939
940
L
926
17
R3
b
12
26
Zw
922
5Ω
Wi
dKo
21
22
17
StKo
22
WKo
920
Wi
21
22
41
42
931
23
Ko
907
906
Opracował : Stanisław Nosiadek – ISE Racibórz Strona domowa : www.automatyk.prv.pl.
Kopiowanie zabronione za wyjątkiem potrzeb ISE Racibórz
b
c
15
Jak juŜ wspomniałem – opuszczeniu pociągu strefy odcinka It spowoduje wzbudzenie się
przekaźnika Zw – pod warunkiem, Ŝe nadal jest zajęty odcinek Iz . Przekaźnik Zw wzbudza
się w obwodzie :
B2, 906 Ko, 3A/B 3pPoz, 918 Ko, 26-16 CKo, 24-14 W, R2, 903 Ko, 904 Ko, Z, 905 Ko, 911
Ko, 2A/b It, 2A/B Iz, 2A/B U, 933 Ko, R3, 901 Ko, 922 Ko, plus zasilania.
Po wzbudzeniu się przekaźnika Z i spełnieniu wszystkich warunków wrócenia bloku Ko
moŜna nacisnąć przycisk Ko. Wzbudzi się przekaźnik StKo oraz CKo w obwodzie :
B2, 2A/F StKo, 1A/B SSz, 1 A/B S, 1A/F Kc, 914 Ko, 52-51 Ko, 14-24 Zw, 16-26 dKo, CKo,
919 Ko, 1A/B Wi, plus zasilania.
Jak z tego wynika, aby moŜna było wrócić blok Ko musi świecić światło czerwone na
semaforze ( przekaźnik Kc) , nie moŜe byś wzbudzony przekaźnik sygnałowy sygnału
zastępczego ( SSz) oraz musi być odwzbudzony przekaźnik sygnałowy semafora wjazdowego
( S).
SSz
StKo
StKo
B2
Ko
2
1
915
S
Kc
1
914
Ko
Zw
52
1
14
51
CKo
DKo
24
16
919
26
1
WKo
913
28
18 12
22
12
916
WKo
CKo
WKo
11
Zw
W
1
917
27
DKo
16
DKo
W
Iz
1
It
1
21
11
2
U
933
16
R1
23
CKo
24
DKo
dKo
16
927
11
918
26
924
24
R2
923
Zw
3
Kc
2
905
13
Zw
912
22
DKo
13
Ko
906
14
12
12
2
W
W
904
2
26
W
22
DKo
21
14
903
911
3pPoz
2
27
W
W
901
902
939
940
L
926
17
R3
b
12
26
Zw
922
5Ω
Wi
dKo
21
22
17
StKo
22
WKo
920
Wi
21
22
41
42
931
23
Ko
907
906
Opracował : Stanisław Nosiadek – ISE Racibórz Strona domowa : www.automatyk.prv.pl.
Kopiowanie zabronione za wyjątkiem potrzeb ISE Racibórz
b
c
16
Wzbudzony przekaźnik CKo powoduje odwzbudzenie się przekaźników Z i W oraz
wzbudzenie się przekaźnika WKo w obwodzie :
B2, 913 Ko, 12-22 CKo, 915 Ko, 1A/B StKo, 916 Ko, 26-16 Zw, 27-17 W, WKo, 920 Ko, plus
zasilania.
Aby przekaźnik WKo mógł się wzbudzić musi być odwzbudzony przekaźnik StKo. Sumując
– do zablokowania bloku Ko naleŜy najpierw wzbudzić przekaźnik StKo a następnie
odwzbudzić naciskając i puszczając przycisk Ko.
Oczywiście blok Poz musi być odblokowany czyli pozwolenie na jazdę pociągu ma stacja
poprzednia.
Wzbudzony przekaźnik WKo powoduje wzbudzenie przekaźnika Wi w obwodzie :
B2, 913 Ko, 12-22 CKo, 915 Ko,11-12 WKo, 917 Ko, Wi, plus zasilania.
Równocześnie zostaje odcięte zasilanie do obwodu przekaźnika CKo. Będzie on wzbudzony
do czasu rozładowania się kondensatora układu RC. NaleŜy równieŜ zwrócić uwagę na
obwód bocznikujący zestyk 1 przekaźnika StKo. Ma on na celu wyeliminowanie usterki (
przerwy obwodu przekaźnika WKo) w przypadku ponownego przypadkowego naciśnięcia
przycisku Ko.
SSz
StKo
StKo
B2
Ko
2
1
915
S
Kc
1
914
Ko
Zw
52
1
14
51
CKo
DKo
24
16
919
26
1
WKo
28
18 12
22
12
916
WKo
CKo
913
WKo
11
Zw
W
1
917
27
DKo
16
DKo
W
Iz
1
It
1
21
11
2
U
933
16
R1
23
CKo
24
DKo
dKo
16
927
11
918
26
924
24
R2
923
Zw
3
Kc
2
905
13
Zw
912
22
DKo
13
Ko
906
14
12
12
2
W
W
904
2
26
W
22
DKo
21
14
903
911
3pPoz
2
27
W
W
901
902
939
940
L
926
17
R3
b
12
26
Zw
922
5Ω
Wi
dKo
21
22
17
StKo
22
WKo
920
Wi
21
22
41
42
931
23
Ko
907
906
Opracował : Stanisław Nosiadek – ISE Racibórz Strona domowa : www.automatyk.prv.pl.
Kopiowanie zabronione za wyjątkiem potrzeb ISE Racibórz
b
c
17
Wzbudzony przekaźnik WKo i Wi powoduje blokowanie wkładki bloku Ko w obwodzie :
Przetwornica blokowa, 921 Ko, 13-23 WKo, 25-15 WKo, Ko, 32-31 Ko, 926 Ko, 903 Poz, 2616 1pPoz, linia, 908 Poz, 14-24 1pPoz, 605 Poz, 930 Po, 25-15 1WPo, 928 Po, 906 Poz, 2313 1pPoz, 910 Poz, dzwonek, linia, dzwonek, 910 Poz, 17-27 1pPoz, 904 Poz, 928 Ko, 14-24
WKo, 925 Ko, induktor blokowy.
Przetwornica
blokowa
Przetwornica
blokowa
Po
Po
1WPo
1WPo
11
21
24
25
Po
31
928
929
28
28
907
Ko
WKo
13
23
Ko
15
16
92
5
12
Ko
WKo
25
26
24
1pPoz
14
15
25
23
930
11
929
32
13
16
26
31
902
908 14
15
909
12
17
928
Ko
Ko
929
903
23
11
921
13
WKo
15
16
32
31
25
26
92
5
904 928
27
17
14
17
~
910
2WPo 925
21
WKo
11
12
26
22
12
910
~
27
Ko
930
25
23
13
16
909
24
25
18
24
1pPoz
908
22
14
17
24
27
14
15
2WPo
929
18
921
1WPo
23
13
26
16
1WPo
32
928
2WPo
14
15
921
12
22
Po
31
32
906
925 2WPo
13
16
1WPo
11
12
907
23
26
1WPo
12
905
22
930
905
12
930
11
906
921
24
27
Po przeblokowaniu się wkładki bloku Ko następuje blokowanie wkładki bloku Po w
obwodzie :
Przetwornica blokowa, 921 Ko, 13-23 WKo, 11-12Ko, 930 Ko, 902 Poz, 25-15 1pPoz, 908
Poz, linia, 909 Poz, 13-23 1pPoz, 607 Poz, 928 Po, 28-18 2WPo, 26-16 1WPo, Po, 930 Po,
25-15 1WPo, 928 Po, 906 Poz, 23-13 1pPoz, 910 Poz, dzwonek, linia, dzwonek, 910 Poz, 1727 1pPoz, 904 Poz, 928 Ko, 14-24 WKo, 925 Ko, induktor blokowy.
Przetwornica
blokowa
Przetwornica
blokowa
Po
930
11
1WPo
928
928
2WPo
14
15
929
929
28
907
Ko
WKo
13
23
Ko
WKo
25
26
92
5
11
15
16
930
12
Ko
32
24
1pPoz
14
15
25
23
929
26
31
908 14
15
909
909
13
16
27
12
17
12
910
24
902
Ko
930
25
23
903
31
23
Ko
Ko
929
26
22
11
32
921
13
WKo
15
16
25
26
904 928
17
910
2WPo 925
21
WKo
11
12
27
24
25
18
~
14
17
13
16
1pPoz
908
22
928
24
27
14
15
2WPo
28
18
921
1WPo
23
13
26
16
1WPo
32
907
24
25
31
921
12
22
Po
31
906
21
Po
32
905
925 2WPo
13
16
1WPo
905
23
26
1WPo
11
12
~
22
930
12
906
12
11
Po
1WPo
921
925
14
17
24
27
Po przeblokowaniu się wkładki bloku Po blokada wraca do stanu zasadniczego. Teraz moŜna
wyjechać pociągiem ponownie za stacji A lub dać pozwolenie do stacji B.
Opracował : Stanisław Nosiadek – ISE Racibórz Strona domowa : www.automatyk.prv.pl.
Kopiowanie zabronione za wyjątkiem potrzeb ISE Racibórz
18