1-500 Zamek zatrzaskowy L30

Transkrypt

1-500 Zamek zatrzaskowy L30
1-500 Zamek zatrzaskowy L30
długość 30
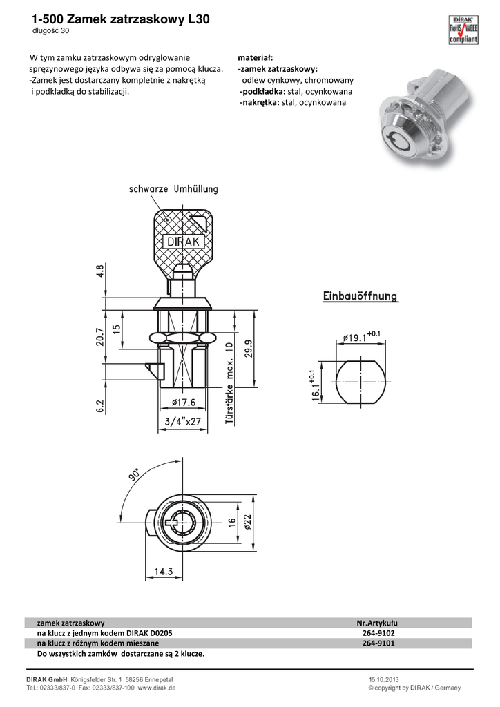
W tym zamku zatrzaskowym odryglowanie
spręzynowego języka odbywa się za pomocą klucza.
-Zamek jest dostarczany kompletnie z nakrętką
i podkładką do stabilizacji.
a)
a)
a)
a)
zamek zatrzaskowy
na klucz z jednym kodem DIRAK D0205
na klucz z różnym kodem mieszane
Do wszystkich zamków dostarczane są 2 klucze.
materiał:
-zamek zatrzaskowy:
odlew cynkowy, chromowany
-podkładka: stal, ocynkowana
-nakrętka: stal, ocynkowana
Nr.Artykułu
264-9102
264-9101
250
250
250
25