04_ARCH - BUD _ ARANŻACJA

Transkrypt

04_ARCH - BUD _ ARANŻACJA
pr0
3
56
KANAŁ WENTYLACYJNY
ODRĘBNE OPRACOWNIE
D1
pr0
SWD_4
4
90
205
Ogólna lista elementów_ szo_1
Ściany istniejące (uzupełnienia murów) zamurowanie otworów materiał
powszechnie stosowany w budownictwie
Szer. /
Element
Kondy...
Nazwa warstwy
ID użytkow...
rzut II piętra
ściany wewnętrzne
szo_1
Grubość
Wys.
ŚCIANA
0.54 m
0.70 m
0.05 m
0.05 m
0.57 m
2,05 m
2,05 m
2,05 m
Ogólna lista elementów_ swd_4
Ściany pokryte płytkami ceramicznymi na wysokość 3,10m
Szer. /
Drzwi otwierane na zewnątrz pomieszczenia, w dolnej części
otwory o sumarycznym przekroj nie mniejszym niż 0,022 m2
dla dopływu powietrza.
Element
Kondy...
Nazwa warstwy
ID użytkow...
rzut II piętra
płytki ceramiczne
swd_4
Grubość
Wys.
ŚCIANA
UWAGA: PRZED ZAMÓWIENIEM NALEŻY SKONTAKTOWAĆ SIĘ
Z PROJEKTANTEM W CELU WYBORU KOLORYSTYKI
0.02 m
3.10 m
Skrzydła drzwiowe płytowe wewnętrzne pełne jednoskrzydłowe
fabrycznie wykończone wraz z futryną opaskową
SZO_1
90
205
90
205
90
205
[Uwaga! Dotyczy rozwiązań projektowych. Alternatywne produkty
równoważne o parametrach jakościowych, cechach użytkowych i
materiałowych co najmniej na poziomie parametrów wskazanego produktu,
po akceptacji projektanta]
D2P
D2L
D2P
80
Szer.:
Wysok...
203
POZIOM II PIĘTRA
80,00 cm
203,00 cm
kolor
do ustalenia_ ral
ID użytkownika
D-3P
Materiał
Laminat COMPACT
Kierunek otwierania
wg dokumentacji
Ogólna lista elementów_ swd_4
WODOODPORNA 12,5mm 1,2x2,6m ZIELONA
L
D-3
Szer. /
Element
Kondy...
Nazwa warstwy
ID użytkow...
rzut II piętra
WODOODPORNA
ZIELONA
swd_4
Grubość
Wys.
ŚCIANA
0.02 m
3.10 m
P
3 szt.
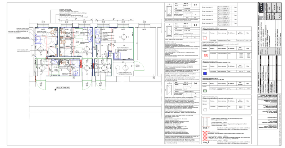
SYSTEMOWE ŚCIANY SANITARNE, DRZWI WEWNĘTRZNE
System przestrzennej zabudowy pomieszczeń sanitarnych ściankami
działowymi wykonanymi z wysokociśnieniowego "typu Compact"
(PERSTORP) 13 mm laminatu o grubości 13 mm - wspartymi na
specjalnych podporach (dostosowanych odpowiednio do rodzaju zabudowy).
Sztywność konstrukcji zapewniają profile pionowe mocujące płytę
bezpośrednio do ścian pomieszczenia i zwieńczające profile górne łączone
również pomiędzy sobą specjalnie skonstruowanymi łącznikami.
Wszystkie elementy systemu (łącznie z wkrętami i zaślepkami) wykonane
są z materiałów nie ulegających korozji (aluminium, mosiędz,
stal nierdzewna i tworzywa sztuczne).
Podpory regulowane; zamek z możliwością awaryjnego otwarcia i
wskaźnikiem stanu "wolne/zajęte" : zawiasy z pochyloną płaszczyzną.
SYSTEMOWE ŚCIANY SANITARNE, DRZWI WEWNĘTRZNE
"typu Compact" (PERSTORP)
Dane techniczne:
Materiał: płyta typu Compact 13 mm – lity laminat
Wysokość całkowita: 2030 mm
Przestrzeń pomiędzy podłogą a konstrukcją: 160 mm
Głębokość kabin: standard 120 - 160 mm
Szerokość frontu: wg dokumentacji
Szerokość drzwi: 602 – 1010 mm
drzwi większej wykonać z płyty grubości 13 mm.
Sposób zamknięcia: gałka z blokadą
Konstrukcja nośna: profile aluminiowe, anodowane
w kolorze naturalnym lub malowane proszkowo
Kolorystyka: standardowa, elementy aluminiowe
zabezpieczone metodą anodowania mają naturalną
barwę aluminium lub mogą być malowane proszkowo
UWAGA: PRZED ZAMÓWIENIEM NALEŻY SKONTAKTOWAĆ SIĘ
Z PROJEKTANTEM W CELU WYBORU KOLORYSTYKI
[Uwaga! Dotyczy rozwiązań projektowych. Alternatywne produkty
równoważne o parametrach jakościowych, cechach użytkowych i
materiałowych co najmniej na poziomie parametrów wskazanego produktu,
po akceptacji projektanta]
Ogólna lista elementów_swd_1
Ściany nowowprojektowane na wysokość całej kondygnacji
Szer. /
Element
Kondy...
Nazwa warstwy
ID użytkow...
rzut parter...
ściany wewnętrzne
swd_1
Grubość
Wys.
ŚCIANA
0.10 m
0.16 m
3.00 m
Ścianki działowe z płytek piano- lub gazobetonowych grubości
8,00 cm_grubość ściany 11,00cm
1.płytki ceramiczne gr. 1,50cm
Ścianki działowe z płytek piano- lub gazobetonowych grubości 8,00 cm
3.płytki ceramiczne gr. 1,50cm
swd_1
alternatywnie innej firmy spełniającej te same kryteria materiałowe.
(materiały dotyczące danej firmy mają charakter przykładowy)
4_ uzupełnienia murów
zamurowanie otworów materiał powszechnie stosowany w budownictwie
1.tynk cementowo - wapienny gr. 2,00cm
2.cegła pełna lub 1/2 pustaka na zaprawie cementowo -wapiennej gr. 6,50cm/8,00cm
pustak na zaprawie cementowo -wapiennej gr. 288/288/188
3.tynk cementowo - wapienny gr. 2,00cm
szo_4
alternatywnie innej firmy spełniającej te same kryteria materiałowe.
(materiały dotyczące danej firmy mają charakter przykładowy)
00-04
A_02
04.2016
NR RYSUNKU
DATA
BRANŻA
1:50
PB-W
SKALA RYSUNKU
STADIUM
ARCH.
Pan Wojciech Gordel
Bliżyce 131, 42-320 Niegowa
2,03 / 3,16m
INWESTOR
0.04 / 0.16 m
ul. Zegadłowicza , 42-400 Zawiercie
nr ew. 34 (k.m. 53 obręb Zawiercie)
sww_1
ADRES
INWESTYCJI
ściany wewnętrzne
ODDZIALE WEWNĘTRZNYM
[STRONA MĘSKA]
rzut II piętra
Wys.
ŚCIANA
OŚCIEŻNICE - trzyzawiasowe, przy zastosowaniu należy zwrócić uwagę
na grubość istniejących ścian stosując ościeżnice składaną ościeżnica
powinna skłdać się z belek głównych i dwóch pionowych, listew opaskowych,
uszczelki obwiedniowej zawiasów czopowych. montaż należy wykonać
w pomieszczeniach wykończonych (ściana i podłaoga)
1
1
D-1
2 szt.
Grubość
iejszegoopracowaniazastrzeżone_prawaautorskieniniejszegoopracowania
waniezabronionekopiowaniezabronionekopiowaniezabronionekopiowanie
102
1
C-1
166
37
168
54
2
1
1 szt.
ID użytkow...
mgr inż.architekt
LUCYNA WOLAŃSKA
90
205
42
8
102
P
Nazwa warstwy
NAZWA
REMONT WĘZŁA SANITARNEGO NA
INWESTYCJI
203
316
62
3
pr0
4
27
168
1
B-1
SWD_4
1
SZO_1
SZO_1
90
205
43
204
L
Kondy...
5
UMYWALKA 60x45
CERAMIKA SWD_4
2
4
D1L
D1P
SWD_4
168
161
2
1
B-2
3
SWD_4
SWD_4
36
SWW_1
1
MISKA USTĘPOWA
STOJĄCA
BRODZIK Z ZINTEGROWANĄ
OBUDOWĄ
SWD_4
SWD_1
Element
mgr inż.architekt
KATARZYNA BŁOCH
3
200
72
90
205
Pp
SWD_4
90
7
126
D1P
45
102
SWW_1
4
pr0
1 szt.
nr ewidencyjny
uprawnień 11/SLOKK/2015
2
196
Szerokość: 80,00 cm
Wysokość: 205,00 cm
Ogólna lista elementów _ SWW_1
ściany wewnętrzne przeznaczone do wyburzenia
DANE TECHNICZNE: drzwi o wzmocnionej konstrukcji i podwyższonej
izolacyjności akustycznej
parametry: KONSTRUKCJA SKRZYDŁA
Rama skrzydeł wykonana jest z klejonki drewna iglastego.
Wypełnienie skrzydła stanowi płyta wiórowa otworowa wzmocniona wewnętrznym
ramiakiem ze sklejki.
Rama wraz z wypełnieniem obłożona jest dwustronnie płytą oklejoną wysokiej
jakości okleiną naturalną.
PROFIL KRAWĘDZI SKRZYDŁA
Proli I krawędzi skrzydła X'. Ramiak zewnętrzny skrzydła okleinowany
w kolorze skrzydła.
POKRYCIE
Skrzydło pokryte jest okleiną naturalną select, która gwarantuje powtarzalność
wzoru usłojenia i kolorystyki.
Myjnie-dezynfektory do
basenów i kaczek oraz innych
naczyń sanitarnych
SWD_4
Drzwi drewniane D5
DRZWI NA KORYTARZ WEWNETRZNY
15
102
3
16
Kierunek otwierania
wg dokumentacji
77
4
9
50
175
1
B-3
102
116
D-3P
80
200
289
4
SWD_4
1
1
94
SWW_1
2
SWW_1
43
43
48
48
289
SWD_4
125
S K SWD_4
pr0
61
SWD_4
SWD_4
SWD_1
SZO_1
90
205
SWD_4
222
1
drewno z okleiną
1 szt.
Szer. /
4
3
363
52
36
1
C-2
D-2P D-2L
Materiał
Szerokość: 70,00 cm
Wysokość: 205,00 cm
D-2
do ustalenia
ID użytkownika
Drzwi drewniane D4
Artlantis RENDER 3
168
1
A-1
pr0
60
2
kolor
hp.90
1
UMYWALKA 60x45
CERAMIKA
ZLEW GOSPODARCZY
GŁĘBOKI
Wymiary: 610x440x235
kolor szary
montaż na blacie lub ścianie
SWD_4
UMYWALKA 60x45
CERAMIKA
1021
102
1
SWD_4
D1L
2
UMYWALKA 60x45
CERAMIKA
pr0
234
6
4
96
SWD_4
SWW_1
3
pr0
18
hp.90
2 szt.
BricsCad V8 Pro PL
NR SER. 2008-06-20/SD/0888/
Pracownia Projektowa
SWD_4
SWW_189
4
80
200
SWD_1
SWW_1
2
7
SWD_1
MISKA USTĘPOWA
STOJĄCA
Pp
1
177
1
1
S K
1
A-2
1
173
SWW_1
UMYWALKA 60x45
CERAMIKA
SWD_4
SWW_1
hp.90
SWD_4
149
poręcz wc ścienna łukowa
uchylna [odchylana] 60 cm
poręcz wc kątowa stała,
ścienna (600x300x90mm)
47
94
46
80
MISKA USTĘPOWA
200
STOJĄCA
D-3P
poręcz wc ścienna
łukowa uchylna 75 cm
Umywalka dla niepełnosprawnych 65 cm
z otworem, bez przelewu
hp.90
73
hp.90
Pp
D-3P
46
S K
Pp
47
K S
hp.90
Szerokość: 80,00 cm
Wysokość: 205,00 cm
2 szt.
90,00 cm
204,00 cm
Drzwi drewniane D3
PAKIET ArchiCAD STAR(T) EDITION 2
WERSJA PEŁNA _NR SER. 8-5637311
POLISH COMMERCIAL VERSION
poręcz wc ścienna łukowa
uchylna [odchylana] 60 cm
SWD_4
4 szt.
mgr inż.architekt
HUBERT WOLAŃSKI
Wysok...
SWD_4
P
Drzwi prowadzące do pomieszczenia izolującego oraz drzwi łączące je z
dalszą częścią ustępu powinny zamykać się samoczynnie.
Szer.:
Szerokość: 94,00 cm
Wysokość: 205,00 cm
RZUT II PIĘTRA - WĘZEŁ SANITARNY
ARCH - BUD_ ARANŻACJA
43
Drzwi drewniane D2
TEMAT
RYSUNKU
112
90
SWD_4
L
6 szt.
mgr inż.architekt
nr ewidencyjny
ANDRZEJ WOLAŃSKI uprawnień 53/03/SLOKK/II
drewno z okleiną
Szerokość: 80,00 cm
Wysokość: 205,00 cm
pracownia: 42-400 zawiercie, ul. dojazd 8/25.................................................................telefony kontaktowe: +48 32 67 171 27, 600 324 796........email: [email protected]@gmail.com
203
381
86
116
115
187
24
120
187
24
115
187
115
187
111
D-2P D-2L
Materiał
2 szt.
115
187
326
67
111
115
187
13
Drzwi drewniane D1
do ustalenia
ID użytkownika
Kierunek otwierania
wg dokumentacji
D-1
UWAGA: wszelkie zmiany rozwiązań
oraz materiałów uzgodnić
autorem projektu.
kolor
poręcz wc kątowa stała,
ścienna (600x300x90mm)
wysokość zawieszenia miski ustępowej
powinna odpowiadzć wys.siedziska wózka inwalidzkiego
i wynosić od 45 -50 cm
zaprojektowany jest wc wiszący zamocowany na
zestawie podtynkowym do zabudowy misek WC wiszących
90,00 cm
204,00 cm
PAKIET SPECBUD wersja 9.0
NR 09FC-A183
Wersja pełna DXF
Wysok...
Microsoft Office Basic 2007
w/OfcPro07Trial (OEM)
Proof of License X12-88319
Szer.:
CORELDRAW
GRAPHICS _ SUITE X4
DR14R22-YLHFR9N-KBBM..........
90