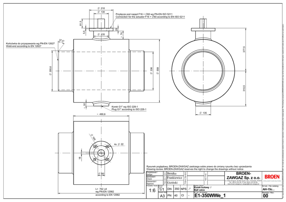
E1-350WWe_1 00 1:6

Transkrypt

E1-350WWe_1 00 1:6
25
~ 74
5,5
37,5
O 135
°
~ 32
310,5
O 558
O 336
O 355,6
377,5
Końcówka do przyspawania wg PN-EN 12627
Weld-end according to EN 12627
Korek G1" wg ISO 228-1
Plug G1" according to ISO 228-1
O 135
~ 490,6
O
5
16
18
4x O 22
Bródka
Frankiewicz
Giziński
Podziałka / Scale Arkusz /
Sheet
L= 762 ±4
wg PN-EN 12982
according to EN 12982
1:6
1/1
Data / Data
Projektował /
Design
Sprawdził /
Check
Zatwierdził /
Approve
Nazwisko / Name
O 60
Podpis / Signature
Rysunek poglądowy; BROEN-ZAWGAZ zastrzega sobie prawo do zmiany rysunku bez uprzedzenia
Drawing review; BROEN-ZAWGAZ reserves the right to change the drawings without notice
ul. Stara Droga 8, 62-002 Suchy Las k. Poznania, Poland
Tel. +48 61 812 55 17 Fax +48 61 812 55 90
www.broen-zawgaz.pl, [email protected]
Nazwa / Name
DN
350 NPS -"
Format / Size
A3
BROENZAWGAZ Sp. z o.o.
Kurek kulowy /
Ball valve
Nr rys. / No drawing
PN
40
Cl
-
E1-350WWe_1
Nr kat. / No catalog
AH-15c...
Rewizja / Rev.
00
Ten rysunek jest własnością BROEN-ZAWGAZ i nie może być przekazywany osobom trzecim, kopiowany i wykorzystywany bez naszej zgody. This drawing is property BROEN-ZAWGAZ and may not be transferred to third party, copied and made use of without our permission.
Przyłącze pod napęd F16 + O60 wg PN-EN ISO 5211
Connection for the actuator F16 + O60 according to EN ISO 5211
81,5
O 210
O 130