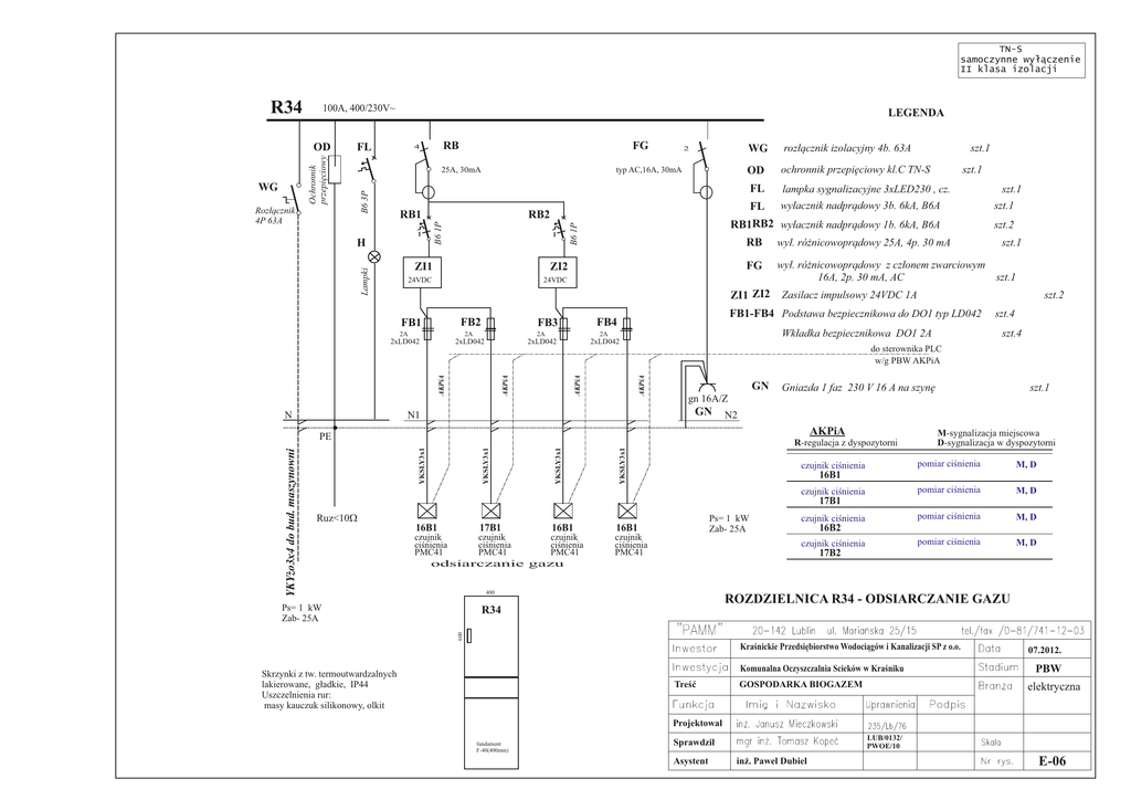
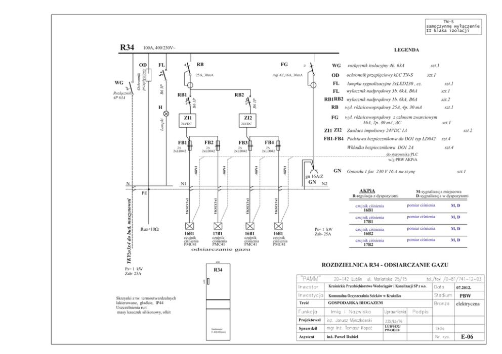
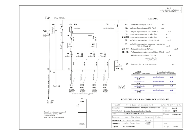
rozdzielnica r34 - odsiarczanie gazu e-06

Transkrypt

rozdzielnica r34 - odsiarczanie gazu e-06
TN-S
samoczynne wyłączenie
II klasa izolacji
R34
100A, 400/230V~
FL
FG
25A, 30mA
RB1
1
Lampki
H
rozłącznik izolacyjny 4b. 63A
OD
ochronnik przepięciowy kl.C TN-S
FL
lampka sygnalizacyjne 3xLED230 , cz.
FL
wyłacznik nadprądowy 3b. 6kA, B6A
szt.1
RB1RB2 wyłacznik nadprądowy 1b. 6kA, B6A
szt.2
typ AC,16A, 30mA
RB2
B6 1P
1
ZI1
ZI2
24VDC
24VDC
FB2
FB1
2A
2A
2xLD042
2xLD042
wył. różnicowoprądowy 25A, 4p. 30 mA
FG
wył. różnicowoprądowy z członem zwarciowym
16A, 2p. 30 mA, AC
N
GN
szt.4
szt.4
szt.1
N2
AKPiA
YKSLY3x1
YKSLY3x1
szt.2
Gniazda 1 faz 230 V 16 A na szynę
R-regulacja z dyspozytorni
YKSLY3x1
szt.1
gn 16A/Z
GN
N1
YKSLY3x1
szt.1
do sterownika PLC
w/g PBW AKPiA
PE
YKYżo3x4 do bud. maszynowni
szt.1
Zasilacz impulsowy 24VDC 1A
Wkładka bezpiecznikowa DO1 2A
AKPiA
2A
2xLD042
AKPiA
2A
2xLD042
szt.1
FB1-FB4 Podstawa bezpiecznikowa do DO1 typ LD042
FB4
FB3
szt.1
RB
ZI1 ZI2
AKPiA
Rozłącznik
4P 63A
WG
2
B6 1P
B6 3P
WG
RB
4
AKPiA
Ochronnik
przepięciowy
OD
LEGENDA
czujnik ciśnienia
M-sygnalizacja miejscowa
D-sygnalizacja w dyspozytorni
pomiar ciśnienia
M, D
pomiar ciśnienia
M, D
pomiar ciśnienia
M, D
pomiar ciśnienia
M, D
16B1
czujnik ciśnienia
17B1
Ruz<10
16B1
17B1
16B1
czujnik
czujnik
czujnik
ciśnienia
ciśnienia
ciśnienia
PMC41
PMC41
PMC41
odsiarczanie gazu
Ps= 1 kW
Zab- 25A
16B1
czujnik
ciśnienia
PMC41
16B2
czujnik ciśnienia
17B2
400
Ps= 1 kW
Zab- 25A
czujnik ciśnienia
ROZDZIELNICA R34 - ODSIARCZANIE GAZU
600
R34
Kraśnickie Przedsiębiorstwo Wodociągów i Kanalizacji SP z o.o.
Komunalna Oczyszczalnia Scieków w Kraśniku
Skrzynki z tw. termoutwardzalnych
lakierowane, gładkie, IP44
Uszczelnienia rur:
masy kauczuk silikonowy, olkit
Treść
GOSPODARKA BIOGAZEM
07.2012.
PBW
elektryczna
Projektował
fundament
F-40(400mm)
LUB/0132/
PWOE/10
Sprawdził
Asystent
inż. Paweł Dubiel
E-06