Badanie tranzystora bipolarnego z izolowaną - gryf

Transkrypt

Badanie tranzystora bipolarnego z izolowaną - gryf
I.
Cel ćwiczenia:
Celem naszego ćwiczenia było zapoznanie się z własnościami tranzystora IGBT
zasilającego odbiornik o charakterze:
o R,
o RC,
o RDC,
o RLC2D
o oraz układem odzyskiwania energii.
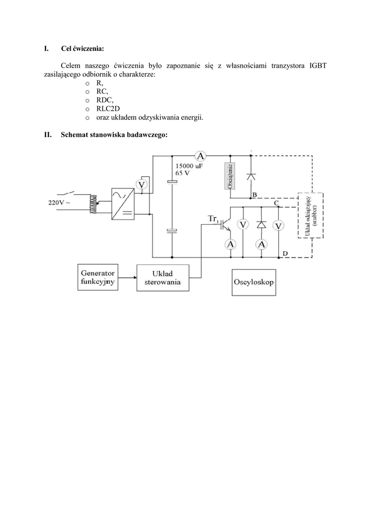
II.
Schemat stanowiska badawczego:
III. Obliczenia strat tranzystora bez układu obciąŜającego:
o straty na przewodzenie:
T1=1,2
T=2,8
T
D = 1 = 0,428 - wypełnienie impulsu
T
I C1 = 6,4 - prąd podczas załączania
I C 2 = 7,2 - prąd podczas wyłączania
1
1
Pcond = [ I C1 + ( I C 2 − I C1 )]D ⋅ U CEsat = [6,4 + (7,2 − 6,4)] ⋅ 0,428 ⋅1,4 = 4,07W
2
2
o straty na przełączanie:
f=8,93 kHz
EON =0,32
EOFF =0,35
Pp = ( E ON + EOFF ) ⋅ f = (0,32 ⋅ 10 −3 + 0,35 ⋅ 10 −3 ) ⋅ 8,93 ⋅ 10 3 = 5,98W
o całkowite straty tranzystora:
Ptot = Pp + Pcond = 5,98 + 4,07 = 10,05W
2
IV. Badanie strat tranzystora przy róŜnych charakterach obciąŜenia:
a) Przebieg strat mocy na tranzystora bez układu odciąŜającego:
Rysunek przedstawia fragment przebiegu strat mocy w czasie załączenia.
Rysunek przedstawia fragment przebiegu strat mocy w czasie wyłączania.
Wnioski: PowyŜsze przebiegi przedstawiają rzeczywiste straty na tranzystorze w czasie
załączania, przewodzenia, wyłączania oraz w stanie zatkania. Jak widać najwięcej mocy
wydziela się w czasie wyłączania.
3
b) Przebieg strat mocy na tranzystora z układem RC
Rysunek przedstawia fragment przebiegu strat mocy w czasie załączenia.
Rysunek przedstawia fragment przebiegu strat mocy w czasie wyłączania.
Wnioski: Zastosowanie układu RC spowodowało, Ŝe straty na wyłączeniu są mniejsze niŜ w
układzie bez obciąŜenia, a przy załączaniu minimalnie większe. Szybkie ładowanie
kondensatora połączonego z małą rezystancja powoduje zmniejszenie strat na wyłączaniu, ale
sprzyja powiększaniu się strat na załączaniu.
4
c) Przebieg strat mocy na tranzystora z układem RCD
Rysunek przedstawia fragment przebiegu strat mocy w czasie załączenia.
Rysunek przedstawia fragment przebiegu strat mocy w czasie wyłączania.
Wnioski: W układzie z RCD straty przy załączaniu są prawie identyczne jak w układzie RC,
natomiast przy wyłączaniu są bardzo małe w porównaniu do przebiegów z układem RC.
Spowodowane jest to obecnością rezystora który zapewnia szybkie rozładowanie
kondensatora.
5
d) Przebieg strat mocy na tranzystora z układem RLC2D
Rysunek przedstawia fragment przebiegu strat mocy w czasie załączenia.
Rysunek przedstawia fragment przebiegu strat mocy w czasie wyłączania.
Wnioski: Układ odciąŜający RLC2D jest pierwszym z układów który powoduje ograniczenie
strat na załączaniu, jednak co jest ogromną wadą tego układu powoduje znaczny wzrost strat
na wyłączaniu. Indukcyjność w obwodzie nie pozwala na szybkie narastanie prądu przy
załączaniu co jest korzystne jednak przy wyłączaniu ta sama indukcyjność powoduje bardzo
duŜe straty na rozłączaniu.
6
e) Przebieg strat mocy na tranzystora z układem rekuperacji energii
Rysunek przedstawia fragment przebiegu strat mocy w czasie załączenia.
Rysunek przedstawia fragment przebiegu strat mocy w czasie wyłączania.
Wnioski: Zastosowanie układu rekuperacji energii spowodowało znaczne ograniczenie strat
na załączanie oraz wyłączanie. Układ minimalizuje straty na załączaniu i wyłączaniu oddając
energie do źródła. PoniewaŜ układ ten zbudowany jest tylko z indukcyjności i pojemności
istnieje moŜliwość wpadnięcia układu w rezonans co jest niekorzystne.
7